【導讀】本系列文章的第 1 部分至第 4 部分詳細介紹了開關電源穩壓器引起的傳導發射和輻射發射,包括噪聲產生機制、測量要求、頻率范圍、適用的測試限值、傳播模式和寄生效應。在第 5 部分中,我將基于這一理論基礎介紹抑制電磁干擾 (EMI) 的實用電路技術。
一般來說,電路原理圖和印刷電路板 (PCB) 對于實現出色的 EMI 性能至關重要。第 3 部分重點強調通過謹慎的元器件選型和 PCB 布局盡量減小“功率回路”寄生電感的重要性。電源轉換器集成電路 (IC) 的封裝技術及其提供的 EMI 特定功能對此產生了巨大的影響。如第 2 部分所述,必須使用差模 (DM) 濾波方可將輸入紋波電流的幅值充分降低至滿足 EMI 合規性要求的水平。與此同時,如果需要抑制約 10MHz 以上的發射,通常使用共模 (CM) 濾波。在高頻條件下,使用屏蔽也可以獲得優異的結果。
本文主要介紹這些方面的內容,專門聚焦于帶有集成功率 MOSFET 和控制器的轉換器解決方案,提供抑制 EMI 的實例和應用指導。一般來說,轉換器應在合理范圍內超出傳導 EMI 一定的裕度,為達到輻射限值預留空間。幸運的是,多數減少傳導發射的步驟對于抑制輻射 EMI 同樣有效。
了解 EMI 的相關挑戰
DC/DC 轉換器中的 EMI 主要由其快速開關的電壓和電流特性所致。與轉換器的不連續輸入或輸出電流相關的 EMI 相對容易處理,但更大的問題是開關電壓 dv/dt 和電流 di/dt 中的諧波成分,以及與開關波形相關的振鈴。
圖 1 所示為存在噪聲的同步降壓轉換器的開關 (SW) 電壓波形。振鈴頻率范圍為 50MHz 至 200MHz,具體取決于寄生效應。此類高頻成分可以通過近場耦合傳播到輸入電源線、周邊元器件或輸出總線(如 USB 電纜)。體二極管反向恢復存在類似的問題,隨著恢復電流流入寄生回路電感,振鈴電壓升高。

圖 1:同步降壓轉換器在 MOSFET 導通和關斷開關轉換期間的開關節點電壓波形和等效電路
圖 2 的原理圖標識了降壓轉換器電路的兩條重要回路。最大限度縮減電源回路的面積至關重要,原因是該參數與寄生電感和相關 H 場傳播成正比。主要設計目標是通過減小寄生電感最大程度提升寄生 LC 諧振電路的諧振頻率。此舉可以降低存儲的無功能量總值,減少開關電壓峰值過沖。

圖 2:簡化的同步降壓轉換器原理圖(針對 EMI 標出了關鍵回路和走線)
在圖 2 所示的自舉電容回路中,高側 MOSFET 的導通速度由一個標記為 RBOOT 的可選串聯自舉電阻進行控制。自舉電阻會改變驅動電流瞬變率,降低 MOSFET 導通期間的開關電壓和電流轉換率。另一種方法是在 SW 和 GND 之間添加一個緩沖電路。同理,該緩沖電路應根據每次開關轉換時的瞬態電流尖峰,占用最小的回路面積。當然,緩沖電路和柵極電阻會增加開關功率損耗,需要在效率和 EMI 之間進行權衡。如果效率和散熱性能同樣非常重要,則需要使用其他技術解決 EMI 相關的挑戰。
轉換器的 PCB 布局
表 1 至表 5 總結了通過優化 PCB 布局及元器件排布削弱 DC/DC 轉換器 EMI 信號的基本準則。我將在本文的后續部分提供一項 PCB 布局案例研究,探討如何優化降壓轉換器的 EMI 特性。
表 1:布線及元器件排布。

表 2:GND 平面設計。

表 3:輸入和輸出電容。

表 4.電感和開關節點布局。

表 5.EMI 管理。

EMI 輸入濾波器
圖 3 所示為典型的多級 EMI 輸入濾波器。低頻和高頻部分可提供 DM 噪聲衰減,也可選擇 p 級,通過 CM 扼流器提供 CM 衰減。標記為 CBULK 的電解電容具有固有的串聯電阻 (ESR),可用于設置所需阻尼,降低轉換器輸入的有效品質因子,保持輸入濾波器的穩定性。
DM 電感的自諧振頻率 (SRF) 限制濾波器第一級可實現的高頻 DM 衰減。濾波器第二級通常至關重要,其使用鐵氧體磁珠在高頻條件下提供附加的 DM 衰減,此時額定阻抗通常為 100MHz。標記為 CF1 和 CF2 的陶瓷電容可將噪聲分流到接地端。

圖 3:具有 DM 和 CM 級的三級 EMI 輸入濾波器
DM 濾波器的電感一般設置為削弱基波和低頻諧波的值。應使用盡可能小的電感來滿足低頻濾波要求,因為匝數較多的大電感具有較高的等效并聯電容 (EPC),導致其 SRF 較高,影響其在高頻下的性能。
標記為 LCM 的 CM 扼流器針對 CM 電流提供較高的阻抗,其泄漏電感也可提供 DM 衰減。然而,在部分要求接地連接必須保持完好的應用中,該元器件不適用,這些應用需要更安靜的轉換器設計,CM 扼流器不再是首選。
為了演示 CM 扼流器的效果,圖 4 展示了德州儀器 (TI) LM53603,這是一款采用雙層 PCB 的 36V、3A DC/DC 轉換器解決方案 [7]。該器件的功率級位于頂層,EMI 輸入濾波器則放置于底部。如圖 4 中的布局所示,濾波器附近的接地平面覆銅區可借助過孔縫合提供屏蔽效果。此外,在濾波器級以下的所有層中插入敷銅層切口,可避免 VIN 和 GND 走線之間產生寄生電容,從而為噪聲電流提供繞過 CM 扼流器的路徑并讓步于濾波器的阻抗特性。

圖 4:DC/DC 轉換器原理圖和 PCB 布局實施方案
圖 5 所示為國際無線電干擾特別委員會 (CISPR) 25 針對圖 4 的轉換器設計在 150kHz 至 108MHz 之間進行的傳導發射測量。我們提供了使用與不使用 CM 扼流器兩種情況下的測量結果。使用 Rohde & Schwarz 的頻譜分析儀,所得檢測器掃描結果的峰值和平均值分別以黃色和藍色表示。紅色限值圖象為 5 類峰值和平均值限值(峰值限值通常比平均值限值高出 20dB)。

圖 5:CISPR 25 在使用 CM 扼流器 (a) 與不使用 CM 扼流器 (b) 情況下進行的傳導 EMI 測量
金屬外殼屏蔽
另一種優化高頻 EMI 性能的有效方式是添加金屬外殼屏蔽層,從而阻擋輻射電場。外殼通常由鋁制成,采用框架(敞開式)或封閉式設計實施方案。屏蔽外殼可覆蓋除 EMI 濾波器之外的所有功率級元器件,外殼與 PCB 上的 GND 相連,基本形成了一個帶有 PCB 接地平面的法拉第籠。
這使得從開關單元到 EMI 濾波器或長輸入線連接(也用作天線)的輻射噪聲耦合顯著減少。當然,這會產生額外的元器件和裝配成本,導致散熱管理和散熱測試的難度增加。鋁電解電容的外殼也可以提供電場屏蔽,為實現此目的,可在電路板上針對性地放置該電容。
DC/DC 轉換器案例研究
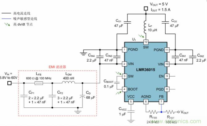
圖 6 為 60V、1.5A 單片式集成同步降壓轉換器電路的原理圖,該電路通過多項功能實現最佳 EMI 性能。該原理圖還顯示了一個兩級 EMI 輸入濾波器級,旨在滿足汽車或噪聲敏感型工業應用的 EMI 規范。為了幫助實現最佳的 PCB 布局,原理圖中將高電流走線(VIN、PGND、SW 連接)、噪聲敏感型網絡 (FB) 和高 dv/dt 電路節點(SW、BOOT)突出顯示。

圖 6:采用 EMI 優化型封裝和引腳布局的 DC/DC 轉換器。內置一個兩級 EMI 輸入濾波器
a. 引腳布局設計
圖 6 所示的轉換器 IC 優勢在于,其 VIN 和 PGND 采用對稱且均衡的引腳排布。該轉換器利用兩個并聯的輸入回路使寄生回路電感成功減半。上述回路在 PCB 布局中標記為“IN1”和“IN2”,如圖 7 所示。兩個外殼尺寸為 0402 或 0603 的小型電容(在圖 6 中分別標記為 CIN1 和 CIN3)放置在盡可能靠近 IC 的位置,最大限度減小輸入回路面積。兩個回路中的環流產生相反的磁矩,消除 H 場并降低有效電感。為了進一步降低寄生電感,PCB 第 2 層(緊靠頂層電源電路的下方)的 IN1 和 IN2 回路下方設有返回電流的連續接地平面,可使場效應自行消除。
在電感兩側各使用一個陶瓷輸出電容(COUT1 和 COUT2)同樣能夠優化輸出電流回路。在輸出端引出兩個并聯的接地返回路徑可以將返回電流分成兩部分,有助于減弱“地彈反射”效應。

圖 7:僅部署在 PCB 頂層的功率級布局
SW 引腳位于 IC 中心,因此輻射電場會由 IC 兩側相鄰的 VIN 和 PGND 引腳屏蔽。GND 平面覆銅區可對將 IC 的 SW 引腳連接到電感端子的多邊形覆層施加屏蔽。SW 和 BOOT 的單層布局意味著 PCB 的底側不會有 dv/dt 較高的過孔。這樣可以避免在 EMI 測試期間,電場與基準接地平面耦合。
b. 封裝設計
與優化的引腳排布類似,電源轉換器 IC 封裝設計也是改善 EMI 信號的關鍵屬性。例如,德州儀器 (TI) 的 HotRodÔ 封裝技術采用引線框上倒裝芯片 (FCOL) 的方式,規避了功率器件線焊導致封裝寄生電感過高的情況。如圖 8 所示,IC 以上下翻轉的形式放置,IC 上的銅柱(也稱為凸點或支柱)直接焊接到引線框架。這種構造方法能夠提升密度并較薄的外型,因為每個引腳都與引線框架直接相連。從 EMI 角度來看,最重要的一點是,與傳統線焊封裝相比,HotRod 封裝降低了封裝的寄生電感。

圖 8:QFN 線焊封裝 (a) 和 HotRod FCOL (b) 封裝的結構對比
HotRod 封裝不僅可以在開關換向(50MHz 至 200MHz 頻率范圍)期間減少振鈴,還可以降低導通和開關損耗。圖 9 所示為開關節點電壓振鈴隨之得到改善的情況。圖 8 所示為圖 6 中的轉換器在 150kHz 至 108MHz 下測得的傳導發射。測量結果符合 CISPR 25 5 類要求。

圖 9:使用傳統線焊封裝的轉換器 (a) 和 HotRod FCOL 轉換器 (b) 時的開關節點電壓波形

圖 10:CISPR 25 傳導發射測量結果,(a) 頻率范圍為 150kHz 至 30MHz,(b) 頻率范圍為 30MHz 至 108MHz
總結
在本文中,我討論了使用電源轉換器 IC 的 DC/DC 穩壓器電路可以采用的 EMI 抑制技術。減弱 EMI 的 PCB 布局步驟包括盡量減小布局中的電流“熱回路”面積、避免阻斷電流路徑、采用具有內部接地平面的四層 PCB 結構實現屏蔽(屏蔽效果遠超雙層 PCB),以及通過盡量減小開關節點覆銅區域面積來降低電場輻射耦合。
轉換器封裝類型是一項重要的選擇標準,新一代器件的開關節點振鈴和引腳設計得到顯著提升,有助于實現最優的電容放置方案。從輸入濾波的角度而言,抑制低頻噪聲(通常小于 10MHz)相對容易,使用傳統的 LC 濾波器級即可實現。然而,抑制高頻噪聲(10MHz 以上)通常需要額外使用 CM 扼流器和/或鐵氧體磁珠濾波器級。焊接到 PCB 接地平面的金屬外殼屏蔽層也能有效減輕高頻發射。
在本系列文章的下一部分中,我將探討使用控制器驅動分立式功率 MOSFET 的 DC/DC 穩壓器電路適用的 EMI 抑制技術。根據 EMI 進行分析,這些技術更具挑戰性。
免責聲明:本文為轉載文章,轉載此文目的在于傳遞更多信息,版權歸原作者所有。本文所用視頻、圖片、文字如涉及作品版權問題,請聯系小編進行處理。
推薦閱讀:



