【導讀】在EMC設計中,電容的選型和布局是非常關鍵的。合適的電容選擇可以顯著提高設備的電磁兼容性,防止不同部分之間的相互干擾,同時確保設備在電磁環境中穩定運行。
濾波電容在EMC中的功能
電容在電磁兼容性(EMC)中起著重要的作用,它可以用于控制和管理電磁干擾(EMI)以及提高電子設備的抗干擾能力。以下是電容在EMC中的一些主要應用:
1. 濾波器:電容常被用作濾波器的關鍵元件。在電子設備中,通過將電容放置在信號線或電源線上,可以有效地濾除高頻噪聲和電磁干擾,確保設備的電源和信號線不受到外部電磁波的干擾。
2. 電源解耦:在電子電路中,電容被用作電源解耦器,以確保電子元件在工作時獲得穩定的電源。這有助于防止電源線上的噪聲傳播到關鍵的電子元件中。
3. 抑制射頻干擾:射頻(RF)干擾是一種高頻干擾,常常影響無線通信設備和其他高頻電子設備。電容可以被用來吸收和抑制這些射頻信號,防止其進入或離開設備。
4. 防靜電放電:在某些環境中,靜電放電可能對設備造成危害。電容可以用于吸收和釋放靜電能量,從而減小靜電對設備的影響。
5. 差模噪聲濾波:在模擬電路中,電容通常用于差模信號的濾波,幫助減小噪聲對信號的影響。
6. 共模抑制:電容也被用于共模抑制電路,防止共模信號(即同時作用于兩個電路導線的干擾信號)對設備造成影響。
在EMC設計中,電容的選型和布局是非常關鍵的。合適的電容選擇可以顯著提高設備的電磁兼容性,防止不同部分之間的相互干擾,同時確保設備在電磁環境中穩定運行。
電容自諧振問題
我們用來濾波的電容器并不是理想的電容器,在系統中實際表現為理想電容與電感和電阻的串聯。如圖所示。
多層電容器(Muti-LayerCapacitor)在裝配到PCB板上時會產生將近5nH的寄生電感,再加上約30m歐的引線電阻,其頻率特性表現為如圖所示的曲線。濾波電容將不是理想的低通濾波器,實際的插入損耗特性表現為以自諧振點為中心的帶通濾波電路。
兩個電容串聯時,由于ESL(等效串聯電感)和ESR(等效串聯電阻)的存在,會產生反諧振問題。下圖給出了電容并聯的等效原理
下圖給出了它們的真實的幅度-頻率特性。
在將近15MHz到175MHz的一個較寬的頻帶內,并聯電容的阻抗比單獨一個大電容的阻抗要來的大,由于兩電容產生了諧振,在150MHz處產生了一個阻抗的峰值,系統其他部分在該頻率范圍內產生的能量只能有很少的一部分被旁路到地平面。
在設計普通電路時,工程師們通常關注的是電容的容值、耐壓值、封裝大小、工作溫度范圍、溫漂等參數。但是在高速電路上或電源系統中及一些對電容要求很高的時鐘電路中,電容已經不僅僅是電容,是一個由等效電容、等效電阻和等效電感組成的一個電路,簡單的結構如圖所示。
電容在高速電路中的等效電路
圖中,C為所需電容,ESR為等效串聯電阻,ESL為等效串聯電感,CP為等效并聯電容。
既然這是一個電路,那么就不再是一顆獨立電容那么簡單了。這個等效電路性能受很多因素的影響,在選擇這類電容時,不僅僅要關注前面提到的那些參數,還要關注在特定頻率下的等效參數,以Murata的1μF的電容為例,在諧振頻率點時,對應的等效電容為602.625nF,等效電阻為11.5356mΩ,等效電感為471.621pH。理想電容和實際電容就呈現出不一樣的性能。如圖所示是理想電容和實際電容的阻抗曲線。
在工程實踐中,很多工程師看到參考板設計或其他工程師設計的板子中有很多電容,覺得自己的產品按照他們的設計照搬就不一定不會出問題。其實這也不是如此,因為產品應用不同、結構也有可能不同,這就可能使得產品設計的PCB層疊不一樣、通流平面也不一樣,而這些都是會引起電源系統的不一致。
在電源系統設計中,通常都會有很多類型的電容存在,如一個電源系統中會有100μF、47μF、22μF、10μF、1μF、0.1μF等類型的電容,這么多類型的電容是否可以統一為某一種類型的電容呢?如圖所示,以電容的阻抗曲線為例,進行說明。
增加不同電容值的電路阻抗曲線圖
通過上面兩張圖對比可以看到,如果都使用相同類型的電容,雖然阻抗更低,但是去耦頻率范圍幾乎沒變化;如果使用不同種類的電容,則可以增大去耦頻率范圍。
在電源系統中并不是電容越多越好,在某些系統中如果電容多了反而會導致新的噪聲點出現。
ESR對并聯電容幅頻特性的影響
阻抗的峰值與電容器的ESR的值成反比,隨著單板設計水平與器件性能的提高
并聯電容的阻抗的峰值將會隨著ESR的減小而增加,并聯諧振峰值的形狀與位置取決于PCB板的設計與電容的選擇。
有幾條原則應該了解:
1、隨著ESR的減小,諧振點的阻抗會減小,但反諧振點的阻抗會增大:
2、n個相同電容并聯使用時,最小陽抗口能小干ESRIn:
3、多個電容并聯時,阻抗并不一定發生在電容的諧振點;
4、對于給定數量的電容器,比較好的選擇是電容值在一個較大的范圍內均勻展開,各個電容值的ESR適中:比較差的選擇是僅有少量的電容值,而且電容的ESR都非常小。
ESL對并聯電容幅頻特性的影響
電容封裝和結構不同,ESL也不同,幾種典型封裝電容的ESL如表所示。
電容的ESL與電容值一起決定電容器的諧振點與并聯電容器的反諧振點的頻率范圍。在實際的設計中,應該盡量選用ESL小的電容器。
電容器的選擇
對于RF設計而言,陶瓷電容器、聚酯纖維電容器和聚苯乙烯薄膜電容器都是很好的選擇。對于EMI濾波器來講,對電容器的介質材料要求并不高,常見的X7R、Y5V和Z5U等松散介質都是不錯的選擇:通常絕對的電容值、電容器的溫度系數、電壓變化系數等并不重要。不同種類、不同容值的電容濾波范圍是不同的,下面是典型的插入損耗比對效果:
由上圖可看出,同為0805封裝的貼片陶瓷電容,001uF的電容比0.1uF的電容具有更好的高頻
濾波特性;建議板極工作頻率高于50MHz的單板(如傳輸、MUSA的多數單板)全部使用0.01uF的濾波電容,而不是我們目前大量采用的0.1uF的濾波電容。
電源輸出電容,輸入電容
我們通常把電源模塊輸入、輸出回路的電容稱為濾波電容。簡單理解就是,保證輸入、輸出電源 穩定的電容。在電源模塊中,濾波電容擺放的原則是“先大后小”。如圖2.48.1所示,濾波電容按箭頭 方向先大后小擺放。
電源設計時,要注意走線和銅皮足夠寬、過孔數量足夠多,保證通流能力滿足需求。寬度和過孔 數量結合電流大小來評估。
電源輸入電容
電源輸入電容與開關環路形成一個電流環。這個電流環路的變化幅度大,Iout的幅度。頻率是開關頻率。DCDC芯片開關過程中產生,這個電流環產生的電流的變化,包含了較快的di/dt。
同步BUCK的方式,續流路徑要經過芯片的GND管腳,輸入電容要接在芯片的GND和Vin之間,路徑盡可能短粗。
這個電流環面積足夠的小,這個電流環對外輻射就會越好。
去耦電容與旁路電容
1、以供應商提供的產品資料上的自諧振特性為基礎選擇電容,使之符合設計的時鐘速率與噪聲頻率的需要。
2、在所需要的頻率范圍內加盡可能多的電容。例如,22nF的電容的自諧振頻率將近為11MHz,有用的阻抗(Z1歐姆)范圍為6M~40MHz,你可以在該頻帶范圍內加盡可能多的電容,以達到需要退耦的水平。
3、在盡可能靠近IC每個電源管腳的地方,至少放一個去耦電容器,以減小寄生阻抗。
4、旁路電容與IC盡可能放在同一個PCB平面上。有一個需要特別注意的地方:在兩種布局中,Vcc網絡都只有一個點連到Vcc平面。這樣做,使得IC內外的噪聲都必須通過這個唯一的過孔走到電源平面上去,過孔的附加阻抗幫助避免了噪聲向系統其余部分的擴散。
5、對于多時鐘系統可以將電源平面作圖3-14所示的分割,對每一個部分使用一種正確容值的電容器,被狹縫分隔的電源平面將一部分的噪聲與其他部分的敏感器件分隔開來,同時提供了中容值的分離;
6、對于時鐘頻率在一個較寬的范圍內變化的系統,旁路電容的選擇甚為困難。一個較好的解決方法是將兩個容值上接近2:1的電容并聯放置,這樣做可以提供一個較寬的低阻抗區,和一個較寬的旁路頻率,下面這張圖可以看到,阻抗峰值仍然產生了,但卻小于15歐,而可用的頻率范圍(阻抗小于15歐)則擴展到將近3.25MHz到100MHz的范圍,這種多退耦電容的方法只在一個單獨的IC需要一個較寬的旁路頻率范圍而且單個電容無法達到這一頻帶時才使用。而且,容值必須保持2:1的范圍內,以避免阻抗峰值超過可用的范圍。
高速 IC的電源引腳需要足夠多的去耦電容,最好能保證每個引腳有一個。實際設計中,如果沒 有空間擺放去耦電容,則可以酌情刪減。
IC 電源引腳的去耦電容的容值通常會比較小,如 0.1μF、0.01μF 等;對應的封裝也比較小,如 0402封裝、0603封裝等。在擺放去耦電容時,應注意以下幾點。
(1)盡可能靠近電源引腳放置,否則可能起不到去耦作用。理論上講,電容有一定的去耦半徑范 圍,所以應嚴格執行就近原則。
(2)去耦電容到電源引腳引線盡量短,而且引線要加粗,通常線寬為8~15mil(1mil = 0.0254mm)。加粗目的在于減小引線電感,保證電源性能。
(3)去耦電容的電源、地引腳從焊盤引出線后,就近打孔,連接到電源、地平面上。該引線同樣要 加粗,過孔盡量用大孔,如能用孔徑10mil 的孔,就不用8mil的孔。
(4)保證去耦環路盡量小。去耦電容常見的擺放示例如圖2.48.2~圖2.48.4所示。圖2.48.2~圖2.48.4所示是SOP封裝的IC 去耦電容的擺放方式,QFP等封裝的與此類似。
常見的 BGA封裝,其去耦電容通常放在 BGA下面,即背面。由于 BGA 封裝引腳密度大,因此去 耦電容一般放的不是很多,但應盡量多擺放一些,如圖2.48.5所示。
儲能電容的設計
儲能電容可以保證在負載快速變到最重時供電電壓不會下跌。儲能電容可分為板極儲能電容、器件級儲能電容兩種:
A,板極儲能電容:保證負載快速變到最重時,單板各處供電電壓不會下跌。在高頻、高速單板(以及條件允許的背板),建議均勻排布一定數量的較大容值的鉭電容(luf、10uf、22uf、33uf),以保證單板同一電壓的值保持一致。
B,器件級儲能電容:保證負載快速變到最重時,器件周圍各處供電電壓不會下跌。對于工作頻率、速率較高、功耗較大的器件,建議在其周圍排放1-4個較大容值的鉬電容(luf、10uf、22uf、33uf),以保證器件快速變換時其工作電壓保持不變。
儲能電容的設計應該與去耦電容的設計區別開來。有以下設計建議:
1、當單板上具有多種供電電壓時,對一種供電電壓儲能電容仍然只選用一種容值的電容器,一般選用表貼封裝的Tantalum電容(鉭電容),可以根據需要選擇10uf、22uf、33uf等;
2、不同供電電壓的芯片構成一個群落,儲能電容在這個群落內均勻分布,如下圖所示:
儲能電容的作用就是保證IC在用電時,能在最短的時間內提供電能。儲能電容的容值一般比較 大,對應的封裝也比較大。在PCB中,儲能電容可以離器件遠一些,但也不能太遠,如圖2.48.6所示。常見的儲能電容扇孔方式,如圖2.48.7所示。
電容扇孔、扇線原則如下。
(1)引線盡量短且加粗,這樣有較小的寄生電感。
(2)對于儲能電容,或者過電流比較大的器件,打孔時應盡量多打幾個。
(3)當然,電氣性能最好的扇孔是盤中孔。實際需要綜合考慮
濾波電路中電容的運用
EMC濾波器通常指由 L,C構成的低通濾波器。不同結構的LC濾波器其區別在于電容與電感的連接方式的不同。LC濾波器的有效性不僅與其結構有關,而且還與連接網絡的阻抗有關。如單個電容的濾波器在高阻抗電路中效果很好,而在低阻抗電路中效果很差。傳統上,在濾波器兩端的端接阻抗為 50 歐姆的條件下描述濾波器的特性,但是實踐中源阻抗Zs和負載阻抗Zi又非常復雜,并且它在要抑制的頻率點上可能是未知的。如果濾波器的一端或兩端與電抗性元件相聯結,則有可能會產生諧振,使某些頻率點的插入損耗變為插入增益。
如圖所示,一信號通路中,L 與 C 組成一低通濾波電路,由于在某一頻點的源阻抗 Zs 和負載阻抗 Zi 不可知,在使用時我們要避免參數組合后,將有用的頻率成分濾掉。在很多案例中,工程師往往比較青睞于使用102,104 容值的電容,沒有經過計算,有時可能適得其反。
通常電容的諧振是不會單獨存在的,一般電容的自諧振是由電容與自身引腳的等效電感或連接電容的導線形成的電感組成。我們在實際工作中根據計算公式可知:
F=1/(2*π*√LC)
串聯結構的LC在發生諧振時,其兩端阻抗最小,相當于短路;并聯結構的LC在發生諧振時,兩端阻抗最大,相當于開路。如圖 1 所示, L與C在產生諧振時,從信號流向分析(紅色箭頭所示),它是串聯諧振,對于串聯諧振電路的特性而言,相當于短路。如果LC的諧振頻點恰巧是我們想要濾除的干擾頻點,那么L和C構成的通路相當于短路,就能很好地達到濾除噪聲的目的。
例如在這一信號通路中,其中有用頻率為 5MHz,電路中的L值為 1uH,我們要濾除其信號通路上10MHz的干擾信號,就要避免增加的濾波電容C與L的諧振點落在5MHz附近,從而將有用信號濾除。如果根據經驗值選擇1000pF電容,通過上述諧振公式計算,計算出其諧振點為 5.03MHz,此時L C相當于短路,有用頻率通過LC 直接到地,達不到我們需要的效果,反而使電路工作不正常。我們應根據需要濾除的干擾頻率來選擇適當的電容值,通過諧振頻率公式代入計算,C 的取值為 253.3pF, 我們取最接近值即可。還需要注意的是,如果用插腳元件,引腳要盡可能的短,如果可能最好選用貼片器件,其ESL最小。可見,正確選擇濾波器的結構和元件參數至關重要。在實際的電路運用中,經驗值固然重要,但在某些場合下,經驗值是不值得提倡的,尤其在處理有用頻率的諧波成分時,一定要通過正確的方法進行估算后再取值。
如圖所示,要濾除線束上的噪聲干擾信號,優先選用低成本的電容器,有時反而會將某些干擾噪聲引至其它路徑,從而產生天線效應,導致輻射增強。選用電容時,要清楚地知道電容自身只起到能量的轉移,而能量并未被消耗,只有將電容接至低阻抗網絡時,才會達到濾波的效果。在實踐工作中,電容反向轉移的特性往往會被工程師們忽略,大家都會誤認為地永遠是純凈的,只要接地,都能解決問題,因此接地就成了整改工程師口中的萬能良藥。如下圖所示
假設信號線上有10dBm的電磁噪聲需要濾除,通常情況下首先會想到用電容進行濾波處理,此時,電容需要轉移的地,就一定要被關注,地是否干凈,是否低阻,是否存在地彈效應,是否會引起環路效應等等。假設地上的噪聲能量甚至比濾波對象的能量還要高,此時增加電容,就是會將地上的噪聲反向轉移至信號線上,信號線就成了最理想的輻射媒介。
共模電容
"共模電容"通常指的是差分信號中的共模電容,它是電路中一個重要的參數,特別是在差分放大器和通信系統中。
在一個差分信號中,有兩種信號:差模信號和共模信號。
1.差模信號(Differential Mode Signal): 這是兩個輸入信號的差異部分,即兩個信號的代數差。
2. 共模信號(Common Mode Signal): 這是兩個輸入信號的平均值或共同部分。
共模電容指的是信號對地的共模部分的電容。這個電容對于一些電路來說可能是有害的,尤其是在差分放大器中。在理想情況下,差分放大器只放大差模信號,而不對共模信號產生響應。然而,實際電路中總會存在一些不完美,其中一個影響是共模電容。
共模電容可能導致一些問題,比如:
共模噪聲(Common Mode Noise): 如果輸入信號中有共模噪聲,共模電容可能導致這些噪聲被放大,從而影響電路的性能。
共模抑制比(Common Mode Rejection Ratio,CMRR): 這是衡量差分放大器對共模信號的抑制能力的一個重要指標。共模電容的存在可能會影響CMRR,使得差分放大器對共模信號的抑制能力降低。
如圖1,3為差模電容,2為共模電感,4為共模電容。
一般濾波器不單獨使用差模線圈,因為共模電感兩邊繞線不一致等原因,電感必定不會相同,因此能起到一定的差模電感的作用。如果差模干擾比較嚴重,就要追加差模線圈。
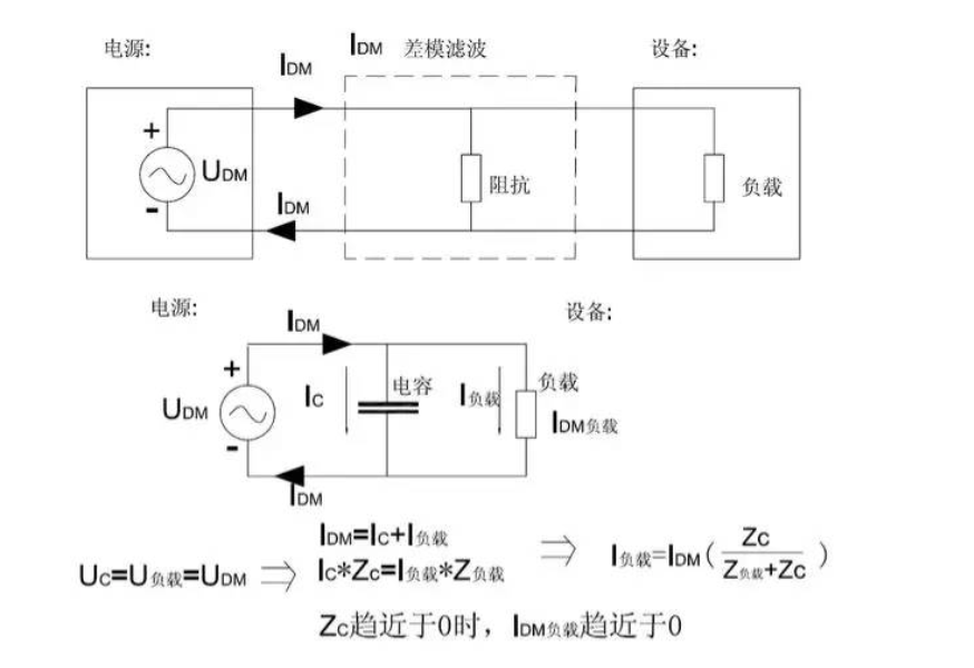
差模電容
可以看到,電容特性低頻率高阻抗高頻率低阻抗。濾波器利用電容在高頻時它的低阻抗短路掉差模千擾。(如圖下圖所示: )當頻率為50Hz時,電容阻抗趨近于無窮大,相當于短路,不起任何衰減作用當頻率為500kHz時,電容阻抗很小,根據上式可以看到差模負載的電流衰減為趨近于0如當頻率為500kHz時負載50歐容抗0.05歐。
此時電容分得了99.9%的差模干擾電流,而負載只分得了0.1%的差模干擾電流也就是說500kHz時,電容使得差模干擾下降了30dB。
免責聲明:本文為轉載文章,轉載此文目的在于傳遞更多信息,版權歸原作者所有。本文所用視頻、圖片、文字如涉及作品版權問題,請聯系小編進行處理。
推薦閱讀:
實現最高效的數據轉換:深入了解Achronix JESD204C解決方案



