【導讀】隨著電流系統的發展,在如今的電力系統當中,電流互感器得到了廣泛的應用,特別是電磁式電流互感器,其工作原理與變壓器類似,都是通過運用電磁感應的的原理從而進行工作。根據磁動勢平衡的原理,鐵心2的一個與二次的激磁按匝相同,通過匝數比實現電流的變換。
隨著電流系統的發展,在如今的電力系統當中,電流互感器得到了廣泛的應用,特別是電磁式電流互感器,其工作原理與變壓器類似,都是通過運用電磁感應的的原理從而進行工作。根據磁動勢平衡的原理,鐵心2的一個與二次的激磁按匝相同,通過匝數比實現電流的變換。
電流互感器在工頻測量領域有著非常悠久的歷史,到目前為止已經發展成非常成熟的產品。電流互感器不論是適用性還是jing度指標方面已經完全適應當今的工頻測量,電流互感器的接線圖也相對比較簡單,只要稍加注意,在實際使用中就可以得到很好應用。
一相式接線
該接線方式電流線圈通過的電流,反應—次電路相應相的電流。通常用于負荷平衡的三相電路如低壓動力線路中,供測量電流、電能或接過 負荷保護裝置之用。

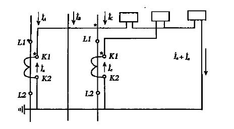
兩相V形接線
該接線方式也稱為兩相不完全星形接線。在繼電保護裝置中稱為兩相兩繼電器接線。在中性點不接地的三相三線制電路中,廣泛用于測量三相電流、電能及作過電流繼電保護之用。兩V形接線的公共線上的電流反映的是未接電流互感器那一相的相電流。

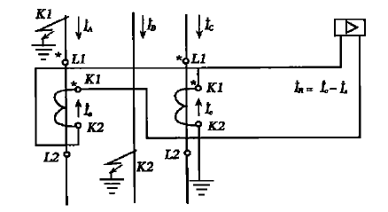
兩相電流差接線
在繼電保護裝置中,此接線也稱為兩相一繼電器接線。該接線方式適于中性點不接地的三相三線制電路中作過電流繼電保護之用。該接線方式電流互感器二次側公共線上的電流量值為相電流的1.73(根號三,注:可 能前面顯示不出)倍。也僅用于三相三線制電路中,中性點不接地,也無中性線,這種接線的優點是不但節省一塊電流互感器,而且也可以用一塊繼電器反映三相電路中的各種相間短路故障,亦即用少的繼電器完成三相過電流保護,節省投資。但故障形式不同時,其靈敏度不同。這種接線方式常用于 10kV 及以下的配電網作相間短路保護。由于此種保護靈敏度低,現代已經很少用了。

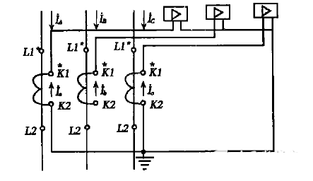
三相星形接線
這種接線方式中的三個電流線圈,正好反映各相的電流。廣泛用在負荷一般不平衡的i相四線制系統中,也用在負荷可能不平衡的三相三線制系統中,作三相電流、電能測量 及過電流繼電保護之用。

(來源:維庫電子市場網)
免責聲明:本文為轉載文章,轉載此文目的在于傳遞更多信息,版權歸原作者所有。本文所用視頻、圖片、文字如涉及作品版權問題,請電話或者郵箱editor@52solution.com聯系小編進行侵刪。
推薦閱讀:




