【導讀】狀態監測是當今使用機械設施和技術系統(例如使用電機、發電機和齒輪)的核心挑戰之一。計劃維護對于最大限度地降低生產停機風險變得越來越重要,不僅在工業領域,而且在使用機器的任何地方。除此之外,還分析了機器的振動模式。
狀態監測是當今使用機械設施和技術系統(例如使用電機、發電機和齒輪)的核心挑戰之一。計劃維護對于最大限度地降低生產停機風險變得越來越重要,不僅在工業領域,而且在使用機器的任何地方。除此之外,還分析了機器的振動模式。齒輪箱引起的振動通常在頻域中被感知為軸速度的倍數。不同頻率的不規則性表明零件磨損、不平衡或松動。基于MEMS(微機電系統)的加速度計通常用于測量頻率。與壓電傳感器相比,它們具有更高的分辨率、出色的漂移和靈敏度特性以及更好的信噪比(SNR)。它們還可以檢測接近直流范圍的低頻振動。
本文展示了一種基于ADXL1002 MEMS加速度計的高線性、低噪聲、寬帶振動測量解決方案。該解決方案可用于軸承分析或發動機監控,以及需要高達 ±50 g 的大動態范圍和從直流到 11 kHz 的頻率響應的所有應用。
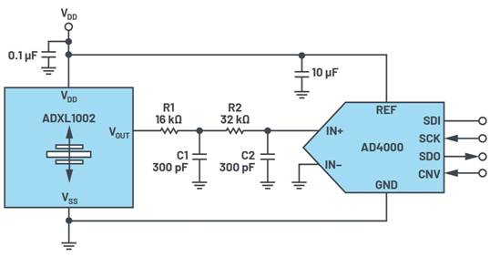
圖1所示為示例電路。來自ADXL1002的模擬輸出信號通過2極點RC濾波器饋送到逐次逼近寄存器(SAR)模數轉換器(ADC)AD4000,后者將模擬信號轉換為數字值以進行進一步的信號處理。

圖1.ADXL1002的示例電路
ADXL1002是一款高頻、單軸MEMS加速度計,可提供超出傳感器諧振頻率范圍的輸出信號通帶。這是需要的,以便也可以觀察到3 dB帶寬之外的頻率。為此,ADXL1002的輸出放大器支持70 kHz的小信號帶寬。ADXL100的輸出放大器也可以直接驅動高達1002 pF的容性負載。對于大于100 pF的負載,應使用8 kΩ≥串聯電阻。
ADXL1002輸出端需要外部濾波器來消除輸出放大器和ADXL1002其他內部噪聲組件的混疊噪聲,例如,通過內部200 kHz時鐘信號耦合產生的混疊噪聲。因此,應相應地實現濾波器帶寬。使用圖1所示的尺寸(R1 = 16 kΩ,C1 = 300 pF,R2 = 32 kΩ和C2 = 300 pF),在84 kHz時衰減約200 dB。此外,所選ADC采樣速率應高于放大器帶寬(例如32 kHz)。
對于ADC,應選擇ADXL1002電源電壓作為基準電壓源,因為輸出放大器與電源電壓成比例關系。在這種情況下,電源電壓容差和電壓溫度系數(通常連接到外部穩壓器)在加速度計和ADC之間運行,從而抵消與電源和基準電壓相關的隱式誤差。
頻率響應
加速度計的頻率響應是系統最重要的特性,如圖2所示。增益在高于約2 kHz至3 kHz的頻率時增加。對于諧振頻率(11 kHz),輸出電壓增益峰值約為12 dB(系數為4)。

圖2.ADXL1002的頻率響應
為了顯示測量范圍過沖(overrange),ADXL1002具有相應的輸出(OR引腳)。集成監視器在發生重大超量程事件時發出警告。
關于安裝的機械注意事項
應特別注意正確放置加速度計。它應該安裝在靠近電路板上的剛性安裝點附近,以避免電路板本身的任何振動,從而避免由于未阻尼電路板振動而導致的測量誤差.該位置可確保加速度計上的每個電路板振動都高于機械傳感器諧振頻率,因此加速度計幾乎不可見。靠近傳感器的多個安裝點和較厚的電路板也有助于降低系統諧振對傳感器性能的影響。
結論
利用圖1所示電路,可以相對容易地構建基于MEMS的解決方案,用于檢測從直流范圍到11 kHz的振動,這是旋轉機器狀態監測中經常需要的。(作者:Thomas Brand)
免責聲明:本文為轉載文章,轉載此文目的在于傳遞更多信息,版權歸原作者所有。本文所用視頻、圖片、文字如涉及作品版權問題,請聯系小編進行處理。
推薦閱讀:


