【導讀】在許多惡劣環境系統中,一個不斷增長的趨勢是高精密電子器件離高溫區域越來越近。這一趨勢背后有多個推動因素,在能源勘探、航空航天、汽車、重工業和其他終端應用中都有體現。
例如,在能源勘探領域,環境溫度增幅為深度的函數,相關設備的典型工作溫度為175°C及以上。受尺寸和功率限制,有源冷卻不太實際,熱對流非常有限。在其他系統中,需要把傳感器和信號調理節點置于高溫區域附近,比如發動機、剎車系統或高功率能源轉換電子器件,以提高系統的整體可靠性或降低成本。
從歷史上來看,工程師要為這些應用設計出可靠的高性能電子器件是非常困難的事,因為市場上缺少制造商為這些工作條件生產指定的組件。幸運的是,近年來出現了越來越多的(IC和無源)組件,制造商指定的工作溫度高達175°C及以上。另外,最近的參考設計也偏重于性能,將部分這些組件在信號鏈子系統中結合起來,實現精密數據采集,以使系統設計師能更快地采用相關技術(如 CN-0365),并幫助他們降低設計風險、縮短上市時間。但在此之前,在高溫精密數據采集方面,距離特性良好、廣泛可用的全功能平臺還存在一些差距。
在本文中,我們將介紹一種新型高溫精密數據采集與處理平臺,其工作溫度高達200°C。該平臺包括一個高溫電路組件,以及一個數據采集前端和微控制器、優化的固件、數據采集與分析軟件、源代碼、設計文件、材料清單和測試報告。該平臺適合參考設計、快速原型制作和高溫儀器儀表系統實驗室測試。電路組件的尺寸和結構均經過特別設計,可兼容石油天然氣儀器儀表的尺寸要求,但也可作為其他高溫應用的基礎。
硬件架構概述
油氣勘探中使用的儀器儀表(也稱為井下工具)與許多精密數據采集與控制平臺類似,但對性能和可靠性有著具體的要求,可以作為本參考平臺的案例進行研究。在該應用中,系統來自各類傳感器的信號采樣,以收集與周圍地質構造相關的信息。這些傳感器可能是電極、線圈、壓電傳感器或其他傳感器。加速度計、磁力計和陀螺儀可以提供有關鉆柱的傾角和轉速信息。這些傳感器中有一些的帶寬要求極低,其他傳感器則能提供音頻頻率范圍內或以上的信息。需要使用多個采集通道,還必須在高溫(一般為175°C及以上)下維持高精度。另外,這些儀器儀表中很大一部分采用電池供電,或者可用電能有限,因此,必須具有低功耗和多個工作模式的特點,以實現功耗優化。
在有關電子系統的要求以外,井下應用還存在機械上的限制,可能決定著電子組件的尺寸,也可能會影響組件的封裝和選擇。對于后一個問題,我們將在后面各節里詳細討論,目前要注意的是,這一段的電路組件一般對電路板寬度有限制。必須將電子組件放在鉆探作業中使用的管狀壓力容器中,因此其長寬比具有狹長的特點。這種形狀上的特點限制了可用組件的尺寸和密度,也可能限制組件布局和信號路由的分割方式,結果可能對高精度電子器件的性能造成影響,因此,要特別注意布局和其他封裝設計細節。圖2所示為一種典型尺寸、裝在一個管狀壓力容器里的電路組件(透明,頂部),裝上電路板后管狀壓力容器的橫截面(底部)。
本文討論的可靠參考設計平臺基于CN-0365模擬前端參考設計,其目的是為基于高溫低功耗微控制器的精密數據采集和控制解決方案奠定基礎,使其符合眾多井下儀器儀表和其他高溫電子器件的要求。基于AD7981 模數SAR轉換器,該參考設計展現了一種全功能的系統,帶2個高速同步采樣通道和8個額外的多路復用通道,可滿足廣泛的井下工具的數據采集需求(共10個通道)。該模擬前端通過SPI端口接入來自聯盟合作伙伴Vorago Technologies和Petromar Technologies的VA10800 ARM® Cortex®-M0。該設計是不斷壯大的 ADI高溫應用產品和解決方案生態系統里的最新成員。

圖1. 高溫參考平臺。
采集后,可以在本地處理數據,也可通過UART或可選的RS-485通信接口傳輸出去。電路板上的其他配套組件(包括內存、時鐘、電源和無源器件)均為各自供應商指定的、支持高工作溫度的器件,經驗證,這些組件能在200°C或以上的溫度下可靠地工作。圖1和圖2所示為該高溫參考平臺的實際電路板圖和高層次功能框圖。圖2所示電路板展示的是井下電路板布局和尺寸,約長11.4英寸、寬1.1英寸。

圖2. 井下電子組件尺寸。
CN-0365應用筆記中全面地介紹了該平臺精密數據采集通道的設計問題。該設計是這個平臺上的三個ADC輸入的基礎,不過,為了滿足電路板尺寸要求,使平臺能在最高200°C的溫度下可靠地工作,主要在無源元件選擇方面進行了一些調整和優化。參考采集通道電路如圖4所示。有2個能在高采樣速率下工作的數字多路復用通道,每一個都含有一個完整的數據采集通道(與CN-0365類似)。還有一個模擬多路復用通道,其在輸入之前添加了一個ADG798多路復用器,并針對低吞吐量輸入進行了優化。R1和R3為U1的同相輸入提供1.25 V偏置電壓,防止其在斷開時或者取消選擇多路復用器時,浮動至模擬輸入的供電軌??梢愿腞8和R9,以提高U1的增益。R4、R7和C1是抗混疊濾波器,但也可以將它們重新配置為衰減器或交替濾波器配置。R5、R6和C4構成ADC驅動器與ADC輸入之間的RC濾波器,該濾波器的作用是限制到達ADC輸入的帶外噪聲量,并衰減來自ADC輸入開關電容的反沖電壓。

圖3. 高溫參考平臺功能框圖。

圖4. ADC驅動器配置。
設計該平臺就是為了利用AD7981 ADC的多個關鍵特性。這款16位、600 kSPS轉換器能提高超過85 dB的典型SINAD以及±0.6 LSB的典型INL,其中,基準電壓源為2.5V且無丟碼。采用5 V基準電壓源時,可以實現90 dB以上的SINAD,但在本平臺中,為了維持與較低電壓系統的兼容性,我們沒有選擇這一規格。由于ADC內核在轉換周期之間會自動進入省電狀態,因此,ADC的功耗會隨吞吐量自動線性變化。在使用低采樣速率的轉換器時,這樣做可以實現節能。
軟件概述
固件
平臺的固件基于FreeRTOS操作系統制成,可以方便地集成任務,如數據處理和其他通信。我們對代碼進行了優化,以便非多路復用通道0和1能高效地完成快速ADC轉換,多路復用通道2到9的轉換耗時低至10 μs。轉換結果可以在本地處理,也可以2 Mbps的速率從UART通道中傳輸出去。轉換結果緩沖器的大小為16 kB(8k次采樣結果),既可在多個通道之間共享,也可專門供一個通道使用。該固件以開源格式提供,最終用戶可以對其進行定制,還可將其作為最終應用的基礎。
數據采集與分析軟件
圖5所示為數據采集與分析軟件,基于.NET接口設計,電源組件通過一個USBUART-TTL電平轉換器。借助定義明確的協議,可以與硬件(包括控制和數據流)進行通信。數據可以在突發模式下采集數據,也可連續采集。另外納入了數據分析功能,以在時域和頻域分析與驗證SNR、THD和SINAD(如FFT)。也可將數據記錄到文件(如導出到Excel),以便存儲起來或者在其他應用中進行處理。就如固件一樣,我們免費提供了數據采集軟件的源代碼,最終用戶可以進行定制。

圖5. 數據采集與分析軟件。
高溫構造
本參考平臺采用適合在200°C條件下工作的組件和其他材料制成。平臺上使用的所有組件均為各自制造商指定的高溫工作組件(另有說明時除外),并且全球經銷商網絡已經開始大量供貨。全部BOM、PCB布局圖和裝配圖紙都隨參考設計包免費提供。
電容
用C0G或NP0電介質電容進行小容值的濾波器和去耦。這些電介質電容的溫度系數表現極其平坦,一般而言,其對屈曲應力的耐受性更好。為使RC濾波器具有高Q、低溫度系數,并且在變化電壓下具有穩定的電氣特性,建議使用C0G或NP0型電容。我們用小尺寸0805或以上陶瓷器件減小了組件與PCB之間的CTE失配。出于大量存儲需要,我們選擇了高溫鉭電容,并在尺寸與ESR之間進行了平衡。實際上,圖8最終表明,使用100 kΩ和1 MΩ電阻時,穩定性確實會受到影響。由于輸出電壓會受到嚴格濾波,所以,柵極電壓就變成了振鈴檢測器。振鈴表示相位裕量糟糕或為負值,振鈴頻率顯示交越頻率。
電阻
設計主體部分采用薄膜SMT電阻(汽車級PATT系列),市場上貨源充足。另外,根據設計需要,針對特定值和尺寸選擇了部分厚膜SMT電阻。
連接器
電路板連接著一個額定溫度為200°C的Micro-D,后者常用于高可靠性行業。為了減少信號串擾,我們對連接器外殼進行了特別處理,將其接地至組件中的PCB。對于要求最高信號完整性和最低串擾的應用,則要采用高溫專業連接器(或者無連接器)和同軸或屏蔽平衡輸入,以減少串擾。
PCB設計和布局
在井下應用中宜選擇狹長形的PCB,因為這些應用里的電路板必須符合鉆孔和耐壓殼限制要求。選擇的電路板材料是一種耐高溫無鹵聚酰亞胺。指定電路板厚度為0.093英寸而非0.062英寸的標準厚度,因為這樣可以增加剛度和平坦度。
采用鎳金表面處理,其中鎳提供一個壁壘,可防止金屬間增生,金則為接頭焊接提供一個良好的表面。
對于選擇的0.093英寸電路板厚度,典型的四層堆疊中有一個約13密耳的銅隔離層和一個60密耳的大內核。如果是六層結構,則隔離層一般厚9.5密耳和28密耳。為此,我們采用了六層設計,這樣就可以在每個信號層設置一個接地層,從而改善噪聲性能。
電源和數字通信信號饋入一個連接器,模擬信號則饋入反向連接器。這樣就可以在數字域與模擬域之間實現良好的隔離和信號流。地的分割設在電路板中間,電源濾波則設于分隔處附近。盡量減少與分隔層相交的數字控制線路,采用串聯端接以減少數字噪聲耦合。用銅網絡接線在一個點把數字和模擬接地層焊接起來,為驅動源提供一個低阻抗回路。
多路復用器控制信號與模擬部分長度相同,但其敷設路徑與關鍵模擬信號路徑隔開。在實踐中,這些多路復用控制線路會與采集數據測量同步改變,從而最大限度地減少了串擾效應。
焊接
選擇Sn95/Sb05是為了在200°C的工作溫度下提供足夠高的熔點(>230°C),同時還考慮了良好的操作性和裝配工廠的現有加工能力。
電路板安裝
我們在這塊電路板上提供安裝柱是出于方便考慮,其僅適用于基準測試或實驗室環境,不適合強沖擊和強震動環境。如果要用于強沖擊和強震動環境,可以先用環氧樹脂把組件固定在電路板上。對于IDC接頭等脆弱組件,可以采用密封方式或者從裝配件中移除。在井下或其他惡劣環境中,典型安裝方式是采用導軌安裝系統,用柔性抗沖擊安裝墊圈把整個電路板固定起來。也可以把裝配件完全密封起來并裝入安裝硬件中,然后把安裝硬件固定到底盤或外殼上。
性能測試結果
我們對多塊電路板進行了廣泛的測試,以評估其在工作溫度范圍內的典型性能;同時還在200°C環境溫度下浸泡了200小時,以便測定裝配工藝和電路板的可靠性。
交流和直流信號鏈性能是基于SAR ADC的精密數據采集系統的一項關鍵精度指標。當ADC以600 kSPS的速率運行并且工作溫度為200°C時,魯棒的比率式平臺的串擾性能可達–100 dB以上,最大失調漂移達±60 mV。對于交流測試,用一個1 kHz的低失真音作為輸入信號,并用+5 VDC/–2.5 VDC模擬電源為電路板供電。圖6所示為該信號音在400 kSPS下的FFT及頻譜分析計算結果。在200°C下,SNR優于84 dB,THD達–96 dB。圖7所示為SNR和SINAD,圖8所示為采用同一輸入音時,非多路復用通道在工作溫度范圍內的THD。

圖6. 200°C下的FFT及頻譜分析結果。

圖7. 工作溫度范圍內的SNR和SINAD。

圖8. 工作溫度范圍內的THD。
我們測量了模擬和數字供電軌在工作溫度范圍內的功耗,結果如圖9所示。室溫下的總功耗為155 mW,200°C下則增至225 mW。3.3 V供電軌上的功耗由以全時鐘速率運行的微控制器和一個精密震蕩器為主。我們為轉換器設定的突發采樣速率為每秒8192個樣本。

圖9. 2.5 V、3 V和5 V供電軌的功耗
有關額外參數的測試結果請參閱參考平臺,其額定參數指標符合 200°C工作溫度要求。
應用示例
油氣勘探、航空航天和重工業領域的多種應用通過加速度計實現定向和震動檢測。搭載模擬輸入的加速度計具有最高的精度,而且非常靈活,能根據應用需要調節傳感器輸出。
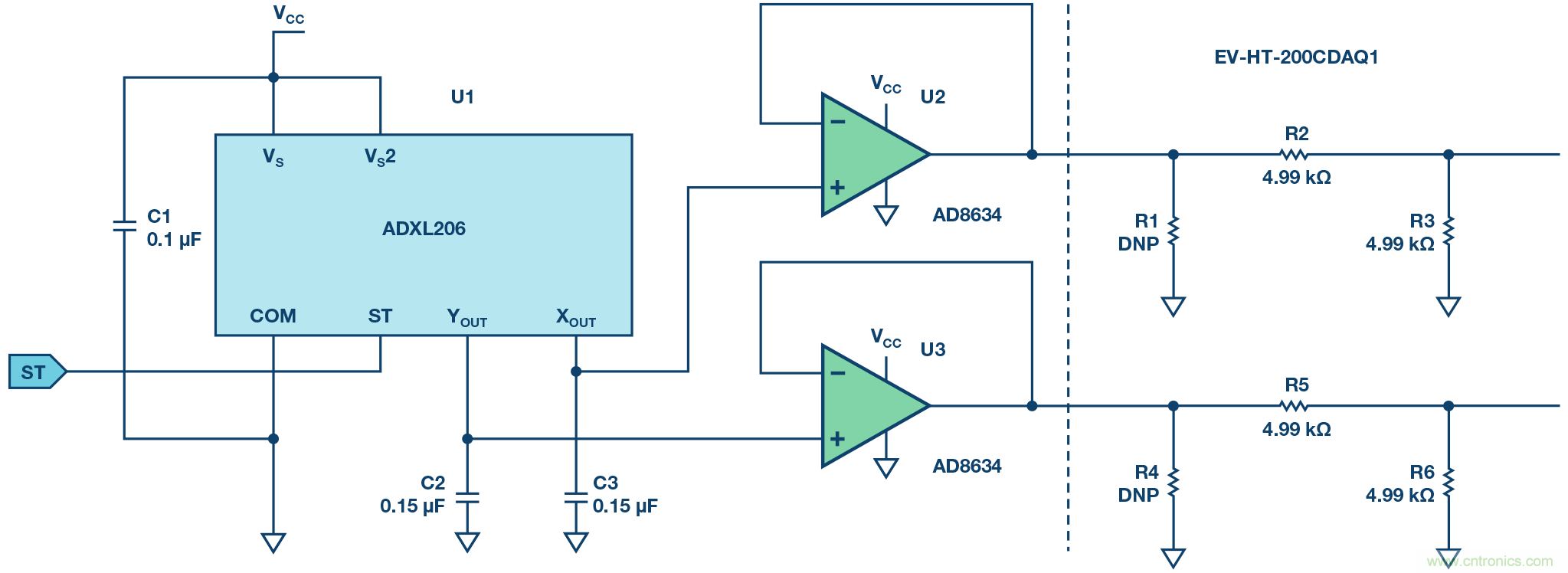
ADXL206 是一款完整的精密型低功耗雙軸iMEMS®加速度計,可用于高溫環境。其范圍為±5 g,帶寬范圍為0.5 Hz至2.5 kHz。ADXL206的輸出以½ VCC為中心,與VCC成比率。如果ADXL206和 EV-HT-200CDAQ1共用VCC(在連接器上提供),則可以用多路復用器S7通道上的VCC 基準電壓源清零直流失調和電源漂移。圖10為一個示例電路。必須按½的比例因子對ADXL206的信號范圍(0 V至5 V)進行調節,使其與精密數據采集系統0 V至2.5 V的范圍相擬合。具體方法是,先緩沖輸出,然后使用數據采集系統內部的衰減器。C2和C3設定ADXL206的帶寬;圖9中的例子所示帶寬為33 Hz。低帶寬應用可以使用多路復用器輸入;要實現最高的帶寬和精度,可以使用兩個非多路復用輸入通道。

圖10. 高溫加速度計與EV-HT-200CDAQ1的接口。
小結
本文介紹了一種新的、高度集成的魯棒型精密數據采集參考平臺,EV-HT-200CDAQ1,該平臺經過測定,其參數指標符合200°C工作溫度要求。借助該平臺,高溫電子系統設計師可以在原型制作和評估中使用最先進的組件,從而縮短開發時間和上市時間。




