【導讀】差分信號輸出,信號類型主要為LVDS、LVPECL等信號。優點是抗干擾能力強,可實現低功耗,缺點是布線需謹慎,且價格相對較高。
差分振蕩器與普通晶體振蕩器在高速信號傳輸中的差異對比
晶振小課堂之技術篇
在高速信號傳輸中,差分振蕩器與普通晶體振蕩器的差異如下:
普通晶體振蕩器
單端信號輸出,信號類型主要為CMOS或TTL。在高速信號傳輸中,其表現如下:
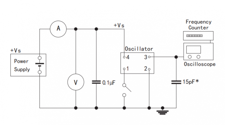
測試電路:
1、電平幅度大,信號高低電平之間的轉換時間長,不適用于傳輸頻率達到100MHZ以上的信號。
2、輸出信號為單端信號(一條線),傳輸路徑易受到干擾,不利于長線傳輸。
3、功耗大,如TTL器件的靜態功耗較大,即使靜態功耗小的CMOS器件,由于電平擺幅寬,其動態功耗也偏大。
差分振蕩器
差分信號輸出,信號類型主要為LVDS、LVPECL等信號。優點是抗干擾能力強,可實現低功耗,缺點是布線需謹慎,且價格相對較高。
測試電路:
差分振蕩器工作原理及優勢特點如下:差分信號是由二條線傳輸,會輸出一組振幅相同、相位相反的信號,而接收端則會根據兩個信號的電壓差值來判斷邏輯狀態。所以在高速通信中,差分信號的抗干擾特性明顯優于單端信號。
免責聲明:本文為轉載文章,轉載此文目的在于傳遞更多信息,版權歸原作者所有。本文所用視頻、圖片、文字如涉及作品版權問題,請聯系小編進行處理。
推薦閱讀:
擴大40年期電源電壓范圍,從<300uA到3A無電阻電流檢測解決方案





