【導讀】在之前“高增益、高帶寬,如何兩者兼得?”一文中,我們探討了如何在實現高增益和高帶寬的同時還能保持足夠高的信噪比 (SNR)。這篇文章里我們將更加詳細地討論實施方法和可能發生的問題。
由于目標增益非常高,首先需要檢查直流 (DC) 工作的情況,以檢驗輸出偏移電壓是否處于預設范圍以內。如果超出增益級和放大器直流參數、輸入偏置電流和輸入偏移電壓預設的范圍,則電路明顯可能存在振蕩。系統振蕩體現為多種形式,如噪聲增大、輸出偏移電壓以及在無負載情況下靜態電流增大等,不一而足。
如果發生振蕩、電路為高增益直流耦合且各級工作正常,則耦合每一級的交變電流 (AC) 會將輸出偏移電壓當作電位問題掩蓋。現在唯一剩下的問題就是消除不良的寄生特性。
在存在正反饋環路,或當系統的相位裕度不足的時候,就會發生振蕩。由于放大器本身處于穩定狀態且負載為阻性,唯一可能的原因就是存在正反饋環路。
圖 1 所示的下列電路可通過調整放大器在低頻率下的噪聲增益來處理較大的 DC 偏移。由此,任何直流分量在輸出端的增益僅為 1-V/V。此外,圖 1 還顯示了電源是通過電源層連接的。圖中給出了每個放大器的本地電源旁路電容器,但為簡化起見省略了全局電源旁路電容器。

圖 1:帶電源層的多級放大器原理圖
試想,未級正在驅動一個重負載,電流將從電源流入負載。該電流將對電源軌造成擾動。由于多級放大器的電源軌連接在一起,我們將在第一級和第二級察覺到這種擾動。擾動會出現在第一級的輸出,只有第一級的電源抑制比 (PSRR) 可以衰減,然后再由第二級和第三級的信號增益放大。
如果擾動頻率的 PSRR 低于第二級和第三級增益的乘積,那么負載產生的擾動就會被放大。換言之,電源軌上存在正反饋環路。
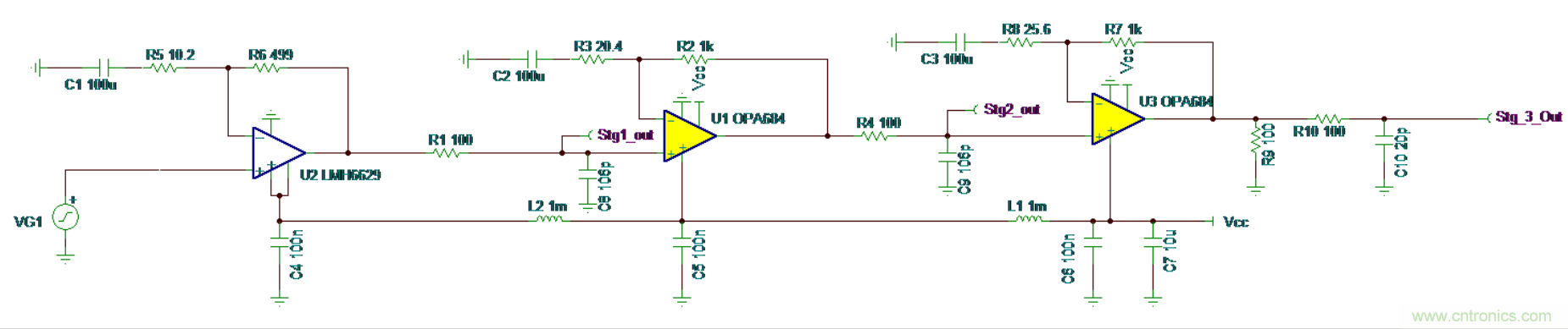
解決的方法非常簡單,細致地進行電路板的板面布局,讓電源先給未級供電,同時在各級之間插入一個串聯電感器。在下圖所示的三級放大器中,我們只給每個電源添加了兩個電感器。在圖 2 中,我們只在正電源上實施這種方法。注意,負電源可能也需要這樣處理。

圖 2:在各級間實施電源隔離
圖 2 所示的范例采用了 LMH6629 作為第一級,OPA684 作為第二級和第三級。
采用 +5V 電源即可實現良好的 5MHz 的平坦頻帶,-3dB 帶寬為 10MHz。對于 10uV信號,在放大率為 100,000V/V 的情況下,得到的 SNR 為大約 12dB。

圖 3:每級之后的頻率響應
推薦閱讀:





