【導讀】工業應用中,功率半導體的驅動電源功率不大,設計看似簡單,但要設計出簡單低成本的電路并不容易。這就需要一個集成度高,外圍器件少,功率密度高的DCDC輔助電源方案,減小線路板面積,這對避免受干擾,提高可靠性也有幫助。這是開發EiceDRIVER? Power 2EP系列的背景。
工業應用中,功率半導體的驅動電源功率不大,設計看似簡單,但要設計出簡單低成本的電路并不容易,主要難點有幾點:
1. 電路要求簡潔,占用線路板面積要小
一個EasyPACK? 2B 1200V 100A六單元IGBT模塊,周長20cm,占板面積27cm2,很小,在四周要安排布置6路驅動和4-6路隔離電源并不容易,如果需要正負電源就更復雜。
2. 電力電子系統需要滿足相應的安規和絕緣配合標準,保證合規的爬電距離和電氣間隙,這使得PCB面積更捉襟見肘。
3. 對于中大功率的功率模塊,驅動板會放在模塊上方,會受熱和直面較強的電磁干擾。
4. 微溝槽IGBT7的QG也比較大,需要更大功率的驅動電源。
這就需要一個集成度高,外圍器件少,功率密度高的DCDC輔助電源方案,減小線路板面積,這對避免受干擾,提高可靠性也有幫助。這是開發EiceDRIVER? Power 2EP系列的背景。

2EP100R是全橋變壓器驅動器集成電路,頻率調節范圍50至695kHz,占空比從10%到50%可調,可產生正負非對稱輸出電壓,為隔離型柵極驅動器提供正負電源,在15V輸入,+15V/-7.5V輸出時,典型功率為5W,如果提高輸入電壓和占空比,輸出功率可望達到13W。2EP還集成了可調節過流閾值、輸出短路保護、過溫保護和UVLO保護等功能,使得驅動電路能正常可靠工作。
基本電路框圖
從管腳6和7的內部電路可以看出,這是一顆全橋驅動器,除了低壓、過溫、平均電流和峰值電流檢測和保護的功能外,振蕩器和占空比有精度保證,還帶有預充電、軟啟動功能。

典型應用電路
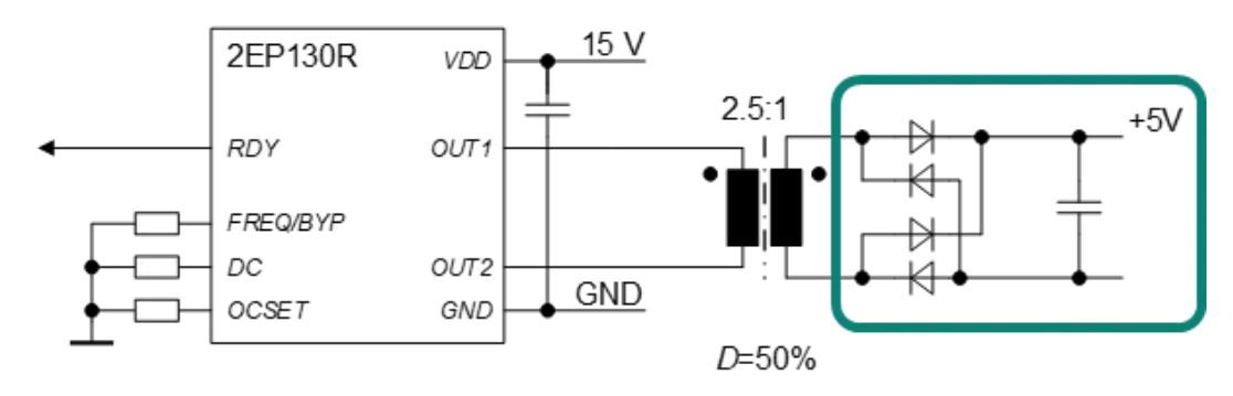
全橋整流
選擇50%占空比,次級通過全橋整流就能實現單電源輸出,當變壓器匝數比2.5:1時,輸出電壓為+5V,優點是輸出紋波小,缺點是需要四個二極管,每半周都需要流過兩個二極管,兩倍的整流二極管損耗,尤其當輸出電壓低的時候靜態損耗占比大。

倍壓整流
倍壓整流比較容易設計,只要選擇50%占空比,變壓器匝數比1.8:1,次級通過倍壓整流就能實現正負輸出比固定為2:1,即15V和負-7.5V,這電壓對于中功率IGBT模塊驅動非常友好。
單繞組輸出的倍壓整流會在變壓器上引入不對稱負載電流,這些不對稱電流在輸入端的電阻性元件上產生不對稱壓降,其結果是變壓器正負電壓的電壓和時間乘積不相等,這將導致變壓器磁芯的B-H曲線上的工作點發生偏移,變壓器會部分飽和。
解決方法是在次級倍壓整流的輸入端串聯電容器。更多的驅動電路實際上需要2-4-6路,雙數繞組輸出的變壓器,只要將一對倍壓整流的變壓器同名端相反連接,由于一般情況下各個路負載相等,這樣就可以平衡變壓器,可能不需要串聯電容器。

倍壓整流原理和設計請參考評估板EVAL-2EP130R-VD帶雙輸出倍壓整流的2EP130R變壓器驅動器評估板的應用手冊,需要購買評估板和索取PCB參考文件等請填寫表單。
峰值整流
峰值整流可以通過調節占空比,實現寬范圍的正負隔離輸出電壓。
2EP占空比10%-50%可調,使得正負輸出比范圍為1:1到9:1,而變壓器初次級繞組匝數比決定輸出正負電壓值,可以方便匹配IGBT、SiC MOSFET驅動電路設計需要。
由于占空比可能不是50%,電壓波形的不對稱占空比就會產生直流分量,造成變壓器直流偏置從而飽和,所以我們需要在初級繞組串聯一個隔直電容。
例子中,占空比DC取33%,變壓器匝比TTR=1.25,所以輸出電壓是+15V/-7.5V,與倍壓整流一致。峰值整流把隔直電容從初級移到次級,避免變壓器飽和問題,器件也少,更推薦。
改變參數,DC=22%,TTR=1.5,輸出電壓是+15V/-4V,適合SiC MOSFET。
改變參數,DC=14%,TTR=1.4,輸出電壓是+15V/-2.5V,適合SiC MOSFET。

總結
對于IGBT驅動一般可以采用+15/-15V和+15V/-7.5V或+15V單電源驅動,DCDC電路可以采用全橋整流、全波整流和倍壓整流,這些電路設計簡單,容易實現。
對于SiC MOSFET,不推薦用太低的負壓,對于IGBT來說,合理選擇負壓也可以減小驅動功率,尤其是新一代微溝槽IGBT的柵極電荷QG比較大,需要驅動功率也大,減小負壓有積極意義。
實現任意負壓建議采用峰值整流,2EP占空比10%-50%可調,使得正負輸出比范圍為1:1到9:1,而變壓器初次級繞組匝數比決定輸出正負電壓值,可以方便匹配IGBT、SiC MOSFET驅動電路設計需要。
峰值整流原理和設計比較復雜,請參考評估板EVAL-2EP130R-PR和EVAL-2EP130R-PR-SIC的應用手冊。需要購買評估板和索取PCB設計文件等請填寫表單。
a) EVAL-2EP130R-PR:2EP130R變壓器驅動器評估板,具有雙輸出峰值整流和可定制的輸出電壓,適用于MOSFETS和IGBT。
b) EVAL-2EP130R-PR-SIC:用于SiC MOSFET的雙輸出峰值整流2EP130R變壓器驅動器評估板。
(作者:陳子穎,文章來源:英飛凌工業半導體)
免責聲明:本文為轉載文章,轉載此文目的在于傳遞更多信息,版權歸原作者所有。本文所用視頻、圖片、文字如涉及作品版權問題,請聯系小編進行處理。
推薦閱讀:






