【導讀】通過使用開關穩壓器,可以顯著抑制電路的發熱量,不僅更節能,還可以減小散熱器尺寸,從而能夠減小電路規模并設計出低發熱的電源電路。
通過使用開關穩壓器,可以顯著抑制電路的發熱量,不僅更節能,還可以減小散熱器尺寸,從而能夠減小電路規模并設計出低發熱的電源電路。
用開關穩壓器制作DC-DC轉換器
開關穩壓器IC是一種從一定的直流電壓中獲得所需電壓值的電源IC,用于控制開關式的DC-DC轉換器。
還有一種方法是通過使用了齊納二極管或三端穩壓器等器件的電路從高電壓產生所需電壓(降壓),但如果需要幾安培的大電流,就需要通過開關穩壓器來降壓了。
比預期更易用的開關穩壓器IC
這次使用的開關穩壓器IC ROHM BD9E301。表面貼裝型SOP8封裝,但也可通過轉換板在萬用板上使用。
開關穩壓器的優點
在電源電路中使用開關穩壓器的好處是“效率高”。使用開關穩壓器時需要一些外置器件才能使用。與三端穩壓器不同,它僅憑IC和電容器是無法工作的,這部分因素可能會給人一種難以下手的印象。
知道開關式穩壓器工作原理的人,可能會因為“必須附上振蕩器和線圈之類的器件才能用,對吧?”這種先入為主的偏見而不太喜歡開關穩壓器。其實,由于最近的開關IC中內置了大部分功能,因此所需的外置元器件很少,電路設計已經越來越容易了,不需要花費太多的時間和精力。
雖然用來降低電壓的降壓電路方式有很多種,但使用開關穩壓器的方式可以實現高達80%~95%的轉換效率。其他還有使用三端穩壓器的方式,但效率通常只有50%以下,功耗浪費嚴重,而且發熱量非常大。需要將較大負載連接到降壓電路時,可以通過使用開關穩壓器來創建發熱量少的節能型電路。
創建DC-DC轉換器電路
現在,我們要使用開關穩壓器IC制作DC-DC轉換器了。
這次,我們將使用一款從12V電源的輸入可以輸出5V/2A的DC-DC轉換器。這個輸出規格的話,可以驅動USB設備,因此,還可以讓您的自制設備具備USB充電器功能。
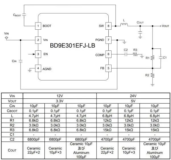
開關穩壓器IC使用ROHM的BD9E301。該IC內置有FET,支持最大2.5A的輸出,輸入電壓范圍寬(7~36V),具有可通過外置電阻自由調整輸出電壓的功能。
BD9E301的技術規格書。開關穩壓器的技術規格書中提供了電路設計示例,可以參考示例創建電路。
出處:7.0V~36V 輸入、2.5A 內置MOSFET 1ch 同步整流降壓DC-DC轉換器 – BD9E301EFJ-LB(E2) | ROHM Co., Ltd.
在開關穩壓器的技術規格書中,除了基本規格外,還提供了電路設計示例和圖案布局示例等內容,因此我們將參考技術規格書進行電路設計。
將開關穩壓器IC裝在轉換板上之后安裝在萬用板上的樣子。
由于BD9E301是表面貼裝型IC,所以需要通過轉換板安裝在萬用板上。使用轉換板的話,可能會因散熱量不足而導致故障,所以在使用轉換板時要注意電流量和發熱量。
我們根據技術規格書中的應用電路,將電子器件焊接到電路板上。由于輸出電壓由R1和R2的分壓電阻之比決定,因此我們將R1設置為12kΩ,將R2設置為3kΩ,其他部件使用與技術規格書中相同的元器件。
由于開關電源是在高頻下反復ON/OFF的電路,因此應盡可能將元器件安裝在靠近IC的位置,以免布線距離變長。從某種意義上講,開關穩壓器的布局是需要格外用心的項目之一。由于技術規格書上也提供了基本的布局說明,所以我們將參考其中的元器件布置方案來創建電路。
完成的DC-DC轉換器的背面。在表面上安裝了DIP器件,在焊接面上安裝了線圈。要實際安裝的元器件很少,只需要電阻器、幾個電容器和1個線圈即可使用開關穩壓器制作DC-DC轉換器。
當將12V電壓施加到完成的電路時,輸出了5V電壓。由于輸出電壓是通過反饋來維持穩定的,因此即使外部電壓波動,也能始終輸出5V。這個開關穩壓器IC可輸出高達(電源電壓 x 0.7V)的電壓,因此理論上即使電壓降至7.2V也能工作。
我們已經創建了一個5V/2A的電源電路,現在,讓我們將USB引腳連接到輸出部分,以便為USB設備供電。
如果您將USB引腳連接到自制的5V DC-DC轉換器,也可以為USB設備充電。照片中正在為iPad充電。發熱量出乎意料地小,可以穩定充電。
按照這種方式,即使用開關IC,也能輕松制作出5V輸出的電源電路。在制作電路時,作為附加功能增加USB充電功能可能會很有趣。
要想將開關電源做成產品推出,還會涉及到很多問題,比如PCB布局和是否符合EMI(電磁干擾)相關法規。在這里希望大家了解的是,使用開關穩壓器IC可以輕松完成電路設計這部分。
創建DC-DC轉換器電路
前面也提到過,最近的開關IC由于外置元器件少,電路設計材料也豐富,因此使用它們可以輕松地創建開關方式的降壓電路。
在實際的電源電路設計中,您是否為不知道該用開關穩壓器好還是用三端穩壓器好而煩惱過呢?
開關穩壓器的魅力在于其效率高,但在某些電路應用中,這項優勢可能無法充分發揮出來。例如,在僅使用微控制器和幾個LED的、電流僅幾十mA的電路中,即使提高效率,也沒有太大的實用價值。
此外,開關式電源的效率會隨著負載電流的減小而降低,相反地,三端穩壓器的效率則較好,此時開關穩壓器所需元器件數量多、噪聲紋波大等缺點就顯得比較突出了。在這種情況下,從整體成本上看,使用三端穩壓器更具優勢。
總體而言,不要簡單地認為“開關穩壓器效率高所以更好!”而選擇它,而是要從功耗和電路尺寸等各方面因素綜合考慮來選擇合適的方式,這一點很重要。
總結
當聽到“開關穩壓器”這個詞時,首先讓人想到的可能是“難以操作”,但實際用它試試看時,您會發現其實并不像想象中的那么麻煩,稍加努力就可以創建出高效的電源電路。
如果您能夠玩轉開關穩壓器,除了降壓之外,還可以自由自在地操作電路的電壓(比如升壓、反相、升降壓等),這會讓您的電路設計范圍更寬更廣。
開關電源設計中的真正難點在于決定元器件配置的圖案布局,以及符合各國法規的EMI對策。其實如果只是試制級別的話,很容易就可以做出來。因此,在電子作品制作中,開關穩壓器不失為一個不錯的選擇。
這次我們使用的是表面貼裝型開關穩壓器IC,其實還有可直接用于萬用板的DIP型IC和內置有線圈的開關穩壓器等產品,因此,開關IC在電子制作中已經變得越來越方便使用了。此外,在最新的產品中,還包括輸出電流高達7A~8A且內置FET的產品類型。
對于正在用三端穩壓器和大型散熱器制作電源電路的人,或者正在通過連接DC-DC轉換器模塊制作小物件的人而言,挑戰使用開關穩壓器IC進行電路設計,不失為一個不錯的嘗試。
開關穩壓器和線性穩壓器的區別。兩種穩壓器各有利弊,所以要物善其用,根據具體情況區分選用。三端穩壓器屬于線性穩壓器。
(文章來源:羅姆半導體集團)
免責聲明:本文為轉載文章,轉載此文目的在于傳遞更多信息,版權歸原作者所有。本文所用視頻、圖片、文字如涉及作品版權問題,請聯系小編進行處理。
推薦閱讀:




