【導讀】本文簡述功率在轉換器電路中的轉換傳輸過程,針對開關器件MOSFET在導通和關斷瞬間,產生電壓和電流尖峰的問題,進而產生電磁干擾現象,通過對比傳統平面MOSFET與超結MOSFET的結構和參數,尋找使用超結MOSFET產生更差。
本文簡述功率在轉換器電路中的轉換傳輸過程,針對開關器件MOSFET在導通和關斷瞬間,產生電壓和電流尖峰的問題,進而產生電磁干擾現象,通過對比傳統平面MOSFET與超結MOSFET的結構和參數,尋找使用超結MOSFET產生更差電磁干擾的原因,進行分析和改善。
隨著開關電源技術的不斷發展,功率MOSFET作為開關電源的核心電子器件之一,開關損耗是其主要的損耗之一,本著節省能源、降低損耗的基本思想,功率MOSFET技術朝著提高開關速度、降低導通電阻的方向發展。COOL MOSFET是一種超結的新結構功率MOSFET,具有更低的導通電阻,更快的開關速度,可以實現更高的功率轉換效率。然而,超結MOSFET超快的開關性能也帶來了不必要的副作用,比如電壓、電流尖峰較高,電磁干擾較差等。
以下內容以一個反激式轉換器拓撲(如圖1)為例,簡述轉換器的功率轉換傳輸過程,從平面MOSFET與超結MOSFET的結構和參數差別,討論電壓、電流尖峰,以及電磁干擾的產生機理,通過外圍電路改善并降低電壓、電流尖峰,從而實現降低電磁干擾的目的。

圖1包含寄生元件的反激式轉換器拓撲圖
反激式轉換器工作原理
圖1為一個最簡單的反激式轉換器拓撲結構,并且包含以下寄生元件:如初級漏電感、MOSFET的寄生電容和次級二極管的結電容。該拓撲源自一個升降壓轉換器,將濾波電感替換為耦合電感,如帶有氣隙的磁芯變壓器,當主開關器件MOSFET導通時,能量以磁通形式存儲在變壓器中,并在MOSFET關斷時傳輸至輸出。由于變壓器需要在MOSFET導通期間存儲能量,磁芯應該開有氣隙,基于這種特殊的功率轉換過程,所以反激式轉換器可以轉換傳輸的功率有限,只是適合中低功率應用,如電池充電器、適配器和DVD播放器。
反激式轉換器在正常工作情況下,當MOSFET關斷時,初級電流(id)在短時間內為 MOSFET的Coss(即Cgd+Cds)充電,當Coss兩端的電壓Vds超過輸入電壓及反射的輸出電壓之和(Vin+nVo)時,次級二極管導通,初級電感Lp兩端的電壓被箝位至nVo。因此初級總漏感Lk(即Lkp+n2×Lks)和Coss之間發生諧振,產生高頻和高壓浪涌,MOSFET上過高的電壓可能導致故障。
反激式轉換器可以工作在連續導通模式(CCM)(如圖2)和不連續導通模式(DCM)(如圖3)下,當工作在CCM模式時,次級二極管保持導通直至MOSFET柵極導通,而MOSFET導通時,次級二極管的反向恢復電流被添加至初級電流,因此在導通瞬間初級電流上出現較大的電流浪涌;當工作在DCM模式時,由于次級電流在一個開關周期結束前干涸,Lp和MOSFET的Coss之間發生諧振。

圖2 連續導通模式

圖3 不連續導通模式
圖4顯示了開關電源工作在DCM模式,實測的MOSFET電壓和電流工作波形,除了可以看到MOSFET在開通和關斷的過程中,均產生比較大的電壓和電流變化,而且可以看到MOSFET在開通和關斷的瞬間,產生一些震蕩和電流尖峰。

如圖1所示的包含寄生元件的反激式轉換器拓撲圖,其中Cgs、Cgd和 Cds分別為開關管MOSFET的柵源極、柵漏極和漏源極的雜散電容,Lp、Lkp、Lks和Cp分別為變壓器的初級電感、初級電感的漏感、次級電感的漏感和原邊線圈的雜散電容,Cj為輸出二極管的結電容。圖5為反激變換器工作在DCM工作模式時,開關管分別工作在(a)開通瞬間、 (b)開通階段、 (c)關斷瞬間和(d)關斷階段時,所對應的等效分析電路,Rds為開關管的漏源極等效電阻。


圖5 反激變換器在DCM模式開關管工作在各階段對應的等效分析電路
在開關管開通瞬間,由于電容兩端電壓不能突變,雜散電容Cp兩端電壓開始是上負下正,產生放電電流,隨著開關管逐漸開通,電源電壓Vin對雜散電容Cp充電,其兩端電壓為上正下負,形成流經開關管和Vin的電流尖峰;同時Cds電容對開關管放電,也形成電流尖峰,但是此尖峰電流不流經Vin,只在開關管內部形成回路;另外,如果變換器工作在CCM模式時,由于初級電感Lp兩端電壓縮小,二極管D開始承受反偏電壓關斷,引起反向恢復電流,該電流經變壓器耦合到原邊側,也會形成流經開關管和Vin的電流尖峰。
在開關管開通階段,二極管D截止,電容Cp兩端電壓為Vin,通過初級電感Lp的電流指數上升,近似線性上升。
在開關管關斷瞬間,初級電流id為Coss充電,當Coss兩端的電壓超過Vin與nVo(二極管D開通時變壓器副邊線圈電壓反射回原邊線圈的電壓)之和時,二極管D在初級電感Lp續流產生的電壓作用下正偏開通,Lk和Coss發生諧振,產生高頻震蕩電壓和電流。
在開關管關斷階段,二極管D正偏開通,把之前存儲在Lp中的能量釋放到負載端,此時副邊線圈電壓被箝位等于輸出電壓Vo,經匝比為n的變壓器耦合回原邊,使電容Cp電壓被充電至nVo(極性下正上負),初級電感Lp兩端的電壓被箝位至nVo。當Lp續流放電結束后,D反偏截止,Lp和Coss、Cp發生諧振,導致Cp上的電壓降低。
功率MOSFET 的等效分析原理圖
MOSFET是電壓控制型器件,功率MOSFET的源、漏電極不在同一平面內,也稱為縱向MOSFET(即VMOSFET),其具有很多不同于橫向MOSFET的特點,一般把功率MOSFET看作一個由橫向MOSFET驅動的縱向JFET器件,圖6顯示了功率MOSFET包含寄生器件在內的等效原理圖,其中Lg、Ld、Ls分別為MOSFET的柵極、漏極、源極的引線電感,Rg為MOSFET內部柵極電阻, Cgd、Cgs、Cds為MOSFET寄生電容,D為寄生體二極管。由于寄生器件的存在,使功率MOSFET在反激變換器電路的工作和分析變得復雜,特別是在變換瞬間,寄生參數的分析顯得更為重要。

圖6 MOSFET包含寄生器件在內的等效原理圖
超結 MOSFET 與平面MOSFET的區別 圖7顯示了平面MOSFET的截面結構和電場分布,從中可以看出平面MOSFET的擊穿電壓取決于漂移區的摻雜度和厚度,電場分布的傾斜度與漂移區摻雜度成正比。因此,如需獲得較高的擊穿電壓,就需要較厚且輕摻雜的外延層,但是從MOSFET的導通電阻分布(如圖8)中,可以看出外延層的電阻占主要部分,尤其是高擊穿電壓MOSFET。

圖7 平面MOSFET的截面結構和電場分布

圖8 MOSFET導通電阻分布
綜上所述,平面高壓MOSFET由于結構的原因,導通電阻較大,導致導通損耗較大,而且開關速度也受到一定的限制,開關損耗也比較大,這顯然已經不能滿足目前日益要求節能和提高轉換器效率的電子市場需求。基于平面MOSFET的缺點,超結MOSFET應運而生,圖9給出了超結MOSFET的截面結構和電場分布,與平面MOSFET的截面結構不同,超結MOSFET采用了較深的P型柱結構,平面MOSFET的外延層幾乎被交替的N型和P型半導體薄層替換,平面MOSFET與超結MOSFET的等效器件模型如圖10所示。

圖9 超結MOSFET的截面結構和電場分布

圖10 MOSFET等效器件模型
超結MOSFET垂直方向上插入P型區,可以補償過量的電流導通電荷,在漂移層加反向偏置電壓,將產生一個橫向電場,使PN結耗盡,當電壓達到一定值時,漂移層完全耗盡,將起到電壓支持層的作用,使器件的擊穿電壓僅依賴N-漂移區的厚度,而與N-區和P阱區的摻雜濃度無關,且這種電荷補償越充分,擊穿電壓越高。由于摻雜濃度的大幅提高,在相同的擊穿電壓下,導通電阻Ron可以大大降低,甚至突破硅限;同樣,在相同的擊穿電壓和相同的導通電阻Ron下,可以使用更小的芯片面積,從而減小柵電荷,提高開關速度,降低驅動功率和開關損耗,表1顯示了西安芯派同型號芯片的SW Planer 系列和SW Cool系列MOSFET的參數對比結果。

表1 SW Planer 系列MOSFET和SW Cool系列MOSFET的參數對比
反激式轉換器產生電磁干擾的原因和傳播方式
電磁干擾主要是傳導干擾和輻射干擾,傳導干擾是在輸入和輸出線上流過的干擾噪聲,來源于差模電流噪聲和共模電流噪聲;輻射干擾是通過空間輻射的干擾噪聲,來源于電場發射和磁場發射,它們之間可以相互轉換。
開關電源產生電磁干擾的原因較多,其中以功率開關器件和變壓器為主要噪聲源。開關器件高頻的開通和關斷,導致電流和電壓的快速變化,電感及寄生電感的快速電流變化產生磁場,從而產生較高的電壓尖峰uL=L×diL/dt;電容及寄生電容的快速電壓變化產生電場,從而產生較高的電流尖峰iC=C×duC/dt,而其內部引線的雜散電感和寄生電容則是噪聲耦合的通道,但是由于這些參數是器件固有的特性,所以電子設計和應用工程師無法對它們進行優化,只能根據器件手冊選擇匹配的器件。前面已經分析了開關管MOSFET 包含寄生器件的等效分析原理圖,超結 MOSFET 與平面MOSFET的結構和參數區別,電磁干擾產生的原因,設計者可以根據情況選擇使用和優化。
變壓器作為另外一個主要噪聲源,而初級次級的漏感、初級的層間電容、次級的層間電容、初級和次級之間的耦合電容則是噪聲的通道。如圖11所示的包含寄生電容的變壓器模型,其中Ca為最外層繞組到磁芯的電容,Ct為輔助繞組到次級繞組的電容,Cs為初級繞組到次級繞組的電容,Cp為初級繞組的層間電容,Cm為最內層初級繞組到磁芯的電容;除此之外,變壓器還有磁芯到大地的電容Cme,輸出線到大地的電容Coe,初級或次級的層間電容可以通過減小繞組的層數來降低,增大變壓器骨架窗口的寬度可以減小繞組的層數。繞組的分離繞制,如初級繞組采用三明治繞法,可以減小初級的漏感,但由于增大了初級繞組和次級繞組的接觸面積,因而增大了初級繞組和次級繞組的耦合電容。采用銅皮屏蔽(需連接到初級或次級的靜點)可以減小初級繞組與次級繞組間的耦合電容,但由于屏蔽層繞在初級繞組與次級繞組之間,使初級繞組和次級繞組的耦合系數降低,從而又增加了漏感。

圖11 包含寄生電容的變壓器模型
差模電流在兩根輸入電源線(L、N)間反方向流動,構成電流回路,其中一根是差模電流的源線,則另一根是差模電流的回線,主要由開關器件的高頻開關電流產生,圖12給出了開關管開通瞬間的差模電流流動情況,可以看出IDM=ICp+ nIR−ICin ;圖13給出了開關管關斷瞬間的差模電流流動情況,可以看出IDM= ICds + Ig− ICp −ICin。

圖12 開關管開通瞬間的差模電流

圖13 開關管關斷瞬間的差模電流
共模電流在輸入線、輸出線與大地間流動,主要由功率器件高頻工作的電壓瞬態變化產生,圖14給出了共模電流的流動通道情況,主要包括通過Cde、 Cm和Cme、 Ca和Cme 、 Ct和Coe、 Cs和Coe產生共模電流,其中通過Cs和Coe的共模電流占主導作用。

圖14 共模電流產生通道
電場發射由du/dt產生,空間電容是電場發射的通道,其中共模電流可以產生相當大的電場發射。圖15給出了反激轉換器的主要電場發射源位置,其中初級繞組的電壓變化幅值大,對于電場發射起主導作用。另外,像手機充電器這類帶長輸出線(1.8m)的產品,長的輸出導線也如同一個天線,可以將共模電流放大,從而形成較大的共模電場發射。

圖15 反激轉換器的主要電場發射源位置
磁場發射由高di/dt 的環路通過環路寄生電感產生,圖16給出了反激轉換器的主要磁場發射環路,磁場發射方向符合右手定則,其中次級側的電流變化幅值大,對于磁場發射起主導作用。另外,變壓器的雜散磁場也是一個磁場發射源,主要由變壓器的氣隙產生,例如E型磁芯在兩側開氣隙時雜散磁場大,在中心柱開氣隙時雜散的磁場小。需特別注意,高di/dt環路的寄生電感隨環路面積增大而增大,因此PCB的設計對于磁場發射非常關鍵,次級側的電流環面積要盡量小,布線要盡量短粗。

圖16 反激轉換器的主要磁場發射環路
改善使用超結 MOSFET 的反激變換器的電磁干擾措施
通過對反激變換器的工作原理,電磁干擾的產生原因,MOSFET的等效原理圖,以及平面MOSFET與超結MOSFET的結構和參數對比分析,可以看出使用超結MOSFET雖然降低了反激變換器的損耗和驅動功率,但是由于開關管的開關速度提高,增大了電壓和電流變化率,使反激變換器的電磁干擾增強。
電磁干擾的危害日益明顯和嚴重,目前許多國家已經把電磁干擾測量作為電子設備的強制測試項目,針對不同類型產品有不同的干擾限值要求。電源作為電網與用電設備之間的接口電路,在完成功率傳送和滿足電能變換的同時,不可避免地產生電磁干擾,但是改善和通過標準限值要求,也顯得尤為重要。從反激變換器產生電磁干擾的原理出發,降低電磁干擾的方法主要為降低電壓和電流的變化率;減小電路中存在的寄生電感和電容;優化PCB設計。
一、減小電壓和電流變化率
減小電壓和電流變化率,可以通過改變柵極驅動電阻、改變變壓器結構或者增加緩沖吸收電路實現。
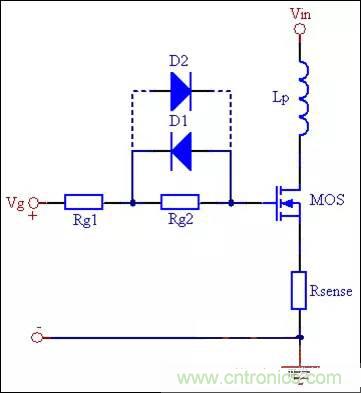
(1)改變柵極電阻值可以改變開關管的開關速率,改變電壓和電流的變化率,如圖17所示,在開關管的柵極外加驅動電阻Rg=Rg1+Rg2,增加Rg,降低開關管的開通速度,加快開關管的關斷速度。為了開關管的開通和關斷速度都降低,可以如圖17所示,給Rg2并聯一個低壓降快速恢復二級管,如接成D1(實線)的方向,開關管開通時柵極驅動電阻為Rg,關斷時柵極驅動電阻為Rg1,開關管關斷時的速度相對不并二極管時要慢。

圖17 改變柵極驅動電阻
(2)在反激變換器的開關管關斷瞬間,由于變壓器的初級漏感Lk和開關管的寄生輸出電容Coss構成了一個串聯諧振電路,會產生非常高的過壓和振鈴,電路的Q值越高,振鈴電壓就越高。這種過高的振鈴電壓可能會造成巨大的電磁干擾,并且由于MOSFET漏電壓的升高,甚至會降低開關管的可靠性。
改變變壓器的結構,給變壓器的初級繞組增加一個恢復繞組NR=Np,使兩個繞組成為雙股,并排纏繞在磁芯或線軸上,形成雙股繞組。如圖18所示,NR一端與初級地相連,與Np同名的一端通過一個二極管D1連接到Vin。這種方法使耦合最大化,并獲得了寄生電容與電感的嚴格匹配,初級繞組與其它繞組之間的耦合并沒有那么重要。

圖18 增加恢復繞組NR和二極管D1實現無源阻尼器
如圖19所示,圖(a)顯示了開關管關斷時,初級電流(通道2,紅色波形)為Coss充電后,在MOSFET的漏極(Vds,通道1,藍色波形)有振鈴。圖(b)中,通道1仍為Vds,Coss的充電使通過D的次級電流(通道2)延遲了約100ns。圖(c)中,恢復繞組NR直接繞過寄生電容Coss,將積累的泄漏能量導回電源軌,并箝位開關電壓(通道1),由于Np=NR,所以將Vds限制在Vin的兩倍,而初級電流的負浪涌(通道2)事實上是從恢復繞組流出的電流。圖(d)中,次級二極管D馬上變為正偏,泄漏磁通阻止了電流的傳輸,次級電流(通道2)達到一個均衡的峰值,直到漏泄能量被完全恢復,初級電流降為零。

圖19 增加恢復繞組NR與無恢復繞組的開關電壓與電流對比
(3)緩沖吸收電路改變高頻電壓和電流的變化率,如圖20所示,在變壓器的初級繞組并聯RCD箝位電路,可以抑止由于變壓器初級漏感在開關管關斷過程中產生的電壓尖峰;L1、L2 和L3可以降低高頻電流變化率,但是L1和L2只對特定的頻帶起作用,而L3只對工作于CCM模式才有效; R1C1,R2C2,R3C3,R4C4 和 C5可以降低相應的功率器件兩端的高頻電壓變化率。特別注意的是,所有的這些緩沖吸引電路都需要消耗一定功率,產生附加的功率損耗,降低系統的效率;同時也增加元件數量、PCB尺寸和系統成本,因此必須根據實際需要選擇使用。

圖20 增加緩沖吸收電路
二、減小寄生的電感和電容值
從差模電流與共模電流的產生原因和流動方向分析,以下建議幾種減小差模電流和共模電流的方法,設計者可以根據需要和實際情況選擇使用。
(1)差模濾波器可以濾除差模電流,如圖21所示,差模濾波器是由電感和電容組成的二階低通濾波器,由于其電感有雜散電容,對高頻干擾噪聲可以由雜散電容旁路,使濾波器不能起到有效的作用,采用幾個電解電容并聯可以減小ESL和 ESR,降低開關電流的高次諧波因為輸入電解電容的ESL和ESR形成的差模電流。

圖21 降低差模電流的新結構變壓器
(2)改變變壓器結構(如圖22)降低開關管開通和關斷瞬間的差模電流。

圖22 降低差模電流的新結構變壓器
(3)在L與N線之間并聯X電容,可以濾除差模干擾。
(4)MOSFET采用源極連接芯片基體用于散熱,而不采用漏極,且PCB布線時減小漏極區銅皮面積,目的是減小Cde,降低共模電流。
(5)改變變壓器結構降低共模電流,如圖23所示,調整輔助繞組和次級繞組的整流二極管放置位置,從而改變電壓變化方向,改變動點位置,且注意靜點盡量靠近,減小總體的共模電流;另外,在內層放置銅皮,銅皮的寬度小于或等于初級繞組的寬度,銅皮的中點由導線連接到靜點,同時可以在初級繞組和次級繞組、輔助繞組和次級繞組之間繞制屏蔽繞組(也可是銅皮,方法與內層放置銅皮一致),繞滿一層即可,一端連接到靜點,一端懸空內埋,減小總體的共模電流,但是屏蔽層的使用必須滿足效率的要求,因為屏蔽層的使用會降低初次級的耦合系數,降低轉換效率。

圖23 降低共模電流的新結構變壓器
(6)在初次級之間加入 Y電容,如圖24所示, 通過Cs的大部分共模電流被Y 電容旁路,返回到初級的地,因為Y電容的值遠大于Coe。Y電容必須直接或盡量用短的直線連接到初級和次級的靜點,一般是開關管開通時的dV/dt大于關斷時的dV/dt ,Y電容連接到初級的地,反之連接到Vin。

圖24 Y電容對流過初次級共模電流的作用
三、優化PCB設計
PCB設計對于電磁干擾的產生非常關鍵,以下建議幾種降低電磁干擾的PCB設計方法,設計者可以根據需要和實際情況選擇使用。
(1)輸入端與輸出端的邊線應避免相鄰平行,以免產生反射干擾,必要時應加地線隔離。
(2)按照電路的流程安排各個功能電路單元的位置,圖25給出了反激轉換器內部的四個電流環路,分別是功率開關管交流電流環路、輸出整流器交流電流環路、輸入電源電流環路和輸出負載電流環路,每個環路要與其他環路分開,其中輸入環路與功率開關環路必須直接接到輸入電容的兩端;輸出環路與整流環路的連接必須直接接到輸出電容的兩端;開關環路的濾波電容、功率開關管和變壓器必須盡可能靠近放置;輸出整流環路的整流器、電感和濾波電容必須盡可能靠近放置,放置時需確定好器件方向,使其之間的電流通路盡可能短。

圖25 反激轉換器內部的主要電流環路
(3)兩相鄰層的布線要互相垂直,平行容易產生寄生耦合。
(4)盡量減小高di/dt環路,并采用寬的布線有利于減小差模干擾。
(5)避免直角走線,直角走線會使傳輸線的線寬發生變化,造成阻抗不連續,對信號的影響主要體現在:拐角可以等效為傳輸線上的容性負載,減緩上升時間;阻抗不連續會造成信號的反射;直角尖端產生的EMI。
(6)開關電源內部接地的合理性直接影響到電源的電磁干擾甚至影響其穩定工作,圖26給出了反激轉換器的地線安排情況,其中電源地是電流環路底下的支路;控制地是連接控制集成電路和與之相關的無源器件的地??刂频胤浅C舾?,因而要在其他的交流電流環路都布置好后再放置,必須通過一些特定的點與其他地連接,這個連接點是產生控制IC所要檢測的小電壓的所有器件的公共連接點,包括電流型變換器電流檢測電阻的公共接點和輸出端電阻分壓器的下端。除此之外,每條大電流的地線要短而寬,輸入濾波電容的公共端應作為其他交流電流地的唯一接點。

圖26 反激轉換器的地線安排
(7)在電源的PCB底層鋪銅皮或額外加一塊銅皮或單面板,可以有效的減小電場發射和共模電流(如圖27)。

圖27 減小電場發射
推薦閱讀:



