【導讀】本例介紹的數控直流穩壓電源電路,采用控制按鈕和數字集成電路,采用LED發光二極管來指示輸出電壓值,輸出電壓為 3-+15V共8檔可調。最大輸出電流為1·5A。具體的設計請看下文。
本例介紹的數控直流穩壓電源電路,采用控制按鈕和數字集成電路,采用LED發光二極管來指示輸出電壓值,輸出電壓為 3-+15V共8檔可調。最大輸出電流為1·5A。
電路工作原理
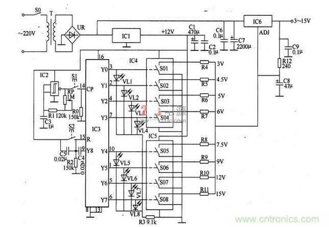
該數控百流穩壓電源電路由+l2V穩壓電路、電壓控制/顯示電路和穩壓輸出電路組成,如圖5-27所示。

+l2V穩壓電路山電源變壓器T、整流橋堆uR、濾波電容器Cl、c2、c6、c7和三端穩壓集成電路ICl組成。
電壓控制/顯示電路由控制按鈕Sl、復位按鈕S2、電阻器RO-Rll、電位器RP、電容器C3-C5、施密特觸發器集成電路IC2、十迸制計數/脈沖分配器集成電路IC3、電子開關集成電路IC4、1C5和發光二極管VLl-VL8組成。
穩壓輸出電路由三端可調穩壓集成電路IC6、電阻器Rl2和電容器C6-C9組成。
接通SO,交流220V電壓經T降壓、UR整流及C6、C7濾波后,一路作為lC6的輸人電壓;另一路經ICl穩壓為+l2V,作為IC2-IC5的工作電源。lC3通電復位后,其YO端輸出高電平 (YI-Y8端輸出低電平),使IC4內部的電子開關SOl接通,使R4接人穩壓電路,此時的輸出電壓為+3V,同時VLl點亮。
按動一下S1后,由IC2和外圍阻容元件組成的振蕩器產生的脈沖信號經S1加至IC3的14腳 (CP端),作為IC3的計數脈沖,IC3的Yl端輸拙高電平 (YO端變為低電平),S02接通,R5接人穩壓電路中,此時的輸出電壓為+4·5V,同時VL1點亮。
連續按動51時,IC3的YO-Y8端將依次輪流輸出高電平,使S01-S08依次輪流接通,電阻器M-Rll被依次輪流接入穩壓電路中,IC6依次輸出從低至高 (+3V、+4·5V、+5V、+6V、+7·5V、+9V、+l2V、+l5V)的8種電壓。VLl-VL8依次輪流點亮。
在+3V以外的任一檔,只要按一下S2,IC2即清零復位,回到+3V最低電壓檔。
元器件選擇
Rl-Rl2選用1/4W金屬膜電阻器或碳膜電阻器。
RP選用有機實心可變電阻器。
Cl和C8均選用耐壓值為16V的鋁電解電容器;C2-C6和C9均選用獨石電容器;C7選用耐壓值為25V的鋁電解電容器。
VLl-VL8均選用φ3mm的發光二極管。
UR選用2A。5OV的整流橋堆。
ICl選用LM7812或CW7812型三端穩壓集成電路;IC2選用CD4093型施密特觸發器集成電路;IC3選用CD4017或MCl4107型十進制計數/n永沖分配器集成電路;IC4和1C5均選用CD4066型電子開關集成電路;IC6選用LM317型三端可調穩壓集成電路。
S0選用250V、觸頭電流負荷為5A的電源開關;S1和S2均選用微型動合按鈕。
電路調試
將R4-Rll分別換成電位器,調整電位器的阻值,使各檔輸出電壓為標稱值,然后冉將電位器用合適的固定電阻器換下即可。




