【導讀】電池容量是電池電壓的函數,電壓越高,容量就越大。不過,如果電池電壓升高,就會導致電池使用壽命縮短。
例如,如果用4.3 V電壓給電池充電,那么容量就會提高10%,但電池使用壽命會縮短一半。另一方面,如果電池充電不足,比理想電壓狀態低40 mV,那么容量就會降低約8%。因此,非常精準的電池充電電壓至關重要。
充電曲線適用于鋰離子電池充電,它包括3個充電階段:預充階段、快充恒流(CC)階段、恒壓(CV)終止階段。在預充階段,在電池電壓低于3.0 V時,電池以較低速率充電。通常情況下,當電池電壓達到3.0 V,充電器就會進入CC階段。快速充電階段CC通常限制在1 C電池額定值以下。如果充電率超過1 C,那么電池使用壽命就會縮短,因為節點上積存的金屬鋰會與電解質發生反應,造成永久損失。最后,充電器會進入CV階段,這時它將保持峰值電池電壓,并在充電電流下降到預定義大小時終止充電。
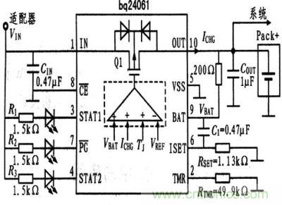
支持輸入OVP的熱調節電池充電器
圖1為支持熱調節和輸入OVP的低成本單獨線性電池充電器電路。該充電器能將適配器的DC電壓降到電池電壓水平。線性充電器的功耗計算公式:
充電器從預充階段轉向快充模式時,輸入電壓與電池電壓之間有較大差值,這時功耗會達到最高。例如,如果用5 V適配器來給1 200 mAh鋰離子電池充電,那么在1 A充電電流與3.2 V電池電壓下的最大功耗為1.8 W。如果采用3 mmx3 mm QFN封裝,熱阻抗為47℃/W,這樣的功耗會造成85℃的溫度提升。在45℃環境溫度下,結溫超過125℃的工作溫度極限。在充電開始階段,很難將結溫控制在安全散熱范圍內。隨著電池電壓在充電階段不斷升高,功耗也會下降。充電進入CV模式后,功耗會進一步下降,而充電電流也開始下降。
如何改進設計才能確保充電器在安全散熱范圍內正常工作呢?更高級的電池充電器(如bq2406x與bq2403x)引入了熱調節環路,可避免充電器過熱。內部芯片溫度達到預定義的溫度閾值后(如110℃),器件溫度只要進一步提升就會使充電電流下降。這有助于限制功耗,并為充電器提供熱保護。使IC結溫升高到熱調節的最大功耗取決于PCB板布局、散熱通孔的數量以及環境溫度。從圖2看出,1.2 s之后,熱環路會在2 s內將有效充電電流從1.2 A降至600 mA。

圖1:支持熱調節與輸入OVP的充電器
熱調節通常在快充早期階段進行,不過如果在CV模式下器件仍然工作的話,充電電流會過早達到充電終止閾值。為了避免充電誤終止,只要散熱調節回路在工作,電池充電終止功能就會被禁用。此外,降低有效充電電流會延長電池充電時間,如果充電安全計時器有固定設置的話,就會過早終止充電。bq2406x采用動態安全計時器控制電路,能在熱調節階段有效延長安全時間,并盡可能降低安全計時器的故障率。從圖3中可以看出,熱調節模式下安全計時器的響應與有效充電電流成反比。
啟用電池充電功能后,內部電路會生成與ISET引腳設置的實際充電電流成正比的電流。電阻器RSET上生成的電壓反映的是充電電流。該電壓可由主機監控,以獲取充電電流信息。
為鋰離子電池充電的適配器有很多種。低價位適配器的穩壓輸出可能不太理想,空載下的輸出電壓也高于正常負載情況。此外,在電池熱插人情況下,充電器輸入電壓會達到適配器電壓的兩倍,這是由線纜電感和電池充電器輸入電容間的共振造成的。為了在輸入電壓高于預定義閾值時提高安全度,bq2406x充電器的輸入OVP功能將禁止充電。
LDO模式(TMR引腳開路時)可禁止充電終止電路或電池檢測電路工作。并將安全定時器時鐘保持在復位狀態。該模式通常用于無電池或正在進行測試的工作環境。

圖2:采用熱調節技術的充電電流

圖3:熱調節中的動態安全計時器
許多應用都要求在電池充電同時給系統供電。如圖l所示,系統直接連接到電池充電輸出,系統和充電器間的相互影響會使安全計時器生成錯誤充電終止信息。圖4為能夠解決上述問題的典型應用電路。這里有兩個獨立的電源路徑,一個給電池充電,另一個給系統供電。如果AC適配器不可用,那么電池放電MOSFET在R4和C2設置的時間延遲之后就會打開,這樣電池就能給系統供電了。

圖4:電源路徑管理的電池充電器
支持熱調節功能的線性電池充電器能顯著提高散熱設計與安全性。利用輸入OVP機制,只有經過認可的適配器才能給電池充電,從而提高系統安全性。





