中心議題:
- 高壓脈沖電容充電電源的技術指標
- 基本恒流充電電路的分析與計算
- 高重復頻率及小電容負載的高穩定度充電技術問題
解決方案:
- 改進控制電路
- 采用雙橋路的移相控制電路
本文介紹了新型軟開關脈沖電容充電技術, 其基本電路采用串聯諧振拓撲, 具備零電流開關、恒流充電、內在短路保護等優點。導出了該基本電路重要參數的計算公式。仿真了一個16kJ/s 充電電源的波形。在重復頻率較高、負載電容容量偏小時的不利情況下, 在基本恒流電路的基礎上, 探討了幾種改善充電電壓穩定性的途徑, 同時保留了恒流源的優點。
在粒子加速器、激光脈沖、雷達發射等技術領域中, 廣泛使用功率脈沖調制器, 脈沖調制器通常由直流高壓充電電源、高壓儲能電容或脈沖成形網絡(PFN ) 及負載組成, 高壓儲能電容或PFN 先被充電至所需電壓, 然后在時序信號作用下通過放電開關向匹配負載放電而產生一定寬度的功率脈沖, 對不同的應用場合, 脈沖重復頻率可能由單次放電到幾千赫茲不等。在某些應用場合, 往往要求充電電壓穩定性好于1% 甚至0. 1% 。最傳統的充電方式是使用工頻高壓電源和De2Q 電路的LC 諧振充電方式, 儲能電容可獲得兩倍于高壓電源的電壓值,雖然技術路線較簡單, 但由于工作于低頻狀態, 體積、重量大,且紋波、穩定性不能令人滿意, 電網電壓波動時尤其如此。
比較先進的技術路線是采用電力電子學中的開關變換技術。由于新型功率開關器件及新電路拓撲的不斷進步, 開關變換技術得到了迅速的發展, 較之于硬開關電路, 諧振開關電路因工作于軟開關狀態, 技術更先進, 具備開關損耗小、諧波分量小、頻率高(如幾十kHz)、儲能元件體積小等優點。
1 高壓脈沖電容充電電源的技術指標
圖1 是脈沖電容或PFN 的充放電波形, 其中T c 是充電時間, T w 是放電等待時間, T p 是充電重復周期。則平均充電速率為CV2/2T p , 峰值充電速率為CV2/2T c.充電速率、負載電容容量范圍、電壓穩定度、紋波、功率因數、效率等都是衡量電源性能的重要指標。

圖1 充放電電壓波形
[page]
2 基本恒流充電電路分析與計算
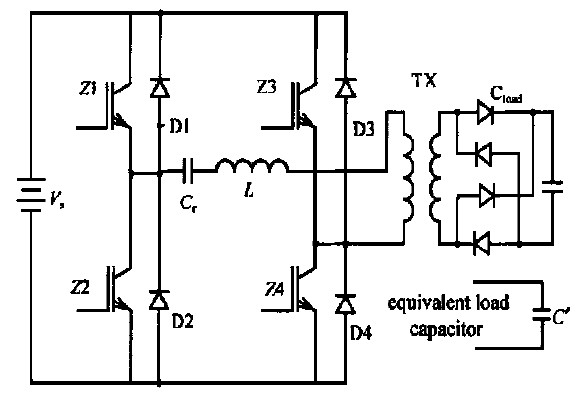
在諧振開關技術中最適合脈沖電容充電的電路是串聯諧振開關電路, 輸出近似為恒流源或稱"等臺階充電",突出的優點是充電效率高且具有固有短路保護能力。圖2 所示是串聯諧振開關全橋變換電路, 對角線上的兩個開關管和另外一條對角線上的開關管交替導通,交替導通一次為一個開關周期T s, 在半個開關周期內, 諧振電流通過開關管及續流二極管完成一次諧振, 負載電容電壓升高一個臺階△V .圖3 給出了開關管柵極驅動脈沖及諧振電流波形關系圖。

圖2 串聯諧振開關全橋變換充電電路

圖3 開關管柵極驅動脈沖及諧振電流波形
[page]
忽略回路電阻, 電路的特征阻抗為Z =√ L/C , 諧振周期為T r = 2π √L/C , 其中C 是諧振電容C r 和折合到原邊的負載等效電容C''串聯后形成的總電容, 通常因高壓變壓器變比高, 等效電容C ''和C r相比較大, 因此串聯后的總電容C 和C r 相差不大。完整的充電電流波形包絡及充電電壓如圖4 所示, 其中t1是轉折點, t1 以前是線性等臺階充電, t1 以前電流波形放大如圖5 (a) 所示, 轉折點附近的電流波形如圖5(b) 所示。

圖4 一個充電周期的諧振電流包絡及充電電壓波形

圖5 諧振電流波形
通過計算可以得到線性階段每一個開關周期(兩次諧振)C''所充的電量為:

正向電流峰值為:

V s 是電源電壓; N 是諧振周期的個數。
反向續流峰值為:

由式(3) 看出反向續流逐步減小, 當N = C''/4C 時續流截止, 電路失去線性充電狀態。此轉折點的時刻為:

圖4 和圖5 中的波形是由PSP ICE8. 0 仿真得到的, 元件取值如下: V s= 500V , C r= 1. 6uF, L r=30uH, T s= 100us, (對應開關頻率10kHz) , 變壓器升壓比1∶40, C load= 0. 4uF, 充電功率可達16kJ/s.
輸出電壓的控制電路相當簡單, 當脈沖電容或PFN 充電至所設定值時, 通過取樣檢測, 關斷開關管的驅動輸出即可, 電壓穩定度取決于半個開關周期(或一個充電臺階) 的電量, 可形象地描述電路工作于"bang-bang"模式, 即T c 時間內充電, T w 時間內開關電路停止工作。
[page]
圖6 是某調制器充電電源波形圖, 該電源充電功率可達2kJ/s , 工作頻率12. 5kHz, 電壓30kV.測量用的示波器型號為泰克TDS3032.V s= 500V , C r= 0. 4uF,L r= 158uH, T s= 80us, 變壓器副邊為雙繞組,每繞組升壓比1∶40, Cload= 0. 66uF.實際電路中L r 完全利用了變壓器的漏感, 且漏感選擇較大以減小分布電容。圖6 (c) 是該電源諧振開關電流的仿真波形, 和實測波形比, 吻合得很好。

圖6 某充電電源實測及仿真波形圖。(a) 充電電壓測量波形; (b) 諧振電流測量波形; (c) 諧振電流仿真波形
3 高重復頻率及小電容負載情況下的高穩定度充電技術問題
3. 1 問題的提出
在很多場合下, 串聯諧振開關電路配合上述簡單的控制電路即能達到較高的充電穩定度, 如國家同步輻射實驗室800M eV 儲存環新研制的注入沖擊磁鐵調制器, 因重復頻率較低(0. 5Hz)、負載儲能電容較大(0. 66uF) , 通過對具體參數進行的設計即可達到0. 1% 的穩定度。但某些應用場合重復頻率較高、電容小且要求充電功率大時, 這種方式將不能滿足高穩定度的充電要求, 原因是充電時間短、一個充電臺階的電量太大。例如某速調管調制器的重復頻率100Hz, PFN 總電容0. 22uF, 充電功率9kJ/s, 充電時間最多只有10ms, 若采用15kHz 諧振開關, 則只有300 個充電臺階, 若穩定度和一個臺階的充電電壓相當, 則難以達到0. 1% 的充電穩定性, 某些激光脈沖調制器也要求充電穩定性好于0. 1%.
針對以上問題, 可以在常規串聯諧振開關電路的基礎上進行技術改進, 使其適應大范圍的重復頻率及儲能電容容量變化, 在保持原電路恒流源充電優點的同時實現高穩定度充電。
3. 2 國內外現狀
美國的M axw ell 公司及EM I 公司均研制了開關模式的適合脈沖電容充電的系列高壓電源, 都是串聯諧振開關的改進型, 并擁有各自的技術專利, 如EM I 的商業產品平均充電功率達到了30kJ/s (DC狀態50kW ) , 電壓為50kV , 整體尺寸為480×310×560, 重量84kg, 功率密度為0. 6W/ cm 3, 效率85% ,功率因數0. 9.阿貢國家實驗室、DESY 實驗室的直線加速器調制器使用了EM I 和M axw ell 的產品。
而國內的大多數較大功率的脈沖調制器多采用傳統的低頻LC 諧振充電模式, 采用大功率充電電源開關模式的不多, 或是用的充電效率低的電壓源。文獻[7 ]報導了采用晶閘管的中頻大功率恒流高壓電源,是一個較好的嘗試。
3. 3 幾種改進的技術路線
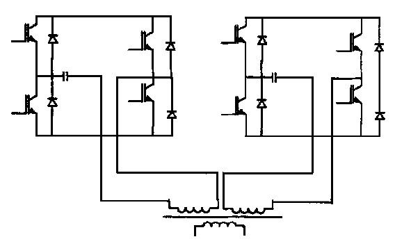
當負載電容容量小且重復頻率高時, 一種設計思想是改進控制電路, 使其達到的效果相當于: 在每一個充電周期開始階段, 使用諧振電流大的主電源快速充電至預設電壓, 隨后轉為小電流電源充電, 在T w 階段向負載提供很小的電量以減小波動; 另一種技術路線采用雙橋路的移相控制電路, 如圖7 所示,這種電路非常適合大功率充電的應用場合。EM I 公司的30kJ/s , 50kV 電源采用了此項技術。

圖7 雙橋路的移相控制充電電路原理圖
4 小 結
串聯諧振開關電路工作于恒流源狀態, 綜合考慮充電效率、電路實現難易程度、體積等, 該電路是最適合電容器充電的。在基本電路的基礎上進行技術革新, 提高充電穩定度, 能使其適應大范圍的重復頻率及儲能電容的容量變化, 應用前景將更加廣泛, 是傳統充電電源的升級換代品。




