中心議題:
- 電容型高功率脈沖電源中控制電路基本功能
- 控制器件選用
- 控制電路設計及改進
本文論述了電容型高功率脈沖電源中控制電路的基本功能。指出控制電路設計選用固態繼電器主要原因是其具有優良的抗震動性能。采用經驗法設計了控制電路,并通過試用改進了控制電路。設計的控制電路滿足了電熱化學炮與高功率脈沖電源實用化一體集成需要。
1 引 言
高功率脈沖電源(PPS)是為脈沖功率裝置負載提供電磁能量的裝置。由多個脈沖電容器組為儲能單元并聯組成的PPS,具有儲能簡單,造價低、波形靈活可調,所需充電功率小,抗干擾能力強,方便運輸等突出優點,在電熱化學炮(ETcG)研究領域得到了廣泛應用。
實驗研究用的PPS通常由充電子系統、脈沖成形子系統、匯流排及大功率傳輸線、控制與測試子系統、屏蔽與接地子系統等幾部分組成。為了避開ETCG發射時劇烈的機械震動和強烈的電磁干擾,實驗研究時PPS的控制子系統的電路通常采用遠方方式設計和使用。隨著ETCG朝實用化方向發展,需要ETCG與PPS諸系統集成一體,從而要求控制電路必須具有優良的抗機械震動性能,并能在強電磁干擾環境中使用。
2 控制電路功能
PPS工作時,由控制電路對系統各階段狀態進行監測,并根據監測情況發指令進行系統狀態跳轉。
控制電路主要功能是實現PPS的充、放電電控制。
通常,充電子系統內部配有過電流、過電壓和過熱等故障保護或異常告警裝置。但這些裝置的保護范圍一般僅限于充電子系統內部,PPS放電時浪涌電壓等外部因素仍可能造成充電設備損壞。因此,在儲能單元和充電子系統間還需配置一些隔離和保護電路。圖1給出了用于ETCG研究的PPS所配置的充電隔離及保護電路。圖1中,充電隔離開關(Kc)和地絕緣隔離開關(Kg)在充電結束后打開,用以防止PPS放電時由負載等因素產生的浪涌高電壓通過充電子系統對地放電,可以避免因此所造成的充電設備絕緣損壞;充電輸出終端并聯了一小容量電容器(Cp)及其安全釋能電路(開關Kp、電阻Rp),目的在于防止空載誤充電,以避免在此情況下充電電路末端電壓急劇升高損壞充電設備。

圖1 充電隔離保護電路
脈沖電容器儲能后,由控制電路發送命令進行觸發放電(ETcG發射)。ETCG發射精度和一致性與PPS儲能量密切相關,電容器儲能大小與其充電電壓的量值平方成正比,因此控制電路必須能精確控制充電電壓量值,這可以通過與被充電容器組并聯"分壓器一電壓繼電器組"來實現,見圖2。

圖2 充電電壓測控與安全釋能電路
工作中有可能因安全因素或異常情況需要取消ETCG發射,這種情況下電容器可能已經儲存了大量電能。此外,ETCG發射后電容器一般仍存儲著一些剩余電能。因此,如圖2所示,PPS安裝了儲能安全釋放電路,Kd是安全釋能開關,其狀態受控于控制電路,Rd為安全釋能電阻。
[page]
因此,控制電路應具備如下基本功能:
(1)高壓繼電開關狀態控制。控制電路必須能使各高壓繼電開關通斷狀態正確對應于PPS的不同工作階段,見表1;
(2)充電啟、停控制。充電設備將根據控制電路命令啟動或停止充電;
(3)放電控制。在正常情況下,電容器組儲能結束后,PPS將根據控制電路命令啟動觸發放電(ETCG發射);
(4)急停控制。工作中,若系統某個部分(器件)發生異常或出現安全隱患,控制電路應具有使充電設備緊急停車功能,并能使電容器安全釋能。

表1 被控繼電開關狀態
3 控制器件選用
ETcG發射特點不僅是高電壓、強電流,而且伴隨著強烈的機械震動。因此,選用控制器件時必須兼顧器件的電磁兼容(EMC)性能和抗震動性能。
實驗研究用PPS的控制電路一般為遠方模式,可以采用單片機等微控制器(MCU)或者電磁式繼電器(EMR)進行電路設計。但系統一體集成時,ETCG發射所引起的強震動、強電磁干擾將致使MCU不能正常工作甚至損壞,同樣,由于具有金屬線圈和機械觸點,EMR也難免發生誤動作或損壞。
調查發現,固態繼電器(SSR)可在強震動工況下使用。作為一種由固態電子元件組成的新型無觸點開關器件,SSR近年來在民用工控領域得到了廣泛應用。它是依靠半導體器件和電子元件的電、光特性來完成隔離和繼電切換功能的。由于沒有電磁線圈,且不含運動零部件,因而它不怕劇烈的機械震動。根據文獻[4]所進行的電磁抗干擾能力測試與給出的EMC抗干擾標準,SSR也具有良好的EMC性能,在類似于ETCG工況的電磁環境中使用完全合適。因此,電路設計時控制器件選用了SSR.
4 控制電路設計
圖3是基于PPS控制功能要求,采用經驗法設計的控制電路。需要指出,為了讓被控繼電開關通斷狀態信息實時地反饋于控制環節,系統中使用的高壓繼電開關(Kc、Kg、Kd、Kp)均帶有位置行程輔助開關。
圖3(a)中,KM1-4為SSR,SB1-4為自鎖按鈕。系統上電后,通過按鈕SB1啟動KM1和KM2,這樣Kd將首先得電動作,隨后Kc、Kg、Kp也相繼動作,為下一步進行的充電工作做好了準備。圖3(b)中,Kc和Kg啟動采用了位置接點Kdl,同樣Kp啟動也采用了位置接點Kcl和Kgl,這樣設計目的是使控制電路具有了邏輯動作與防誤閉鎖功能。此時只要充電設備自檢正常(圖3(a)中"充電機正常"接點閉合),則燈HI 1指示可以進行充電,通過按鈕SB2啟動KM3便可對脈沖電容器組進行充電。脈沖電容器電壓達到預設值后,KV動作,常閉接點KV1斷開致使KM2失電,則Kc、Kg、Kp相繼返回,同時Kp返回又使KM3失電,這樣Kc、Kg斷開,充電機停止工作,滿足了系統放電前提。此時燈HL1熄滅、KV2接通,燈HL2指示充電完畢,通過按鈕SB3啟動KM4則可進行ETCG發射。

圖3 基本控制電路
若遇到異常需要工作急停,僅需通過按鈕SB4使KM1失電即可。KM1失電將使得Kd復位閉合,脈沖電容器中存儲的能量便通過電阻Rd安全釋放;同時,由于位置接點Kdl斷開,Kc、Kg、Kp相繼復位,系統從而完全停止運行。在ETCG發射完畢后SB4還被用作狀態復位按鈕。
[page]
5 電路試用及改進
將圖3電路組裝于鋼箱內,安裝在電容8 000uF、脈沖成形電感10uH、工作電壓15 kV的PPS上,通過模擬ETCG工況對電路進行了試用。
試用期間電路出現了SSR誤動作問題。統計發現,出現SSR誤動的工作次數約占總工作次數的7%.分析表明,SSR誤動作的原因來自PPS充放電所產生的強電磁干擾,與機械震動無關。SSR通常因DC輸入側或AC輸出負載側出現了較大電磁噪音(或浪涌)而誤動作。PPS中,被控高壓繼電開關(Kc、Kg、Kd、Kp)采用的是大功率電磁鐵開關,線圈通斷電和強電磁干擾必然會生成電磁噪音或浪涌。此外,控制電源、控制線路也會因強電磁干擾而出現諧波與噪音。
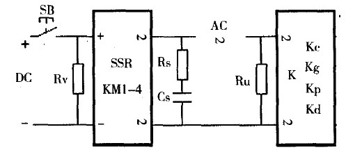
如圖4所示,針對PPS充放電所產生的強電磁干擾,在控制電路中為SSR增裝了浪涌吸收等輔助保護電路。電阻Ru和吸收電路Rs-Cs用來防止負載所造成的SSR誤動;Ru用于吸收SSR斷開時繼電開關線圈的殘存能量以及因電磁干擾產生的感應能量,能有效抑制因此所產生的電磁噪音與浪涌;Rs~Cs是SSR負載側浪涌吸收電路。電阻Rv作用是使SSR輸入端在SB斷開時具有相同電位,能防止輸入側噪音所引起的SSR誤動。

圖4 控制輔助電路
控制電路改進后試用沒有再次出現SSR誤動作,這說明其可以滿足ETCG與PPS一體化集成要求。
6 結束語
根據PPS控制電路功能要求和ETCG實用化方向發展要求,本文選用SSR進行了PPS控制電路設計,并通過模擬實驗對基于SSR設計的控制電路進行了試用和改進。與其他控制器件相比,SSR具有優良的抗震動性能和較強的電磁兼容能力,應用于強震動環境下的電控領域前景廣闊。




