中心議題:
- LED恒流驅動電路設計
- LED恒流驅動電路仿真測試結果
解決方案:
- 基于MOS管飽和區恒流特性的恒流模塊
- 基于電流負反饋的恒流模塊
- 擬合工作區的恒流驅動模塊
本文介紹基于CSMC0.5umBCD工藝給出的LED恒流驅動電路。利用MOS管飽和區恒流特性以及電流負反饋結構,給出三種恒流驅動方案。比較三種方案的恒流工作電壓,確立最終結構。本文采用的方案能夠有效降低恒流工作電壓并實現利用外接電阻控制恒流輸出的大小,驅動電流范圍為14.5mA到91.5mA.驅動電流可以通過外接PWM數字信號實現輸出使能控制,控制響應時間為7ns.可用于LED顯示屏。通過Hspice軟件進行仿真,5V的電源電壓波動±10%時驅動電流波動小于1.85%.環境溫度由25℃變化到85℃時驅動電流變化2.14%.外接電壓由0V變化到5V,此時的驅動電流變化小于5.5%.當驅動電流為91.5mA時,恒流工作電壓僅為0.38V.
1 引言
近年來,LED顯示屏應用迅速發展,推動LED驅動IC的進步。基于對LED的高可靠性以及亮度和色度一致性的考慮,通常要對LED進行恒流驅動。
用于LED顯示屏的恒流驅動電路主要存在三個設計要點:①驅動電流可通過單一外接電阻設定。②最大限度降低恒流工作電壓。這里,恒流工作電壓指使輸出電流恒定時的內部電路壓降,該壓降小則電路功耗低。③恒流輸出可由數字信號控制,響應速度要快,以滿足采用PWM技術動態調光或高速掃描應用的需要。文中給出了一種使驅動MOS管在線性區實現恒流的控制方法,且不需要在源極串聯反饋電阻,有效降低了恒流工作電壓。在此基礎上,給出了滿足以上三方面要求的完整控制電路。
2 恒流驅動電路設計
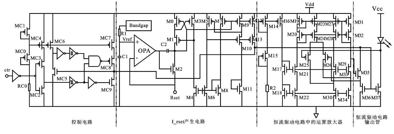
恒流驅動模塊是整個控制電路設計核心,決定整體電路的恒流特性。針對此模塊給出三種方案。具體電路結構如圖1所示。圖中電流I_rset只受控于外接電阻Rset,當Rset不變時,此電流恒定。Vcc是電路的外接電壓,用來為LED供電。

圖1 電路結構
[page]
2.1 基于MOS管飽和區恒流特性的恒流模塊
這種結構采用簡單的恒流方式,常應用于大功率LED照明電路,結構如圖1(a)所示。電路利用M1實現恒流驅動。外接電壓Vcc的增大使得M1進入飽和區,利用運放保證M1柵電壓保持不變。工作于飽和區的M0與M1的共柵連接方式使得流經它們的電流滿足線性比例關系且電流恒定,比例系數取決于兩者的寬長比的比值。這種恒流模式完全依賴于MOS管的柵電壓并且恒流工作電壓(VDS1)至少要滿足M1管飽和導通,因此結構對于LED顯示電路來說功耗大。
2.2 基于電流負反饋的恒流模塊
為減小電路功耗,采用負反饋結構實現恒流輸出。電路結構如圖1(b)。當電路由于某一原因導致M0的漏電流增加時,增加的電流通過R1作用反饋到運放的反相端,負反饋結構會使得M0的柵壓降低,使M0上漏電流減小,從而實現動態平衡,保證M0的漏電流恒定不變,反之亦然。這樣的恒流方式降低了恒流工作電壓,電路功耗小。動態平衡方式很好的實現了恒流輸出,恒流特性好。負反饋結構使得驅動電流Iout與I_rset之間滿足線性比列關系,比例系數取決于R0與R1的阻值比。
該結構存在一些不足:①R1不宜過大,否則R1上壓降過高,產生較大功耗。②R1不宜過小,否則會導致反饋電壓過小,反饋電壓信噪比低,電路性能不穩定。R1設置在幾個歐姆為宜,對于電阻的精確要求使得版圖設計相對困難,對工藝的要求較高。③反饋電阻的存在就不可避免的在R1上產生一定的壓降,造成集成電路內部功耗的增加。
2.3 擬合工作區的恒流驅動模塊
為避免反饋電阻存在的問題,采用圖1(c)結構,負反饋取樣點在M1漏端。同時為最大限度的降低恒流工作電壓需實現MOS管在線性區可以恒流輸出。這種方式將線性區恒流輸出曲線與飽和區恒流輸出特性曲線擬合成一條曲線,得到驅動電流的恒流輸出曲線恒流特性好,恒流工作電壓低。
MOS管漏電流ID在不同工作區滿足關系式:
當VDS>VGS-VTHN時,MOS管處于飽和區:

當V DS < VGS - V THN時, MOS 管處于線性區:

若某一原因導致運放同相端輸入電壓增大,會使得M0柵電壓增加。而I_rset對于固定的外設電阻是恒定的,故M0的漏電壓減小,從而M1的柵電壓減小,漏電壓增加,即運放的反相端電壓也隨之增加,反之亦然。這一結構保證運放的同相端和反相端輸入電壓始終保持相等,即保證M1和M2的漏電壓相等。同時M1和M2的共柵連接方式使得兩者的柵電壓相等。由式(1)、(2)可以看出,只要保證M1和M2的柵、漏電壓均相等,驅動電流Iout與I_rset就會滿足一個線性的比例關系,比例系數依賴于M1和M2的寬長比的比值。而對于一個固定的外設電阻,I_rset是固定不變的,電路可以利用此關系在M2尚處于線性區時就可以恒流輸出,顯著的降低恒流輸出的工作電壓。這一結構要求電路中的運放的線性區的工作范圍寬,即保證在M2處于線性區時,運放一直能夠正常放大,保證M1和M2的漏源電壓相等。當同相端的增加量使得運算放大器已經進入到飽和區時,盡管反饋結構不再起作用,但M2已經可以利用飽和區恒流特性實現恒流輸出,I_reST不變使得飽和區的恒流值與線性區一致,兩個工作區的曲線擬合在一起,形成最終的恒流輸出曲線。
三種結構的恒流工作電壓和驅動電流最大誤差如表1所示。三種結構的I_rset均是同一簡單電流鏡產生的1mA電流,驅動電流與I_rset的比例關系均設置為1:50,外接電壓的工作范圍均為0V~5V.

表1 三種結構恒流工作電壓及驅動電流最大誤差比較
可以看出,圖1中(c)的結構可以實現顯著降低恒流工作電壓的目的。總體電路中的恒流驅動模塊采用該結構。
[page]
LED恒流驅動的總體電路如圖2所示,圖中控制電路部分用于控制是否有恒流輸出。ctr信號是外接PWM數字信號,可以實現對LED的調光控制。

圖2 恒流驅動電路總圖
整個控制模塊利用施密特觸發器實現電平的準確翻轉,通過邏輯門作用于MC8、MC9.這兩個MOS管在控制信號發生翻轉時迅速將電平拉高或拉低,實現了對控制信號控制功能的加速作用,電路的響應速度快。當ctr信號為高時輸出禁止,ctr信號為低時輸出允許,從而實現利用外部的PWM信號實現調光功能。I_rset產生電路要實現通過外設電阻Rset對I_rest大小的控制,并且對與固定的Rset可以恒流輸出。利用帶隙電壓源產生一個基準電壓,利用運放實現基準電壓到基準電流的轉換。將運放的反相端連接到外設電阻Rset就實現了轉換的電流大小受控于Rset.通過后續電路將電流適當放大,最終給出I_rset.總體電路利用確立好的恒流驅動模塊實現恒流輸出。
3 仿真測試結果
采用圖2電路結構,基于CSMC0.5umBCD工藝庫進行LED恒流驅動電路仿真。電路實現了恒流工作電壓低,驅動電流大小可以由外部電阻調節,并且外部數字信號對驅動電流具有使能控制功能,響應速度快的目的。
控制ctr信號變化時驅動電流變化情況如圖3.結果顯示ctr對驅動電流具有輸出使能控制作用,測量得到控制信號ctr響應時間僅為7ns.

圖3 驅動電流隨控制信號變化情況
不同外接電阻下恒流輸出特性曲線如圖4.阻值由200Ω~1300Ω時,驅動電流變化范圍是14.5mA~91.5mA,輸出恒流為91.5mA時,恒流工作電壓僅為0.38V.分析時Vcc由0V到5V變化,驅動電流變化保持在5.5%以內,負載電路的增加使得恒流結構的恒流精度與先前相比有所降低。

圖4 外接電阻變化時,恒流輸出特性曲線
[page]
設置Rset為500Ω、Vcc為3V,令5V電源電壓產生±10%的波動,此時恒流輸出情況如圖5.驅動電流由37.8mA變化到38.5mA,波動百分比為1. 85%。

圖5 驅動電流隨電源電壓變化曲線
設置Rset為500Ω、Vcc為3V,令電路工作的環境溫度為25℃~85℃時,恒流輸出情況如圖6.驅動電流由37.3mA變化到38.1mA,波動百分比2.14%.

圖6 驅動電流隨溫度變化曲線
4 結束語
文中給出一種LED恒流驅動電路,可用于LED顯示屏。利用電流負反饋結構并擬合工作區,電路恒流工作電壓低,同時實現外部數字信號的使能控制,控制信號響應速度快,可用于實現PWM數字調光。驅動電流大小可以有外接電阻實現控制。仿真顯示,電路5V的電源電壓波動±10%時,驅動電流波動小于1.85%.環境溫度在25℃~85℃時,驅動電流變化2.14%.驅動電流為91.5mA時,恒流工作電壓僅為0.38V.電路驅動電流可由外接信號實現輸出使能控制,響應時間為7ns.驅動電流大小通過外接電阻設置實現,設置范圍200Ω~1300Ω,對應驅動電流變化范圍是14.5mA~91.5mA.



