中心議題:
- 單相橋式PWM逆變電路
- PWM控制過程的分析
橋式PWM逆變器中,為了防止同橋臂開關器件直通,需要在其互補驅動信號中設置死區,但同時會導致輸出電壓基波幅值降低并產生低次諧波等。為改善輸出電壓波形,可采取多種方法,相關資料也介紹了死區補償的方法,但未能采用圖文形象、直觀的介紹死區補償的過程,而采用純數學推理和文字說明較抽象,不易理解。本文詳細介紹了一種死區補償的方法。
1 單相橋式PWM逆變電路
在采用IGBT作為開關器件的單相橋式PWM逆變電路中,假設負載為阻感負載。工作時V1和V2的通斷狀態互補,V3和V4的通斷狀態也互補。逆變橋的主回路由左右橋臂組成,每個橋臂有兩個IGBT,每一個開關器件都有一個PWM波控制其導通,且同一橋臂上的兩功率開關器件不能同時導通,否則會導致直流電壓短路。考慮到在感性負載下二極管VD1、VD2、VD3、VD4存在著續流的現象,且逆變橋同一橋臂上的兩個IGBT不能同時導通,所以在逆變電路中存在著五種開關狀態,具體情況如表1所示。單相橋式刪逆變電路如圖1所示。


圖1 單相橋式PWM逆變電路
2 PWM控制過程的分析
2.1 PWM的產生機制
本文采用調制法產生PWM波形,采用等腰三角波作為載波,因為等腰三角波上任一點的水平寬度和高度成線性關系且左右對稱,當它與任何一個平緩變化的調制信號波相交時,如果在交點時刻對電路中開關器件的通斷進行控制,就可以得到正比于信號波幅值的脈沖,這正好符合PWM控制的要求。
本文設置三角波頻率為550Hz,正弦波頻率為50Hz,通過調制法得到每個IGBT的PWM波形圖如圖2所示。

圖2 IGBT的控制信號[page]
2.2 死區補償
在電壓型逆變電路的PWM控制中,同一相上下兩個橋臂的驅動信號都是互補的。但由于IGBT的截止時間約為200多納秒,導通時間約為100多納秒,開通速度比關斷速度快。如果在一個IGBT截止的同時讓此橋臂的另一個IGBT導通,將會出現上下兩個橋臂直通而短路的現象。為了防止發生這一現象,必須在開通和關斷信號之間設置一個死區時間,因而理想的調制信號和開關管輸出的實際信號之間存在偏差。死區時間的存在導致輸出電壓波形產生畸變,降低了基波幅值,增加了負載的諧波損耗。
為了避免橋臂直通設置的死區時間雖然寬度很小,僅占開關周期的百分之幾,單個脈沖不足以影響整個系統的性能,但由于開關頻率較高,其積累效應足以使輸出波形發生畸變并產生諧波干擾,所以有必要對死區效應進行補償。
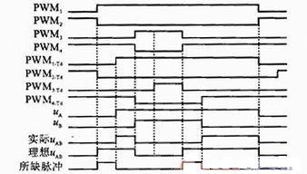
在圖1所示的單相SPWM逆變電路中,設置死區前后的控制波形如圖3所示。

圖3 單相SPWM逆變橋設置死區前后的控制波形(i>0時)
由圖3可知,由死區及續流所致,當i>0時,正向脈沖較理想時減小了Td,負向脈沖增加了Td;當i<0時,情況相反。
由于在死區時間內,存在V1、V2、V3、V4都不導通的情況。當電路為阻感負載時,由于電感中的電流不能突變,所以電路會在死區時間通過續流二極管續流。
通過比較可知,因為續流的緣故,死區時間內A、B點的電位不再為零。當i>0時,VD2、VD3續流形成回路,A端電位UA為-Ed/2,B端電位UB為+Ed/2;當i<0時,VD1、VD4續流形成回路,A端電位UA為+Ed/2,B端電位UB為-Ed/2。
A、B兩點之間電壓分別為,UAB=UA-UB,UAB''=UA''-UB'',可以看出,原來處于死區時間內電壓為0的區域在續流的作用下變得有電壓了。電壓的大小由電流的方向決定,當i>0時,VD2、VD3續流形成回路,輸出電壓UO=UA-UB為-Ed;當i<0時,VD1、VD4續流形成回路,輸出電壓UO=UA-UB為+Ed。
由于受續流的影響,輸出電壓和輸出電流存在相位差φ,降低了系統的功率因素。為了提高功率因數,需要對波形進行死區補償。
圖4是在死區時間Td內A點和B點的電位。圖中虛線部分面積和Td時間內產生的UA"(或UB")的面積大小相等。

圖4 死區補償原理圖
設置死區后的PWM波形會發生形變,使其稍稍偏離正弦波。這時需要對IGBT在死區時間中功率的減小做出補償。將圖4(a)中的虛線部分補償給ur得到圖4(c),將圖4(b)中虛線部分補償給反向正弦波得到圖4(d),從而實現了在死區時間內功率損失的補償。
[page]
2.3 輸出電壓和輸出電流的分析
圖5(a)和(b)分別為輸出電壓和輸出電流的波形,從圖中可以看出輸出電流的相位比輸出電壓滯后φ個角度。為了便于對器件的選擇,將輸出電流的波形進行了分解。

圖5 單相SPWM逆變電路輸出波形圖
其中Id為輸出電流的有效值,iβ0為器件上電流的基波分量,iβ為器件上的電流。
3 實驗與結果
本文以三角波頻率550Hz,正弦波頻率50Hz為例介紹了死區補償的方法,但在實際應用中三角波頻率要大得多,這里選取550Hz目的是為了便于分析。
在實驗中,開關頻率為10kHz,正弦波頻率為50Hz,取L1=1.15mH,L2=0.1mH,C=90μF,負載為純阻性,滿載時為8歐姆,死區時間Td設置為2μs。
通過實驗得出補償前后的波形圖如圖6所示。

圖6 補償前后輸出電壓及諧波分量的波形
4 結束語
在死區時間內,由于續流的緣故輸出電壓波形發生了畸變,通過對波形進行等效的補償可以得到準正弦波。推理和實驗均證明該方法能較好地對逆變器橋路輸出電壓進行補償。該方法簡單實用,易于實現,具有一定的工程使用價值。



