- 介紹正激式變壓器開關電源
- 正激式變壓器開關電源的優缺點
- 正激式變壓器開關電源電路參數的計算
- 正激式開關電源變壓器初級線圈匝數的計算
- 變壓器初、次級線圈匝數比的計算
正激式變壓器開關電源
正激式變壓器開關電源輸出電壓的瞬態控制特性和輸出電壓負載特性,相對來說比較好,因此,工作比較穩定,輸出電壓不容易產生抖動,在一些對輸出電壓參數要求比較高的場合,經常使用。
正激式變壓器開關電源工作原理

所謂正激式變壓器開關電源,是指當變壓器的初級線圈正在被直流電壓激勵時,變壓器的次級線圈正好有功率輸出。
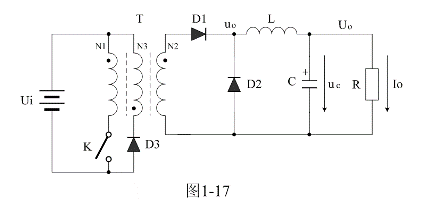
圖1-17是正激式變壓器開關電源的簡單工作原理圖,圖1-17中Ui是開關電源的輸入電壓,T是開關變壓器,K是控制開關,L是儲能濾波電感,C是儲能濾波電容,D2是續流二極管,D3是削反峰二極管,R是負載電阻。
在圖1-17中,需要特別注意的是開關變壓器初、次級線圈的同名端。如果把開關變壓器初線圈或次級線圈的同名端弄反,圖1-17就不再是正激式變壓器開關電源了。
我們從(1-76)和(1-77)兩式可知,改變控制開關K的占空比D,只能改變輸出電壓(圖1-16-b中正半周)的平均值Ua ,而輸出電壓的幅值Up不變。因此,正激式變壓器開關電源用于穩壓電源,只能采用電壓平均值輸出方式。
圖1-17中,儲能濾波電感L和儲能濾波電容C,還有續流二極管D2,就是電壓平均值輸出濾波電路。其工作原理與圖1-2的串聯式開關電源電壓濾波輸出電路完全相同,這里不再贅述。關于電壓平均值輸出濾波電路的詳細工作原理,請參看“1-2.串聯式開關電源”部分中的“串聯式開關電源電壓濾波輸出電路”內容。
正激式變壓器開關電源有一個最大的缺點,就是在控制開關K關斷的瞬間開關電源變壓器的初、次線圈繞組都會產生很高的反電動勢,這個反電動勢是由流過變壓器初線圈繞組的勵磁電流存儲的磁能量產生的。因此,在圖1-17中,為了防止在控制開關K關斷瞬間產生反電動勢擊穿開關器件,在開關電源變壓器中增加一個反電動勢能量吸收反饋線圈N3繞組,以及增加了一個削反峰二極管D3。
反饋線圈N3繞組和削反峰二極管D3對于正激式變壓器開關電源是十分必要的,一方面,反饋線圈N3繞組產生的感應電動勢通過二極管D3可以對反電動勢進行限幅,并把限幅能量返回給電源,對電源進行充電;另一方面,流過反饋線圈N3繞組中的電流產生的磁場可以使變壓器的鐵心退磁,使變壓器鐵心中的磁場強度恢復到初始狀態。
由于控制開關突然關斷,流過變壓器初級線圈的勵磁電流突然為0,此時,流過反饋線圈N3繞組中的電流正好接替原來勵磁電流的作用,使變壓器鐵心中的磁感應強度由最大值Bm返回到剩磁所對應的磁感應強度Br位置,即:流過反饋線圈N3繞組中電流是由最大值逐步變化到0的。由此可知,反饋線圈N3繞組產生的感應電動勢在對電源進行充電的同時,流過反饋線圈N3繞組中的電流也在對變壓器鐵心進行退磁。
[page]圖1-18是圖1-17中正激式變壓器開關電源中幾個關鍵點的電壓、電流波形圖。圖1-18-a)是變壓器次級線圈N2繞組整流輸出電壓波形,圖1-18-b)是變壓器次級線圈N3繞組整流輸出電壓波形,圖1-18-c)是流過變壓器初級線圈N1繞組和次級線圈N3繞組的電流波形。
圖1-17中,在Ton期間,控制開關K接通,輸入電源Ui對變壓器初級線圈N1繞組加電,初級線圈N1繞組有電流i1流過,在N1兩端產生自感電動勢的同時,在變壓器次級線圈N2繞組的兩端也同時產生感應電動勢,并向負載提供輸出電壓。開關變壓器次級線圈輸出電壓大小由(1-63)、(1-69)、(1-76)、(1-77)等式給出,電壓輸出波形如圖1-18-a)。
圖1-18-c)是流過變壓器初級線圈電流i1的波形。流過正激式開關電源變壓器的電流與流過電感線圈的電流不同,流過正激式開關電源變壓器中的電流有突變,而流過電感線圈的電流不能突變。因此,在控制開關K接通瞬間流過正激式開關電源變壓器的電流立刻就可以達到某個穩定值,這個穩定電流值是與變壓器次級線圈電流大小相關的。如果我們把這個電流記為i10,變壓器次級線圈電流為i2,那么就是:i10 = n i2 ,其中n為變壓器次級電壓與初級電壓比。
另外,流過正激式開關電源變壓器的電流i1除了i10之外還有一個勵磁電流,我們把勵磁電流記為?i1。從圖1-18-c)中可以看出,?i1就是i1中隨著時間線性增長的部份,勵磁電流?i1由下式給出:

當控制開關K由接通突然轉為關斷瞬間,流過變壓器初級線圈的電流i1突然為0,由于變壓器鐵心中的磁通量 不能突變,必須要求流過變壓器次級線圈回路的電流也跟著突變,以抵消變壓器初級線圈電流突變的影響,要么,在變壓器初級線圈回路中將出現非常高的反電動勢電壓,把控制開關或變壓器擊穿。
如果變壓器鐵心中的磁通 產生突變,變壓器的初、次級線圈就會產生無限高的反電動勢,反電動勢又會產生無限大的電流,而電流又會抵制磁通的變化,因此,變壓器鐵心中的磁通變化,最終還是要受到變壓器初、次級線圈中的電流來約束的。
因此,控制開關K由接通狀態突然轉為關斷,變壓器初級線圈回路中的電流突然為0時,變壓器次級線圈回路中的電流i2一定正好等于控制開關K接通期間的電流i2(Ton+),與變壓器初級線圈勵磁電流?i1被折算到變壓器次級線圈的電流之和。但由于變壓器初級線圈中勵磁電流?i1被折算到變壓器次級線圈的電流?i1/n的方向與原來變壓器次級線圈的電流i2(Ton+)的方向是相反的,整流二極管D1對電流?i1/n并不導通,因此,電流?i1/n只能通過變壓器次級線圈N3繞組產生的反電動勢,經整流二極管D3向輸入電壓Ui進行反充電。
在Ton期間,由于開關電源變壓器的電流的i10等于0,變壓器次級線圈N2繞組回路中的電流i2自然也等于0,所以,流過變壓器次級線圈N3繞組中的電流,只有變壓器初級線圈中勵磁電流?i1被折算到變壓器次級線圈N3繞組回路中的電流i3 (等于?i1/n),這個電流的大小是隨著時間下降的。[page]
一般正激式開關電源變壓器的初級線圈匝數與次級反電動勢能量吸收反饋線圈N3繞組的匝數是相等的,即:初、次級線圈匝數比為:1 :1 ,因此,?i1 = i3 。圖1-18-c)中,i3用虛線表示。
圖1-18-b)正激式開關電源變壓器次級反電動勢能量吸收反饋線圈N3繞組的電壓波形。這里取變壓器初、次級線圈匝數比為:1 :1,因此,當次級線圈N3繞組產生的反電動勢電壓超過輸入電壓Ui時,整流二極管D3就導通,反電動勢電壓就被輸入電壓Ui和整流二極管D3進行限幅,并把限幅時流過整流二極管的電流送回供電回路對電源或儲能濾波電容進行充電。
精確計算電流i3的大小,可以根據(1-80)式以及下面方程式求得,當控制開關K關閉時:


上式中右邊的第一項就是流過變壓器初級線圈N1繞組中的最大勵磁電流被折算到次級線圈N3繞組中的電流,第二項是i3中隨著時間變化的分量。其中n為變壓器次級線圈與初級線圈的變壓比。值得注意的是,變壓器初、次級線圈的電感量不是與線圈匝數N成正比,而是與線圈匝數N2成正比。由(1-82)式可以看出,變壓器次級線圈N3繞組的匝數增多,即:L3電感量增大,變壓器次級線圈N3繞組的電流i3就變小,并且容易出現斷流,說明反電動勢的能量容易釋放完。因此,變壓器次級線圈N3繞組匝數與變壓器初級線圈N1繞組匝數之比n最好大于一或等于一。
當N1等于N3時,即:L1等于L3時,上式可以變為:

(1-83)式表明,當變壓器初級線圈N1繞組的匝數與次級線圈N3繞組的匝數相等時,如果控制開關的占空比D小于0.5,電流i3是不連續的;如果占空比D等于0.5,電流i3為臨界連續;如果占空比D大于0.5,電流i3為連續電流。
這里順便說明,在圖1-17中,最好在整流二極管D1的兩端并聯一個高頻電容(圖中未畫出)。其好處一方面可以吸收當控制開關K關斷瞬間變壓器次級線圈產生的高壓反電動勢能量,防止整流二極管D1擊穿;另一方面,電容吸收的能量在下半周整流二極管D1還沒導通前,它會通過放電(與輸出電壓串聯)的形式向負載提供能量。這個并聯電容不但可以提高電源的輸出電壓(相當于倍壓整流的作用),還可以大大地減小整流二極管D1的損耗,提高工作效率。同時,它還會降低反電動勢的電壓上升率,對降低電磁輻射有好處。[page]
正激式變壓器開關電源的優缺點
為了表征各種電壓或電流波形的好壞,一般都是拿電壓或電流的幅值、平均值、有效值、一次諧波等參量互相進行比較。在開關電源之中,電壓或電流的幅值和平均值最直觀,因此,我們用電壓或電流的幅值與其平均值之比,稱為脈動系數S;也有人用電壓或電流的有效值與其平均值之比,稱為波形系數K。
因此,電壓和電流的脈動系數Sv、Si以及波形系數Kv、Ki分別表示為:




上面4式中,Sv、Si、Kv、Ki分別表示:電壓和電流的脈動系數S,和電壓和電流的波形系數K,在一般可以分清楚的情況下一般都只寫字母大寫S或K。脈動系數S和波形系數K都是表征電壓或者電流好壞的指標,S和K的值,顯然是越小越好。S和K的值越小,表示輸出電壓和電流越穩定,電壓和電流的紋波也越小。
正激式變壓器開關電源正好是在變壓器的初級線圈被直流電壓激勵時,變壓器的次級線圈向負載提供功率輸出,并且輸出電壓的幅度是基本穩定的,此時盡管輸出功率不停地變化,但輸出電壓的幅度基本還是不變,這說明正激式變壓器開關電源輸出電壓的瞬態控制特性相對來說比較好;只有在控制開關處于關斷期間,功率輸出才全部由儲能電感和儲能電容兩者同時提供,此時輸出電壓雖然受負載電流的影響,但如果儲能電容的容量取得比較大,負載電流對輸出電壓的影響也很小。
另外,由于正激式變壓器開關電源一般都是選取變壓器輸出電壓的一周平均值,儲能電感在控制開關接通和關斷期間都向負載提供電流輸出,因此,正激式變壓器開關電源的負載能力相對來說比較強,輸出電壓的紋波比較小。如果要求正激式變壓器開關電源輸出電壓有較大的調整率,在正常負載的情況下,控制開關的占空比最好選取在0.5左右,或稍大于0.5,此時流過儲能濾波電感的電流才是連續電流。當流過儲能濾波電感的電流為連續電流時,負載能力相對來說比較強。
當控制開關的占空比為0.5時,正激式變壓器開關電源輸出電壓uo的幅值正好等于電壓平均值Ua的兩倍,流過濾波儲能電感電流的最大值Im也正好是平均電流Io(輸出電流)的兩倍,因此,正激式變壓器開關電源的電壓和電流的脈動系數S都約等于2,而與反激式變壓器開關電源的電壓和電流的脈動系數S相比,差不多小一倍,說明正激式變壓器開關電源的電壓和電流輸出特性要比反激式變壓器開關電源好很多。[page]
正激式變壓器開關電源的缺點也是非常明顯的。其中一個是電路比反激式變壓器開關電源多用一個大儲能濾波電感,以及一個續流二極管。此外,正激式變壓器開關電源輸出電壓受占空比的調制幅度,相對于反激式變壓器開關電源來說要低很多,這個從(1-77)和(1-78)式的對比就很明顯可以看出來。因此,正激式變壓器開關電源要求調控占空比的誤差信號幅度比較高,誤差信號放大器的增益和動態范圍也比較大。
另外,正激式變壓器開關電源為了減少變壓器的勵磁電流,提高工作效率,變壓器的伏秒容量一般都取得比較大(伏秒容量等于輸入脈沖電壓幅度與脈沖寬度的乘積,這里用US來表示),并且為了防止變壓器初級線圈產生的反電動勢把開關管擊穿,正激式變壓器開關電源的變壓器要比反激式變壓器開關電源的變壓器多一個反電動勢吸收繞組,因此,正激式變壓器開關電源的變壓器的體積要比反激式變壓器開關電源的變壓器的體積大。
正激式變壓器開關電源還有一個更大的缺點是在控制開關關斷時,變壓器初級線圈產生的反電動勢電壓要比反激式變壓器開關電源產生的反電動勢電壓高。因為一般正激式變壓器開關電源工作時,控制開關的占空比都取在0.5左右,而反激式變壓器開關電源控制開關的占空比都取得比較小。
正激式變壓器開關電源在控制開關關斷時,變壓器初級線圈兩端產生的反電動勢電壓是由流過變壓器初級線圈的勵磁電流產生的。因此,為了提高工作效率和降低反電動勢電壓的幅度,盡量減小正激式開關電源變壓器初級線圈的勵磁電流是值得考慮的。
當控制開關的占空比為0.5時,在控制開關關斷時刻,電源變壓器初級會產生反電動勢,反電動勢產生的電流方向與輸入電壓Ui產生的電流方向相同,因此,控制開關兩端的電壓正好等于輸入電壓Ui與反電動勢Up-之和,即:

式中Ukp為控制開關關斷時刻,控制開關兩端的電壓;Up-為變壓器初級線圈產生反電動勢電壓的峰值。根據(1-68)式和圖1-16-b可知,Up-一般都大于輸入電壓Ui,因此Ukp大于兩倍Ui。
一般正激式變壓器開關電源都設置有一個反電動勢能量吸收回路,如圖1-17中的變壓器反饋線圈N3繞組和整流二極管D3,此時,反電動勢電壓的峰值一般都被限幅到輸入電壓Ui的值,如果不考慮變壓器初、次級線圈的漏感,則(1-88)式可以改寫為:
這個電壓對于電源開關管來說是很高的。例如電源輸入電壓為交流220伏,經整流濾波后其最大值就是311伏,根據(1-89)式可求得Uk = 622伏;如果輸入電壓為交流253伏(±15%),那么,可以求得Ukp = 715伏,這還不算變壓器初級線圈漏感產生的反電動勢電壓。一般圖1-17中的變壓器反饋線圈N3繞組和整流二極管D3,對變壓器初級線圈N1繞組漏感產生的反電動勢電壓是無法進行吸收的,這一點需要特別注意。為了吸收變壓器初級線圈N1繞組漏感產生的反電動勢,在變壓器初級線圈回路中還要專門設置一個反電動勢吸收電路,這一方面內容后面還要更詳細介紹。
一般電源開關管的耐壓都在650伏左右,因此,正激式變壓器開關電源在輸入電壓為交流220伏的設備中很少使用,或者用兩個電源開關管串聯來使用。由于正激式變壓器開關電源輸出電壓的瞬態控制特性相對來說比較好,因此,目前在一些對瞬態控制特性要求比較高的場合,用兩個電源開關管串聯的正激式變壓器開關電源也逐步開始增加。[page]
正激式變壓器開關電源電路參數的計算
正激式變壓器開關電源電路參數計算主要對儲能濾波電感、儲能濾波電容,以及開關電源變壓器的參數進行計算。
0.1.正激式變壓器開關電源儲能濾波電感和儲能濾波電容參數的計算
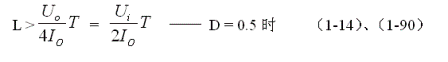
圖1-17中,儲能濾波電感和儲能濾波電容參數的計算,與圖1-2的串聯式開關電源中儲能濾波電感和儲能濾波電容參數的計算方法基本相同,因此,我們可以直接引用(1-14)式和(1-18)式,即:


式中Io為流過負載的電流(平均電流),當D = 0.5時,其大小正好等于流過儲能電感L最大電流iLm的二分之一;T為開關電源的工作周期,T正好等于2倍控制開關的接通時間Ton ;ΔUP-P為輸出電壓的波紋電壓,波紋電壓ΔUP-P一般取峰-峰值,所以波紋電壓等于電容器充電或放電時的電壓增量,即:ΔUP-P = 2ΔUc 。
同理,(1-90)式和(1-91)式的計算結果,只給出了計算正激式變壓器開關電源儲能濾波電感L和濾波電容C的中間值,或平均值,對于極端情況可以在平均值的計算結果上再乘以一個大于1的系數。
關于電壓平均值輸出濾波電路的詳細工作原理與參數計算,請參看“1-2.串聯式開關電源”部分中的“串聯式開關電源電壓濾波輸出電路”內容,這里不再贅述。
正激式開關電源變壓器參數的計算
正激式開關電源變壓器參數的計算主要從這幾個方面來考慮。一個是變壓器初級線圈的匝數和伏秒容量,伏秒容量越大變壓器的勵磁電流就越小;另一個是變壓器初、次級線圈的匝數比,以及變壓器各個繞組的額定輸入或輸出電流或功率。關于開關電源變壓器的工作原理以及參數設計后面還要更詳細分析,這里只做比較簡單的介紹。
正激式開關電源變壓器初級線圈匝數的計算
圖1-17中,當輸入電壓Ui加于開關電源變壓器初級線圈的兩端,且變壓器的所有次級線圈均開路時,流過變壓器的電流只有勵磁電流,變壓器鐵心中的磁通量全部都是由勵磁電流產生的。當控制開關接通以后,勵磁電流就會隨時間增加而增加,變壓器鐵心中的磁通量也隨時間增加而增加。根據電磁感應定理:

式中E1為變壓器初級線圈產生的電動勢,L1為變壓器初級線圈的電感量, 為變壓器鐵心中的磁通量,Ui為變壓器初級線圈的輸入電壓。其中磁通量 還可以表示為:

上式中,S為變壓器鐵心的導磁面積(單位:平方厘米),B為磁感應強度,也稱磁感應密度(單位:高斯),即:單位面積的磁通量。
把(1-93)式代入(1-92)式并進行積分:

由此求得:

(1-95)式就是計算單激式開關電源變壓器初級線圈N1繞組匝數的公式。式中,N1為變壓器初級線圈N1繞組的最少匝數,S為變壓器鐵心的導磁面積(單位:平方厘米),Bm為變壓器鐵心的最大磁感應強度(單位:高斯),Br為變壓器鐵心的剩余磁感應強度(單位:高斯),Br一般簡稱剩磁,τ = Ton,為控制開關的接通時間,簡稱脈沖寬度,或電源開關管導通時間的寬度(單位:秒),一般τ取值時要預留20%以上的余量,Ui為工電壓,單位為伏。式中的指數是統一單位用的,選用不同單位,指數的值也不一樣,這里選用CGS單位制,即:長度為厘米(cm),磁感應強度為高斯(Gs),磁通單位為麥克斯韋(Mx)。
(1-95)式中,Ui×? 就是變壓器的伏秒容量,即:伏秒容量等于輸入脈沖電壓幅度與脈沖寬度的乘積,這里我們把伏秒容量用US來表示。伏秒容量US表示:一個變壓器能夠承受多高的輸入電壓和多長時間的沖擊。[page]
在一定的變壓器伏秒容量條件下,輸入電壓越高,變壓器能夠承受沖擊的時間就越短,反之,輸入電壓越低,變壓器能夠承受沖擊的時間就越長;而在一定的工作電壓條件下,變壓器的伏秒容量越大,變壓器的鐵心中的磁感應強度就越低,變壓器鐵心就更不容易飽和。變壓器的伏秒容量與變壓器的體積以及功率無關,而只與磁通的變化量有關。
必須指出Bm和Br都不是一個常量,當流過變壓器初級線圈的電流很小時,Bm是隨著電流增大而增大的,但當電流再繼續增大時,Bm將不能繼續增大,這種現象稱磁飽和。變壓器要避免工作在磁飽和狀態。為了防止脈沖變壓器飽和,一般開關變壓器都在磁回路中留一定的氣隙。由于空氣的導磁率與鐵心的導磁率相差成千上萬倍,因此,只要在磁回路中留百分之一或幾百分之一的氣隙長度,其磁阻或者磁動勢將大部分都落在氣隙上,因此磁心也就很難飽和。
在沒有留氣隙的變壓器鐵心中的Bm和Br的值一般都很高,但兩者之間的差值卻很小;留有氣隙的變壓器鐵心,Bm和Br的值一般都要降低,但兩者之間的差值卻可以增大,氣隙留得越大,兩者之間的差值就越大,一般Bm可取1000~4000高斯,Br可取500~1000。順便指出,變壓器鐵心的氣隙留得過大,變壓器初、次級線圈之間的耦合系數會降低,從而使變壓器初、次級線圈的漏感增大,降低工作效率,并且還容易產生反電動勢把電源開關管擊穿。
還有一些高導磁率、高磁通密度磁材料(如坡莫合金),這種變壓器鐵心的導磁率和Bm值都可達10000高斯以上,但這些高導磁率、高磁通密度磁材料一般只用于雙激式開關電源變壓器中。
在(1-95)式中雖然沒有看到變壓器初級線圈電感這個變量,但從(1-92)式可以求得:

上式表示,變壓器初級線圈的電感量等于穿過變壓器初級線圈的總磁通,與流過變壓器初級線圈勵磁電流之比,另外,由于線圈之間有互感作用,即勵磁電流出了受輸入電壓的作用外,同時也受線圈電感量的影響,因此,變壓器線圈的電感量與變壓器線圈的匝數的平方成正比。從(1-95)式和(1-96)式可以看出,變壓器初級線圈的匝數越多,伏秒容量和初級線圈的電感量也越大。因此,對于正激式開關電源變壓器來說,如果不考慮變壓器初級線圈本身的電阻損耗,變壓器初級線圈的匝數是越多越好,電感量也是越大越好。但在進行變壓器設計的時候,還要對成本以及銅阻損耗等因素一起進行考慮。
變壓器初、次級線圈匝數比的計算
正激式開關電源輸出電壓一般是脈動直流的平均值,而脈動直流的平均值與控制開關的占空比有關,因此,在計算正激式開關電源變壓器初、次級線圈的匝數比之前,首先要確定控制開關的占空比D,把占空比D確定之后,根據(1-77)式就可以計算出正激式開關電源變壓器的初、次級線圈的匝數比:

由(1-77)可以求得:

上式中,n為正激式開關電源變壓器次級線圈與初級線圈的匝數比,即:n = N2/N1 ;Uo為輸出直流電壓,Ui為變壓器初級輸入電壓,D為控制開關的占空比。
在正常輸出負載的情況下,正激式開關電源控制開關的占空比D最好取值為0.5左右。這樣,當負載比較輕的時候,占空比D會小于0.5,雖然儲能濾波電感會出現斷流,儲能濾波電容充電時間縮短,放電時間增加,但由于輸出電流比較小,儲能濾波電容充、放電的電流也很小,所以在電容兩端產生的電壓紋波不會增大,反而減小;當輸出負載比較重的時候,控制開關的占空比D會大于0.5,此時流過儲能濾波電感的電流為連續電流,輸出電流增大,儲能濾波電容充電的時間增加,放電的時間縮短,因此,電容兩端產生的電壓紋波也不會增大很多。
因此,如果正激式開關電源電路中的儲能濾波電感和儲能濾波電容充電以及控制開關占空比,三者取得合適,輸出電壓紋波會很小。
正激式開關電源變壓器次級反電動勢能量吸收反饋線圈N3繞組與初線圈N1繞組的匝數比n一般為1 :1 ,即:N3/N1 = 1。如果n大于1,反饋線圈N3繞組與整流二極管D3的限幅保護作用就會增強,但流過反饋線圈N3繞組和整流二極管D3的電流也會增大,從而會增加損耗;如果n小于1,反饋線圈N3繞組與整流二極管D3的限幅保護作用就會減弱,尖峰脈沖很容易把電源開關管擊穿。
正激式開關電源變壓器次級反電動勢能量吸收反饋線圈N3繞組匝數的計算與限幅穩壓二極管的計算方法是很相似的,不過線圈匝數與穩壓二極管的擊穿電壓正好相反,擊穿電壓取得越高限幅保護的作用反而越弱。
這里順便提一下,變壓器線圈漆包線的電流密度一般取每平方毫米為2~3安培比較合適。當開關電源的工作頻率取得很高時,電流密度最好取得小一些,或者用多股線代替單股線,以免電流在導體中產生趨膚效應,增大損耗使導線發熱。另外,目前繞制變壓器使用的漆包線大部分都不是純銅線,因此電阻率相對比較大,把這些因素一起考慮,電流密度更不能取高。





