【導讀】本文主要詳解的是用于LED街燈的28V、3.3A的離線高功率因數LED驅動器設計方案。本次設計方案構成主要由LED驅動器及恒壓恒流控制器等構成,并且采用90V--265V交流電壓供電。而本文詳解的是能夠配合脈寬調制調光的LED街燈驅動設計。
單段拓撲結構LED驅動器+次級端CVCC控制器組合
NCL30001是一種單段拓撲結構LED驅動方案,其靈活的特性非常適合應用于新的LED照明產品。這款采用單段集成功率因數校正(PFC)和隔離型降壓交流-直流(AC-DC)電源轉換的離線式LED驅動器省去了專用PFC升壓段,可以減少元件數量,降低方案成本,配合提高LED電源系統總能效,用于LED街燈、低頂燈、外墻燈和建筑物照明等應用。
NCL30001采用連續導電模式(CCM)工作,這種方案集成了PFC和隔離型DC-DC轉換電路,并提供恒定電流來直接驅動LED。它相當于將AC-DC轉換與LED驅動兩部分電路整合在一起,均位于照明燈具內,省去了LED光條中集成的線性或DC-DC轉換器。這種整體式方案的電源轉換段更少,減少元器件使用數量(如光學元件、LED、電子元件及印制電路板等),降低系統成本,并支持更高的LED電源總體能效。當然,這種方案的功率密度更高,可能并不適合所有區域照明應用,其光學圖案可能更適合較低功率的LED,典型應用包括LED街燈、外墻燈、洗墻燈及電冰箱箱體照明等。
NCL30001控制器的其他規格特性還包括高壓啟動電路、電壓前饋以改善環路響應、輸入欠壓檢測、內部過載定時器、閂鎖輸入,以及減少輸入線路諧波的高精度乘法器。安森美半導體還提供這器件的隔離型單段功率因數校正LED驅動器評估板,用于要求直接恒流輸出的40W到100 W功率范圍的應用。電流可在0.7 A至1.5 A之間調節,配合更寬范圍的大功率高亮度LED。
NCS1002是一款次級端恒壓恒流(CVCC)控制器,適合LED街燈等區域照明應用,配合NCL30001控制器更可以設計出高功效、具有調光功能的LED驅動器演示板。
基于NCL30001和NCS1002的90 W演示板
90W恒壓恒流演示板可接受90至265 Vac的擴展通用輸入電壓(更換元件條件下可支持305 Vac),提供0.7A至1.5A的恒定電流輸出范圍及30V至55V的恒定輸出電壓范圍(可通過電阻分壓器來選擇),最大輸出功率90 W,支持50至1,000Hz調光控制,并包含可連接至可選調光卡的6引腳接口,用于模擬電流調節/雙亮度等級數字調光等智能調光應用。此外,這款演示板還提供短路保護、開路保護、過溫保護、過流保護及過壓保護等豐富保護特性。測試顯示,這演示板在50W輸出功率、1,000 mA輸出電壓/48 V正向壓降條件的能效高于87%,在50%至100%負載條件下功率因數高于0.9,同時符合IEC61000-3-2C類設備諧波含量標準。

圖1:演示板頂視圖
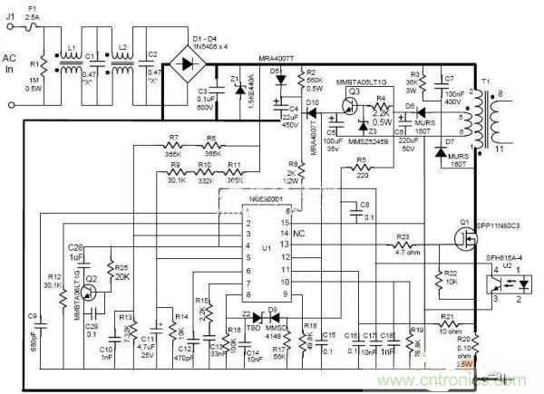
[page] 由于這種設計可以有標準NCL30001評估板(50V2A)相媲美的功率水平,電路原理的變化在于變壓器的設計,以及基于NCS1002的恒定電流/恒定電壓次級側控制電路。圖2所示為初級側電路。這個設計的反激變壓器源于原有設計的次級繞組,可以滿足新的最高電壓和電流要求。初級繞組所需的電感和整體結構基本上相同。277VAC輸入可以利用適當的額定電壓來改變EMI輸入濾波器的“X”和“Y”電容器。

圖2:NCL30001 CVCC 90 W演示板初級側原理圖
使用NCL30001連續導通模式功率因數校正單段反激式控制器,可以實現高架、隧道、停車場和道路照明等區域照明應用的恒定電流LED驅動器。這種特殊設計是針對需要大于3A的驅動能力的LED而優化的,如Luminus Devices公司的CSM360和SST90。這種設計可以支持多達8個SST90串聯或2個CSM360器件。CSM360 LED在驅動電流為3.2A條件下標稱正向電壓為12.8 V,這取決于色溫和光通量可以產生1600-3900流明。
我們看到這里的次級側控制電路如下圖。由圖可知在本設計中輸出電壓是由一個電阻率確定的,輸出電流也是基于一個電阻率設置的。因此,只有兩個電阻需要改變:一個是輸出電壓分壓器R34,另一個是電流設置電路的一部分的R32。此外,由于輸出電壓較低而輸出電流較高,增加了輸出電容,同時降低了電容器的額定電壓。

圖3:次級側原理圖
相關閱讀:
大流明LED街燈的新散熱解決方案
STM32 :基于STM32控制的太陽能-LED街燈解決方案




