【導讀】在本文介紹6ES7331-7KF02-0AB0模擬量輸入所有測量值顯示滿量程(上溢)的故障處理方法,對儀表工用好有所幫助。
在本文介紹6ES7331-7KF02-0AB0模擬量輸入所有測量值顯示滿量程(上溢)的故障處理方法,對儀表工用好有所幫助。
背景介紹
1、西門子PLC模擬量輸入模塊6ES7331-7KF02-0AB0。
2、模塊4個通道接2線制儀表,儀表通過隔離式安全柵接至模塊。
3、2個通道接4線制儀表,其中一個是露點儀。
故障分析與處理
1、故障模塊和正常模塊互換位置,發現只有在特定位置的模塊會出現故障。排除模塊故障。
2、在控制柜內依次拆除各通道接線,拆除露點儀接線后,其他通道測量值恢復正常。經檢查發現露點儀4-20mA信號負端接地。
3、恢復其他通道接線,單獨斷開露點儀接線,測量值正常片刻后,再次溢出。
4、將2線制儀表跳過隔離式安全柵,直接接入模塊后各通道恢復正常。
5、測量儀表24VDC電源,正與負端電壓約24V,正與地電壓約12V,地與負端電壓約12V。
6、將24VDC電源負端接地,系統恢復正常。
7、恢復安全柵接線,恢復露點儀接線,系統正常。
故障原因
參考電位差異,引起共模干擾,造成模塊6ES7331-7KF02-0AB0測量值溢出。
故障改善措施
1、6ES7331-7KF02-0AB0正確的接線

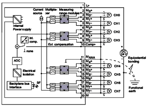
模擬量輸入模塊6ES7331-7KF02-0AB0用于電流測量的2線制和4線制測量傳感器的連接時首先必須根量程卡位置,2線制電流為D,4線制測量為C;兩線制電流測量時直接連接到模塊端子上,如連接到通道CH0時,把測量的正M0 連接到端子2上,測量的負M0-連接到端子3上,無須接地;4線制測量時,如果使用隔離電源時,必須將所有測量電路的M-與參考電位Mana(模塊端子11)相連接,并與模塊的電源M-進行等電位連接,并一起進行功能性接地;如果使用非隔離電源的接地4線制傳感器時,不需要互連MANA和M-(端子 11、13、15、17、19)的情況,因為測量信號負端M-與本地接地電位已經互連,并且參考電勢Mana和本地接地點也已經互連。COMP 是用于外部補償,而Mana是參考電位,一般模擬量輸入模塊6ES7331-7KF02-0AB0使用內部補償,所以必須將COMP 與參考電位Mana短接。
2線制輸入,不推薦把模塊設為4線制,再串電源的接法;無論2線制或4線制輸入,對6ES7331-7KF02-0AB0來說都是正接正,負接負,只是電流流向是反的,2線制電流接法的電流是流出模塊的,而4線制電流接法的電流是流入模塊的;將模板的測量模塊,及在其屬性中作相應的設置,即2線制或4線制。同一組2通道的輸入類型必須一致。測量模塊與模板屬性設為2線制或4線制即可。
2、一直是顯示滿量程?
若排除測量模式和量程卡的問題后,問題仍存在,可能是共模電壓過高。制造有限公司的經驗是:采用模擬量信號隔離器或,其后以4線制信號接入6ES7331-7KF02-0AB0模塊。
3、如何避免6ES7331-7KF02-0AB0模塊超過共模電壓(Ucm)以及如何避免出現隨后的上溢或下溢現象?
當輸入端開路且連接了零電勢測量變送器時,可能會稍稍超過共模電壓值。因此,必須對隔離4線測量變送器、零電勢電壓傳感器以及隔離熱電偶采取如下措施:
①M- 輸入端必須連接到模塊地;
②MANA也必須接地;
③將沒用到的COMP 端接地;
注意事項:如果沒有采取這些措施,正常工作的測量變送器的測量值也有可能出現壞值。
通道組輸入端的處理:
①如果通道組的兩個輸入端都沒有使用,請將測量范圍模塊插入“D”設置;
②如果通道組有一個輸入端沒有使用;
③請參閱4-20mA測量范圍手冊里的說明書;
④短接電壓/熱電偶測量范圍的開路輸入端(將M 和M-連接在一起)并將其接地。
免責聲明:本文為轉載文章,轉載此文目的在于傳遞更多信息,版權歸原作者所有。本文所用視頻、圖片、文字如涉及作品版權問題,請聯系小編進行處理。
推薦閱讀:




