【導讀】利用運算放大器輸入的比較特性,把基于運算放大器的速測儀設計成具有快速、準確的判斷所測運放好壞的功能。這種功能在元器件選擇中十分有用。
電路原理
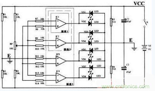
測試儀基本設計思路是將待測運算放大器(圖中IC1,IC2,IC3,IC4)接成比較器結構,當V+>V-時,Vout為正電源狀態,接近VCC。發光二極管Vd1發光。當V+>V-時,為負電源狀態,接近Vee,發光二極管Vd2亮。為此,用R1,R2設置 V+=1/2{Vcc-Vee}=0[對E點電位]R3R4Rp組成V-電壓偏置電路,向下調節Rp,可是V-V+,Vd2發光。電阻R5R6C1C2構成電源分裂電路,將9V電源分成2*4.5V,使Ve=0v即Vdd=+4.5v,Vee=-4.5v,滿足運算放大器雙電源應用的要求。
電路中R7~R14為輸入端串聯電阻,目的是當測試多運算放大器時,其中某一運算放大器輸入端損壞后不影響其他運算放大器的測試,電路設計中用二個8腳,一個14腳DIP插座,從而滿足通用型單,雙,四運放的測試。
測試儀的調試
測試儀有二個八腳一個十四腳集成電路DIP插座,結合發光二極管和電源構成。插座1用于測量單運放,7腳接電源正,4腳接電源負,2腳輸入負,3腳輸入正6腳輸出。插座2測量雙運放,8腳為電源正,4腳為電源負,2,6腳輸入負,3,5腳輸入正,1,7腳為輸出。插座3測量四運放,4腳為電源正,11腳為電源負,2、6、9、13腳輸入負3、5、10、12腳輸入正1、7、8、14腳為輸出。電路圖中IC1、IC2、IC3是作為原理給于說明,實際上插座1,插座2,插座3的接線應按以上進行連接,只要接線正確,幾乎不用調試。R5、R6應盡可能相等,確保為虛地。R5、R6由于是電源裂變電阻又是發光二極管的限流電阻,可在200-510歐間選擇。阻值小,發光亮耗電大。阻值大,發光弱,不易觀察。R1、R2、R3、R4應盡可能相等,保證偏置為"地",阻值在10k-100k中間選擇Rp為同數量級的線性電位器,在中間做一個刻度線,以便調節。(電路圖上所標電阻的數值僅供參考,制作時可根據手中已有的電阻去做選擇)VD1-VD8選擇異色發光二極管便于區分。測量前關掉電源,將插入待測集成電路,單運放,雙運放,四運放要分別插入對應的插座中,注意管腳位置不能插反,然后閉合K調節Rp觀察,根據發光管狀態判其好壞.測試完后斷電,取下集成電路。注意不能帶電插拔集成電路,以免造成集成電路的損壞。
測試儀使用方法
將被測單運放(IC1)插入插座DIP1中,接通電源向下調節Rp,Vd1發光:向上調節Rp,Vd2發光,當RP處在中間位置時,輸出為零,Vd1、Vd2發微光。在進行雙運放測試時,把被測雙運放(IC1,IC2)插入插座DIP2中,向下調節Rp,Vd1、Vd3亮。向上調節 Rp,Vd2、Vd4發光;在對四運放(IC1,IC2,IC3,IC3)進行測試時,被測運放插入插座DIP3中,向下調節 Rp,Vd1Vd3Vd5Vd7發光;向上調節Rp,Vd2Vd4Vd6Vd8發光。測試中不必去尋找中點,只要觀察發光管的變化狀態,就能判斷其比較特性的優劣。對于多運放的測試,應當慢慢調節Rp,以便觀察發光二極管的發光亮度及亮滅時間差異來判斷其多運放的一致特性。如果在測試中調節RP時只有一種狀態,而不變化,說明該運放已失去比較特性而損壞,不能使用。

圖解:電路圖
集成運算放大器輸出過流保護電路設計




