- 模擬電路故障診斷
- 檢測電路地回路
- 監測電路電源波動
- 用直方圖發現隱蔽干擾
檢測地回路
現代的電子產品往往將小信號模擬電路、數字電路和功率電路緊密地整合在一塊PCB上,電路布局不僅要滿足電路性能要求,還受結構設計的約束,同時要符合EMC規范,這些都給地回路的布置帶來了很大的挑戰。在多重約束的限制下,設計階段PCB地回路布線會存在不確定的因素,需要在測試階段檢驗。
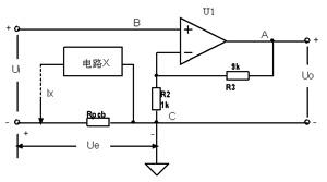
以圖1所示電路為例,U1、R3、R2組成同相放大器,設計期望該放大器能夠將輸入信號Ui放大10倍,Uo是放大器的輸出電壓。由于PCB布局布線受到約束,Ui的“-”輸入端子跟電阻R2的C端之間有一段導線Rpcb。而PCB上可能存在“電路X”引入地回流Ix流過導線電阻Rpcb。受“電路X”地回流Ix的影響,導線Rpcb兩端會有電壓差Ue,為了確定Ue對被測信號的影響,需要測量Ue的大小。

圖1包含地回流干擾的同相放大電路
對精密電路而言,即使Ue只有μV量級,也會對電路產生巨大的影響。DM3068數字萬用表直流電壓的最小讀數分辨率可達0.1μV,而且測量端子跟機殼地隔離,不會引入額外的直流電流地回路,適合于測量地回路引起的μV量級直流誤差。
測量弱電壓信號需要注意熱電勢、共模干擾、電磁感應等誤差源,這些誤差一般在10μV的量級,會嚴重干擾小信號測量。使用同材質的、雙絞或帶屏蔽的測試電纜可以減小熱電勢和電磁感應的誤差。測量Ue前可以先判別這些誤差源引入的總誤差的大小,使用萬用表的“相對”運算排除固定誤差的干擾,然后再測量Ue就可以得到比較準確的結果。
先將萬用表的兩個表筆同時連接圖1中的端子C端,這時萬用表的讀數是由熱電勢、共模干擾、電磁感應的誤差源引起的,觀察其變化情況。如果讀數在一個小范圍內波動,則認為是固定誤差。按下萬用表“相對”菜單鍵,萬用表會記錄當前讀數值,并在以后的每個測量結果中減去該讀數值再顯示,這樣就可以排除固定誤差的干擾。然后再測量端子C和Ui的“-”端之間的電壓差,讀數即為排除固定誤差干擾后的Ue值,可以比較準確地反映真實Ue的大小。
監測電源波動
如果將一個電路模塊當成黑盒,那么它至少會有一個輸入端口——電源。在電路故障診斷中,電源端口經常被遺忘或者被低估,以至于有些問題被定性為“靈異事件”。
假定黑盒內部的電路和信號輸入均正常,如果黑盒的輸出仍然有問題,這時就應該重點排查電源輸入。常用的電源檢測儀器有示波器、頻譜儀和數字萬用表,它們能夠覆蓋的測量范圍不同(如圖2所示),應該綜合運用這些儀器來全面觀察電源信號,避免測試盲區。

圖2不同儀器的典型測試范圍[page]
一般認為萬用表屬于直流儀器,示波器屬于時域儀器而頻譜儀是頻域儀器,但是這種界限正在被打破。新一代的萬用表已經引入了時域測量功能,下面以RIGOLDM3068數字萬用表的數據繪圖功能來介紹萬用表如何覆蓋示波器和頻譜儀的電源測試盲區。
圖3是用示波器測得的某個模數混合電路的模擬部分電源電壓波形,由于示波器的帶寬很大,波形中大部分是數字電路引入的寬帶開關噪聲,幅度為8.4mVpp。一般情況下,8.4mVpp電源紋波和噪聲符合人們的“心理期望”,因而就認為電源沒有問題(電源影響被低估)。

圖3示波器測試結果
圖4是用DM3068的數據繪圖功能重新測試該電源電壓得到的電源波形,圖形左側是歷史數據的波形,圖形右側是實時波形。從實時波形中可以清楚地看到幅度約為4.4mVpp的正弦紋波,進一步推算可以得出正弦波頻率約為50Hz。能量如此強的50Hz信號會給精密電路帶來很大的干擾。

圖4萬用表測試結果
頻譜儀受頻率測量范圍和頻率分辨率的限制,很難發現這個50Hz電源干擾。DM3068在低頻時域測量中的高速、高精度、低噪聲和高頻抑制力強等特點正好彌補了示波器和頻譜儀的不足,有助于揭示“靈異事件”的真相。
用直方圖發現隱蔽干擾
當信號/干擾極微弱,并淹沒在電路自身的噪聲中時,借助直方圖統計分析方法可以將其暴露出來。
DM3068具備實時直方圖統計功能,結合低噪聲和大動態范圍的特性,有助于測試微弱信號和干擾。
圖5是使用直方圖觀測被本底噪聲淹沒的信號的實例。圖左側是電路本底噪聲的時域波形(下方,垂直方向是時間軸方向。下同。)及其直方圖,該噪聲基本符合高斯分布,認為是白噪聲。圖右側是電路加入一個3μVpp左右的脈沖方波后的測試結果。對比時域波形,右側信號波形跟左側白噪聲波形很相像,電壓平均值也相接近,不能直觀地判定兩種波形的區別。但是對比兩者的直方圖可以明顯發現兩種信號的區別,而且通過右側直方圖可以推斷加入的信號有低電平分量,且該低電平分量出現概率不大,近似于占空比很小的負脈沖。

圖5直方圖發現淹沒的信號





