- 半導體器件肩負綠色發展重任
- 智能電網的高能效解決方案示例
- CS51221提高太陽能電池板光電轉換能效
- AMIS-49587簡化智能電表設計、加速上市進程
多家市場調研機構預計,到2030年,可再生能源(如風力發電和太陽能發電)在全球能源消費總量中所占的份額將大幅上升。倡導節能減排、綠色發展對所有行業提出了新的要求,迎合低碳經濟時代的節能設計已成為能源企業和電子產品競爭力的重要體現。
市場機遇與挑戰
發展可再生能源是大勢所趨。而太陽能和風力發電是智能電網的組成部分,同屬于分布式發電范疇。推動智能電網發展可以帶來許多優勢,如利用雙向通訊實現需求對應管理,緩和用電高峰,快速發現故障,避免停電事故,從而實現更高能效、可靠性及安全性;智能地整合新的替代能源,并為電動和混合動力汽車提供電力;更好地調整能源供需,更高效地利用發電廠及電網,減少碳排放量;提供動態的費率表,幫助客戶優化總電能消費及電費支出,改善客戶服務;及遠程讀表及遠程通電和斷電可以節省人力成本,提高運營效率等。
在推進可持續發展的共識下,中國目前正在大力發展太陽能、風能等產業,前景看好。其中太陽能領域的技術已經日趨成熟,太陽能發電等都獲得了長足發展,太陽能街道照明也越來越受到青睞。此外,為導入新一代智能電網而完善電力基礎設施,中國政府制訂了到2020年投入4萬億元人民幣的宏偉目標,其中的“堅強的智能化電網(Strong&Smart Grid)”的概念已在上海世博會展示。
不過,在發展可再生能源和升級改造現有電網的同時,也面臨著不少挑戰。對半導體行業來說,最大的挑戰莫過于能量轉換,因為發展可再生能源的關鍵在于優化能效。以太陽能供電的LED街道照明為例,這種應用需要高效可靠的太陽能板充電控制器,以及LED驅動器等關鍵器件,需求相當可觀。而智能電網從發電、配電和現場區域網到智能電表通信及家庭區域網,也都需要諸多電子元器件。其中包括功率因數控制器、交流-直流(AC-DC)和直流-直流(DC-DC)控制器、穩壓器、MOSFET、三端雙向可控硅開關元件(TRIAC)、電力線載波調制解調器、濾波、輸入/輸出(I/O)及數據保護、線路驅動器及信號放大器、LCD背光驅動器、EEPROM存儲器及智能卡接口等。
應用于智能電網的高能效解決方案示例
1. 提升太陽能電池板光電轉換能效的方案
近年來,業界越來越關注利用可再生清潔能源太陽能的街道照明。對于太陽能街燈而言,提高太陽能電池板的光電轉換能效非常重要。太陽能電池板的電壓-電流(V-I)特性曲線呈現非線性和可變性,要從中獲取最大量的電能非常困難。這需要太陽能LED街燈的充電控制器及其他相關電子電路(一般采用微控制器來實現)盡可能采用有效的控制方法來提高能效。
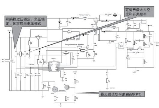
安森美半導體的CS51221增強型電壓模式PWM控制器就是一種可提高太陽能電池板能效的器件。它可以控制太陽能板電池充電,支持最大峰值功率追蹤(MPPT)功能,為太陽能電池不斷變化的V-I特性曲線提供補償,優化太陽能電池的功率輸出,提高能效,并使蓄電池充電至優化電量。
在應用電路中,需要為CS51221選擇合適的拓撲結構。該拓撲結構要能夠在一個蓄電池的情況下將太陽能板輸出電壓降至12V,而在兩個或多個蓄電池情況下也能輕易修改,支持升壓至24V。CS51221本身能夠配置為正激、反激或升壓拓撲結構。在針對太陽能板充電控制應用推出的參考設計中,安森美半導體選擇的是反激拓撲結構。
在應用中,通過在ISET引腳動態調節電流限制,從而實現最大峰值功率追蹤功能。一旦輸入電壓逐脈沖下降,電流限制就會被降低,直至輸入電壓恢復。這種方式無需使用價格昂貴的微控制器。這樣實現的充電控制器會發現峰值功率點并進行動態調節,使其符合不斷變化的電源特性。實際上,通過采用最大峰值功率追蹤技術,可以將較以往多30%的電荷從太陽能板傳輸至蓄電池,這樣太陽能街燈系統就可以采用尺寸更小的太陽能板,從而帶來顯著的成本效益。圖1是采用安森美半導體CS51221控制器的太陽能板充電控制應用示意圖。
圖1:采用安森美半導體CS51221控制器的太陽能板充電控制應用
此外,安森美半導體的NCP3066恒流降壓穩壓器也能用于太陽能街燈的LED驅動應用,提供系統所需的功率及光輸出,并具有極高的能效。
2. 智能電網方案
今天的電網已變得比以往更大、更安全,具有更高的能效,但其智能化程度仍然偏低,所以智能電網是當今的重要發展趨勢。
安森美半導體已投入并正大量投資智能電網研發,涵蓋所有產品線,包括電源轉換模擬IC、信號IC(如低噪聲放大器)、功率分立器件(高壓MOSFET、IGBT、整流器)、混合信號IC(智能卡接口IC、時鐘及時序IC)、通信IC(如PLC調制解調器)、邏輯IC、存儲器IC,及標準分立器件(保護、濾波器)。
智能電網的核心就是智能電表,借助智能電表,電力公司能夠知道用戶在什么時間使用了多少電能,便于他們提供差異化的定價,幫助用戶優化其總體電能消費和電費支出。
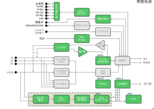
安森美半導體應用于智能電表的方案包含一系列標準產品、專用標準產品(ASSP)及專用集成電路(ASIC),可以提供智能電表的4種基本功能,包括:電源/電源管理、計量、寄存及通信。圖2是由安森美半導體的多種器件(圖中綠色部分)構成的智能電表應用。
圖2:由安森美半導體的多種產品構成的智能電表應用

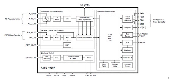
全集成電力線載波(PLC)調制解調器AMIS-49587是圖2應用中的一個關鍵器件。該器件可提供高集成度、符合標準的低功率PLC方案,可應用于智能電力自動讀表及管理、街道照明控制、智能電力插頭(power plug)和建筑物自動化等領域。AMIS-49587利用安森美半導體的混合信號技術,在一個集成電路中集成了模擬調制解調器前端和數字后處理功能。
AMIS-49587符合IEC1334標準,有助于簡化設計、降低開發及應用成本,并加速上市進程。該器件基于ARM7TDMI處理器內核,包含物理接口收發器(PHY)和媒體訪問控制器(MAC)層,而大多數競爭方案都需要復雜的嵌入式軟件來執行與AMIS-49587相同的功能。該器件采用擴頻型移頻鍵控(S-FSK)調制技術,結合精確的濾波,為長距離電力線提供可靠的低數據率通信,以及2,400 bps(波特)的半雙工可調節通信速率。不到20千赫(kHz)的低工作頻率配以自動中繼器(repeater)功能,令通信更可靠,通信誤差比其他及現有方案更低。圖3是AMIS-49587的方框圖。
圖3:AMIS-49587方框圖


總結
在政府節能規范及各種能效計劃的推動下,可再生能源和新興的智能電表市場增長潛力巨大。在這一過程中,半導體器件將以其低能耗、高能效、高可靠性、高速度、高智能性、小尺寸等綜合優勢肩負重任。
安森美半導體擁有基于先進技術及龐大生產規模的寬廣產品陣容,應對智能電網的市場機遇與挑戰,包括標準產品、ASSP及ASIC。在技術上涵蓋了從極高壓(700 V)技術(用于開發電源/電源管理中的模擬電源轉換IC),到亞微米0.11 um CMOS技術(在單個硅芯片上集成微控制器核心和混合信號模擬電路),以及高壓MOSFET、IGBT及整流器。
在政府節能規范及各種能效計劃的推動下,可再生能源和新興的智能電表市場增長潛力巨大。在這一過程中,半導體器件將以其低能耗、高能效、高可靠性、高速度、高智能性、小尺寸等綜合優勢肩負重任。
安森美半導體擁有基于先進技術及龐大生產規模的寬廣產品陣容,應對智能電網的市場機遇與挑戰,包括標準產品、ASSP及ASIC。在技術上涵蓋了從極高壓(700 V)技術(用于開發電源/電源管理中的模擬電源轉換IC),到亞微米0.11 um CMOS技術(在單個硅芯片上集成微控制器核心和混合信號模擬電路),以及高壓MOSFET、IGBT及整流器。





