【導讀】隨著人們生活水平的提高,大型工商企業、事業單位及學校對大型商業廚具洗滌設備需求日趨增長。而傳統大型廚具洗滌設備也在工業4.0的浪潮中不斷更新換代,新一代洗碗機已經實現了高度自動化,可以通過傳感器和控制系統實現自動進水、洗滌、漂洗、烘干等功能,不僅提高了生產效率,也降低了人為錯誤和交叉污染的風險。快報分析師推薦基于低成本MCU開發的變頻洗碗機方案案例及其主控IC選型,極大降低BOM成本,方便工程師快速導入設計應用方案。
摘要
隨著人們生活水平的提高,大型工商企業、事業單位及學校對大型商業廚具洗滌設備需求日趨增長。而傳統大型廚具洗滌設備也在工業4.0的浪潮中不斷更新換代,新一代洗碗機已經實現了高度自動化,可以通過傳感器和控制系統實現自動進水、洗滌、漂洗、烘干等功能,不僅提高了生產效率,也降低了人為錯誤和交叉污染的風險。快報分析師推薦基于低成本MCU開發的變頻洗碗機方案案例及其主控IC選型,極大降低BOM成本,方便工程師快速導入設計應用方案。
掃碼可申請免費樣片以及獲取產品技術規格書

HC32L130變頻洗碗機方案

該方案采用無感FOC控制算法,支持恒轉速、恒轉矩、恒功率、恒風量等多種控制模式,可實現多種工況下正常工作;支持主控面板和電機控制板之間的雙向通信,可快速完成整機方案切換;支持使用電阻分壓方式進行電流采樣,極大降低BOM成本;支持過欠壓、堵轉、缺相、過流等完善的故障保護。
方案特點
? 無感FOC控制系統,電流THD小,轉矩平穩,噪音低,觀測器響應快,參數敏感性低(最大允許20%的參數偏差)
? 支持順風、逆風、靜止啟動,啟動轉速范圍大,逆風啟動無過壓、無過流,啟動時間短
? 過流保護、過欠壓保護、堵轉保護等軟硬件保護
? 恒轉速、恒轉矩、恒功率、恒風量等多種控制模式
? 支持主控面板和電機控制板之間的雙向通信,可快速完成整機方案切換
? 豐富的控制函數庫,快速實現客制化應用
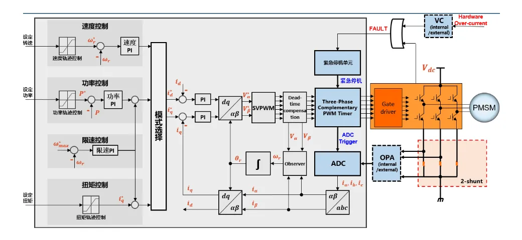
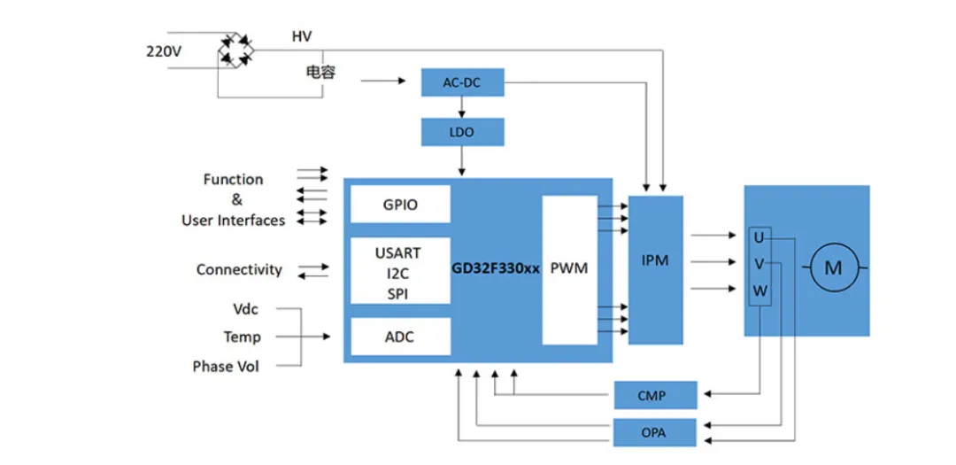
基于GD32F330系列MCU開發的變頻洗碗機方案

該方案選用業界先進的SMO+PLL無位置傳感器變頻控制技術,該技術具有啟動轉矩大,100%啟動成功率,自由調速,效率高,控制精度高,完善的保護功能。由于洗碗機水泵工作在高溫高濕的工況下,所以要求控制器除了硬件具有溫度過溫保護功能,同時軟件算法也需要對控制參數進行溫度補償,在保證控制器安全可靠的工作情況下,保證水泵能夠工作在最大速度或者最大輸出功率,以提高產品的洗凈度。
方案特點
輸出功率:50W~100W
控制方式:FOC正弦控制
啟動方式:無傳感器
控制算法:SMO
調制方式:SVPWM
電流采樣方式:雙電阻采樣
調制頻率:20KHz
電機轉速:3200RPM @ 3極對
噴水量:30L/MIN
保護功能:堵轉、過流、欠壓、過壓、過溫保護等
工業級器件(-40~85攝氏度)
主要特點:啟動迅速可靠,效率高、噪聲低
掃碼可申請免費樣片以及獲取產品技術規格書

免責聲明:本文為轉載文章,轉載此文目的在于傳遞更多信息,版權歸原作者所有。本文所用視頻、圖片、文字如涉及作品版權問題,請聯系小編進行處理。
推薦閱讀:






