【導讀】模擬信號是指用連續變化的物理量表示的信息,其信號的幅度,或頻率,或相位均隨時間作連續變化,如廣播電視中的聲音信號,或圖像信號等。處理模擬信號的電子電路稱為模擬電路。模擬電路主要包括放大電路、振蕩電路和電源電路等。
模擬信號是指用連續變化的物理量表示的信息,其信號的幅度,或頻率,或相位均隨時間作連續變化,如廣播電視中的聲音信號,或圖像信號等。處理模擬信號的電子電路稱為模擬電路。模擬電路主要包括放大電路、振蕩電路和電源電路等。初學者在掌握電子電路故障檢測的方法后,還應熟悉和掌握各種單元電路故障的檢測。小信號放大電路的作用是把微弱的電信號不失真地轉變為較強的電信號,一般位于電子電器的前級,分析小信號放大電路主要考慮電壓增益和是否失真。
小信號放大電路故障的檢測
一、低頻小信號放大電路
圖1是利用分立元件制作助聽器的電路原理圖,是比較典型的小信號低頻放大電路。圖1中,三極管VT1、VT2及電阻R2、R3等,組成高增益話筒前置放大電路。由拾音器B拾取來的微弱語音信號,經電容C1耦合至前置放大電路,被三極管VT1、VT2放大后的語音信號,再次被三極管VT3、VT4逐級放大。這樣被放大的語音信號,足以推動8Ω耳塞機發出響亮的聲音,使用者戴上耳塞機后即可起到助聽作用。

圖1利用分立元件制作助聽器的電路原理圖
圖1中R2、R3、R4是VT1、VT2的直流偏置電阻,R5、R6是VT3的直流偏置電阻,RP和耳機內阻是VT4的直流偏置電阻,如果其中任一電阻損壞,均會使對應三極管的靜態工作點發生變化,使放大電路出現信號失真,C1、C2、C4分別是三級放大電路耦合電容,是交流信號的必經之路,如果其中有一電容損壞,均會使放大電路出現無聲或音小的故障。
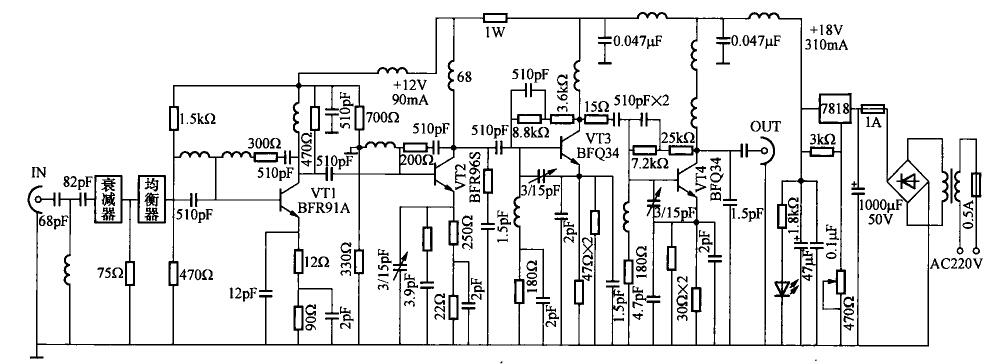
二、高頻小信號放大電路
圖2是由分立元件構成的有線電視放大器電路原理圖,它是比較典型的小信號高頻放大電路。圖6-2中三極管VT1、VT2為電壓放大,VT3、VT4為功率放大。三極管的直流工作電壓、電流見表1。

表1 JZF1730型放大器中三極管的直流工作電壓電流值
分立元件放大器電路故障分析與維修如下。
1.電源指示燈不亮、無信號輸出
這種現象主要是電源電路出現了故障,其故障原因分析與檢修如下。交流熔斷器熔斷、直流熔斷器完好,可判斷電源變壓器已壞,產生的原因為:一是雷擊造成變壓器短路,二是變壓器長期通電而過熱造成變壓器短路。一般更換熔斷器和變壓器后可排 除故障;交流熔斷器完好,直流熔斷器燒斷。原因可斷定為直流電路出現了短路現象。引起的原因有:整流二極管擊穿短路、電源濾波電容短路和三端穩壓集成電路7818擊穿短路??蓪ι鲜鲈来螜z查、更換后可排除故障。交、直流熔斷器完好,而三 端穩壓集成電路輸出端無電壓。此故障的原因主要有兩種:一是電路回路中的濾波電容短路,二是三端穩壓集成電路內部電路損壞。分別對這幾個元件檢查、更換后可排除故障。

由分立元件構成的有線電視放大器電路原理圖
2.電源指示燈亮,無信號輸出
這種現象可斷定為輸入電路或放大器出現了故障。用萬用表直流電壓擋,參照表1的數值,依次測量各級放大器晶體管的各極對地電壓。晶體管正常工作時,基極電位比發射極電壓高 0.6?0.7V。在測量過程中,如基極電位比發射極低。集電極電壓有時高于電源電壓,可判斷該級產生了自激現象,可對該級的反饋元件進行檢查,如正常時,應更換該級晶體管。末級功放晶體管VT3與VT4的工作電流較大、溫度高、易損壞,為重點檢 査對象。如電路各級工作點正常,應檢査電平輸入增益調節電位器是否開路,用萬用表電阻擋測兩端阻值可斷定。
免責聲明:本文為轉載文章,轉載此文目的在于傳遞更多信息,版權歸原作者所有。本文所用視頻、圖片、文字如涉及作品版權問題,請電話或者郵箱editor@52solution.com聯系小編進行侵刪。
推薦閱讀:




