【導讀】本文介紹傳統光耦合器技術標準與用于增強隔離的感性和容性技術標準之間的差異,并概述一個采用數字控制的電機驅動系統,其集成了電流檢測電阻以檢測繞組電流。本文還會就如何為此應用選擇最合適的電流檢測電阻提供一些建議。
簡介
在受益于新型數字隔離技術的電機控制系統設計中,使用電流檢測電阻已成為一個趨勢。元件級標準IEC 60747-17規定了容性和磁性耦合隔離器的性能、測試和認證要求,該標準的引入使得此類技術能夠提供更高的可靠性。數字隔離還有其他好處,例如:環路響應更快、支持集成過流保護以及死區更窄等。這使得輸出電壓更平順,進而對扭矩的控制也更得力。本文會簡要介紹傳統光耦合器技術標準與用于增強隔離的感性和容性技術標準之間的差異。另外也會概述一個采用數字控制的電機驅動系統,其集成了電流檢測電阻以檢測繞組電流。本文還會就如何為此應用選擇最合適的電流檢測電阻提供一些建議。
適用于電機驅動的隔離標準更新信息
電機驅動設計人員大都知道設計需要滿足國際隔離標準。隔離很重要,原因如下:
1、防止高功率電路地連接的電氣噪聲感應到低功率信號線路上。
2、防止危險電壓和電流傳輸到危害較低的低壓環境,保障最終用戶的安全。
IEC 61010-1第3版標準規定,系統設計人員必須知曉導體間距離、電氣間隙和爬電距離。它還規定,系統設計人員必須知道應將導線與罐裝、模塑料和薄膜絕緣層中的金屬部件分離。如果器件用在需符合IEC61010-1標準的系統上,設計人員應確保所選器件能保證一定的安全性。根據IEC 60747-17標準,增強隔離要利用行業公認的經時電介質擊穿(TDDB)分析進行測試,這樣有助于推斷器件的使用壽命和連續工作電壓(VIORM)。
IEC 60747-17 (DIN V VDE V 0884-11)明確定義了采用感性和容性技術的絕緣,而公認的IEC 60747-5-5標準則被用來定義采用光耦合器技術的絕緣。然而,IEC 60747-5-5沒有規定通過TDDB分析來確定連續工作電壓和使用壽命。它依賴局部放電電壓測試來確定工作電壓,但并未定義器件的工作壽命。因此,感性和容性技術的最低額定壽命為37.5年,而對光耦合器隔離器則未作規定。
表1總結了光耦合器和非光耦合器標準的主要差異。結論是隨著時間推移,基于非光耦合器的標準會被更廣泛地接受,因為其對設計工程師而言安全性更高,并且具有更長的工作壽命。

表1:光耦合器和非光耦合器隔離的主要區別

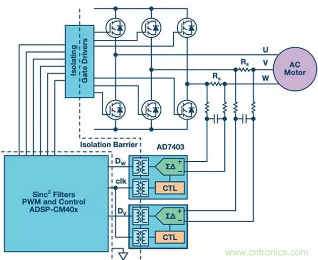
圖1:采用數字隔離和檢測電阻的三相電機驅動功能框圖
采用檢測電阻的典型增強隔離系統
圖1所示為一個典型三相永磁電機驅動系統,其利用檢測電阻測量繞組電流,并通過ADI公司的AD7403隔離式Σ-Δ調制器和sinc3濾波器提供反饋。AD7403使用單個二階調制器數字化電路來將檢測電阻的模擬信號轉換為隔離的一位數字脈沖流,其大小取決于滿量程輸入電壓范圍。然后,sinc3濾波器提取電流平均值,同時消除逆變器開關產生的噪聲。其存儲器可以存儲一個代表電流的16位整數,與此同時,它可以將該數值與一個代表電流限值的基準值相比較,如果發生過載,它就會通過單獨的引腳發送警報。利用更短的濾波器監控過載,并將其與測量濾波器并聯,可以縮短警報延遲時間。
AD7403具有增強隔離特性,調制器可以直接測量電流檢測電阻的電壓,除了一個由電阻和電容構成的簡單分立低通濾波器以外,不需要其他額外元件。調制器的額定最大工作電壓為±250 mV,因而電流檢測電阻的阻值需小于250 mV/IMAX。
選擇合適檢測電阻的考慮因素
電阻溫漂
AD7403的輸出為16位數值,因此限制電流測量潛在精度不是受限于ADC轉換,而是受限于電壓讀數本身。電阻隨溫度的漂移取決于電阻元件使用的材質、功率額定值和元件的實際尺寸。
由鎳、銅、錳特殊合金制成的阻性元件的電阻溫漂曲線呈拋物線形狀,如圖2所示。對于電流檢測應用,這些合金是精度最高的材料。圖2還顯示了Bourns CSS4J-4026R型電阻溫漂的上限和下限,對應于50 ppm/°C的溫度系數。此差距是由電阻的銅引腳引起的,銅具有很高的TCR (4000 ppm/°C),導致溫漂增加。
Bourns CST0612系列是由特殊合金制成的1 W、4引腳電阻。其尺寸為3.2 mm × 1.65 mm,TCR為±100 ppm/°C,Bourns CST0612型和CSS4J-4026R型的TCR差異可以用銅含量相對于阻性元件的比例來解釋。增加低熱阻的銅有助于元件吸收高功率而不會過熱。本例展示了元件尺寸、功率額定值和阻值溫漂的取舍關系。

圖2. Bourns CSS4J-4026R型電流檢測電阻的拋物線形TCR曲線
電阻溫漂計算
讓我們以Bourns產品型號CSS4J-4026R-L500F為例,計算其在全功率和70°C環境溫度下的電阻溫漂。CSS4J-4026R-L500F是一款0.5mΩ (±1%)檢測電阻,額定功率為5 W,最高環境溫度為130°C。在170°C時,其額定功率從100%減額至0 W。因此,該元件的熱阻為8°C/W。在全功率和70°C環境溫度下,預期元件的表面溫度會達到110°C (70°C + 8×5°C)。110°C時的阻值溫漂可以從圖3得知,25°C時的標稱值為+0.45%。絕對容差為±1%,因此電流測量精度最大值為+1.45%。
過載
電機驅動偶爾會發生短路,電流檢測電阻必須能夠承受短時過載而不受損。以Bourns CST0612型電流檢測電阻為例,根據Bourns網站上的材料數據表,可以算出此元件的質量為0.0132 g。另外,也可以根據尺寸及銅合金的密度(8.4 g/cm3)來計算。溫升速率可計算如下:

其中,P為功率(W),m為元件質量(g),C為合金的比熱容量。1 mΩ的電阻過載50 A時,會產生每秒462°C的溫度壓擺率。假設穩態溫度為50°C,則短路周期的寬度不能超過0.22秒。通過在電路板上鍍銅以增加整體質量,可以延長此寬度。
在相同過載下,使用較厚、較大的元件時,例如質量為0.371 g的CSS4J-4026型電阻,溫度壓擺率將是每秒16.5°C。假設元件表面溫度為100°C,則它承受該能量的最長時間將是4秒,然后表面溫度才會達到最大允許值170°C。
合適的阻值
電阻提供的AD7403滿量程輸入為±250 mV。表2中的矩陣列出了最大電流時Bourns高功率電流檢測電阻上的壓降。對于較低電壓,設計人員可通過調整比例因子來補償。

表2:最大電流和Bourns電流檢測電阻上的壓降
結語
根據IEC60747-17,具有增強隔離性能的數字隔離器的最低壽命應為37.5年。雖然更傳統的光耦合器技術沒有此類指標,但未來數字隔離系統會對設計人員提供更多保障。利用特殊合金制成的電流檢測電阻具有很低的電阻溫漂,其產生的輸出電壓可以由隔離式Σ-Δ調制器(例如采用ADI iCoupler®技術的器件)用一個可調整比例因子來讀取。電流測量的精度取決于電阻溫度,后者又取決于功率相對于額定功率的比例以及環境溫度。
參考文獻
O ’ Byrne,Nicola。“Σ- Δ調制器提高運動控制效率”。ADI公司,2015。
O’Sullivan,Dara,Jens Sorensen,Aengus Murray。應用筆記AN1265,使用ADSP-SM402F/ADSP-CM403F/ADSP-CM407F/ADSPCM408F Sinc濾波器和 AD7403實現隔離式電機控制反饋。ADI公司,2015。
作者簡介
Nicola O’Byrne是ADI公司工業自動化業務部電機與功率控制(MPC)團隊的高級系統應用工程師,為電機控制和其他精密工業應用提供支持。Nicola在ADI工作了20年,擔任現有職務前曾管理精密ADC應用團隊。Nicola于1996年在科克大學獲得工程學士學位,之后加入ADI。Nicola持有多項專利,在ADI會議和行業論壇上均發表過演進。
Cathal Sheehan是Bourns消費電子部門技術市場經理,工作地點在愛爾蘭科克市。聯系方式: Cathal.sheehan@bourns.com
文章來源:電機控制設計加油站
作者:Cathal Sheehan Bourns® Electronics Nicola O’Byrne ADI公司




