【導讀】直流充電樁是新能源汽車直流充電樁的簡稱,一般也被叫做“快充”。直流充電樁一般與交流電網連接,可作為非車載電動汽車的動力補充,是一種直流工作電源的電源控制裝置,可以提供充足的電量,輸出電壓和電流可以連續調節,可有效實現快速充電的要求。
一、前言
直流充電樁是新能源汽車直流充電樁的簡稱,一般也被叫做“快充”。直流充電樁一般與交流電網連接,可作為非車載電動汽車的動力補充,是一種直流工作電源的電源控制裝置,可以提供充足的電量,輸出電壓和電流可以連續調節,可有效實現快速充電的要求。
據中國充電聯盟發布的《2021 中國電動汽車用戶充電行為白皮書》,直流充電樁已成為 99.3%用戶的首選,因此直流充電樁面臨較大的需求缺口,未來有望提速發展。
二、產品組成及應用場所
直流充電樁通常由充電機主機、電源部分、充電接口、顯示屏、輔助設備這五部分組成。一般來說,直流充電樁可分為分體式和一體式兩種類型。
直流充電樁是直接輸出直流電給車載電池進行充電,充電效率高、時間短、功率較大( 60kW、120kW、200kW 甚至更高),故一般安裝在公共充電站、停車場等公共場所。
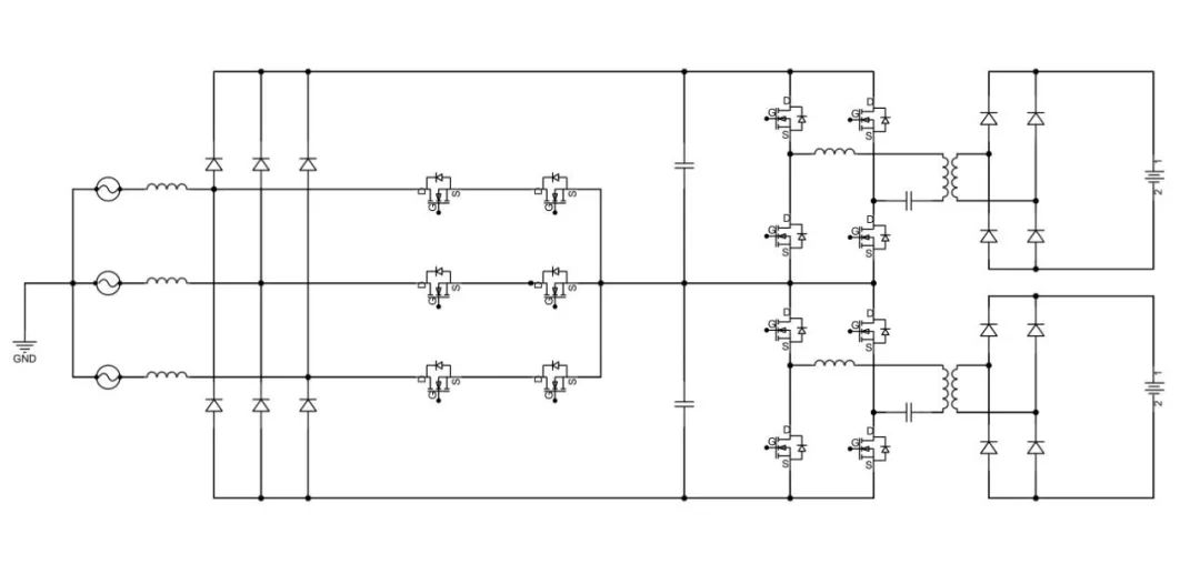
三、典型應用拓撲圖
四、應用線路及選型
如上圖所示:通過Vienna線路(三相PFC功率校正)對工頻三相交流電進行整流(輸出:400-800V),推薦使用瑞森半導體600V/650V的超結MOS系列:采用多層外延工藝,優化了元胞結構,可靠性高,一致性好,對標英飛凌C3、 P6、 P7系列產品,產品選型如下:
PFC功率校正整流后再通過DC/DC線路(三電平全橋)LLC諧振變換器(輸出400-750V)對電池進行充電,推薦使用瑞森半導體650V/1200V的碳化硅(SiC) MOS系列:極低的門電荷(QG)、極低反向恢復的快速本征體二極管、可最大限度減少傳導損失,提供卓越的開關性能和強大的雪崩能力;器件參數一致性好;高頻率的運行、能讓被動元器件做得更小,產品選型如下:
免責聲明:本文為轉載文章,轉載此文目的在于傳遞更多信息,版權歸原作者所有。本文所用視頻、圖片、文字如涉及作品版權問題,請聯系小編進行處理。
推薦閱讀:
炬芯科技周正宇博士:存內計算是突破AI芯片算力和功耗矛盾的關鍵




