【導讀】電阻溫度檢測器 (RTD) 具有精度高、感應范圍廣、經久耐用等許多理想的特性,因而被廣泛作為傳感器使用。在傳統的實施中,可在電流驅動的 RTD 上感應到與溫度成正比的電壓,該電壓被轉換為 4 mA 至 20 mA 的模擬電流,通過有線“變送器”發送至系統讀出器或操作員。
電阻溫度檢測器 (RTD) 具有精度高、感應范圍廣、經久耐用等許多理想的特性,因而被廣泛作為傳感器使用。在傳統的實施中,可在電流驅動的 RTD 上感應到與溫度成正比的電壓,該電壓被轉換為 4 mA 至 20 mA 的模擬電流,通過有線“變送器”發送至系統讀出器或操作員。
雖然這種方法有效、直接并有利,但與基于數字和處理器的架構不兼容。針對這個問題,提出的一個解決方案是升級變送器,使用內部模數轉換器 (ADC) 在源處將 RTD 信號數字化,并通過合適的輸入/輸出 (I/O) 格式和協議來傳輸信號。
然而,這些升級還不足以滿足智能工廠的需求。當今的工業系統需要的不僅是 RTD 信號的數字化表示。它們需要多通道操作、高精度模數轉換,以及各種形式的故障檢測和錯誤檢查,以確保接收的數據有效。
當今的工業系統還需要一些技術手段,對傳感器接口的關鍵參數進行遠程調整。最后,它們還需要功能強大、支持高級設置和數據報告功能并能確保數據完整性的 I/O 格式和接口。
本文概述了 RTD 及其演進過程。文中作為一種接口選項介紹了 IO-Link,并說明了如何利用先進的模擬前端 (AFE) 和信號調節 IC,實現基于 RTD 的高性能溫度感測通道。本文還介紹了一種合適的工具套件,用以幫助評估用于 RTD 實施的 IO-Link 收發器。
RTD 基礎知識
電阻溫度檢測器 (RTD) 將溫度這一物理變量轉化為電信號,通常用于測量 -200 至 +850°C 的溫度,在此溫度范圍內表現出高度線性響應。RTD 中常用的金屬元素包括鎳 (Ni)、銅 (Cu) 和鉑 (Pt),其中最常見的是 Pt100 (100 Ω) 和 Pt1000 (1000 Ω) 鉑 RTD。
RTD 接口可由兩線、三線或四線組成,其中三線和四線型號使用最為廣泛。由于 RTD 是無源器件,因此需要勵磁電流來產生輸出電壓。該輸出電壓通常使用基準電壓源產生,由運算放大器 (op amp) 進行緩沖。這樣可以驅動電流流入 RTD,在其兩個端子上產生隨溫度變化而變化的輸出電壓信號。
該信號從幾十到幾百 mV 不等,具體取決于使用的 RTD 類型和測量的溫度。然后,該信號經過調節,并發送至模擬讀出器、長圖記錄儀、數字顯示屏或基于處理器的控制系統。
始于全模擬回路
過去,工業測量和控制系統使用的基本電子接口是 4 至 20 mA 的電流回路。該接口鏈路可用于傳感器和致動器。對于傳感器而言,傳感器發出的信號在信號源處經過放大和調節,然后轉換為 4 mA(代表范圍下限)至 20 mA(代表范圍上限)的信號(圖 1)。
圖 1:過去,工業環境中的溫度測量依賴于 RTD 和位于一定距離外的讀出器之間的 4 mA 至 20 mA 電流回路。(圖片來源:Analog Devices)
傳感器與讀出器之間的距離可達幾十甚至幾百英尺,因而該鏈路使用電流回路有幾個原因:
· 由于是電流信號源而非電壓驅動信號源,因此回路不受距離影響;無需擔心 IR 壓降,電流也不會在回路導線中“損失”。
· 作為一種低阻抗鏈路,它對電磁干擾 (EMI) 拾取和信號損壞具有相對較強的免疫力,即使在長距離傳輸時也是如此。
· 最后,電流回路具有自診斷功能:如果回路斷開(最常見的故障模式),電流會下降至零。這種電流下降很容易被檢測到。
進行全模擬信號處理的電子裝置稱為變送器。早期基于 IC 的變送器需要單獨的本地電源才能工作。電源用于激勵傳感器(如果需要),并為調節電路供電。后來,低功率變送器 IC 增加了各種功能和特性,包括一項非常重要的功能,即“回路供電”,可從回路電流“未使用”的 4 mA 汲取工作電流,因而無需本地電源。
例如,Analog Devices 的 AD693 是上世紀 80 年代推出的一款回路供電的 4 mA 至 20 mA 傳感器變送器(圖 2)。此器件現在仍有最初的陶瓷雙列直插式封裝 (DIP) 款型和更新的表面貼裝封裝款型,印證了這款主要面向工業的 IC 的長久生命力。
圖 2:全模擬、回路供電 AD693 RTD 變送器無需在電流回路的 RTD 接口端使用電源。(圖片來源:Analog Devices)
走向數字化
隨著數字化控制成為標準,我們必需將模擬電流回路信號數字化。如今,要實現這一目標,需要使用 AFE 來放大和調節低振幅 RTD 信號,以便 ADC 將信號數字化。然后,再通過通信接口將數字化信號發送到過程控制器,如微控制器單元 (MCU)(圖 3)。
圖 3:轉換為數字化控制需要具有 MCU 兼容輸出的 AFE。(圖片來源:Analog Devices)
由于敏感的 AFE 與數字 I/O 在技術和 IC 工藝要求上存在沖突,因而實施關鍵的 AFE 和相關數字接口電路具有一定挑戰性,而且需要多個 IC。幸運的是,隨著 IC 技術的進步,高度集成的單芯片 RTD 接口成為可能。此外,這些集成的 IC 還集成了構建更先進、無差錯系統所必需的眾多其他功能和特性。
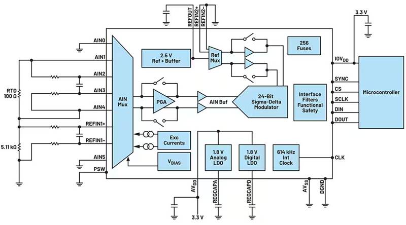
單芯片集成解決方案的一個實例是 AD7124-4,這是一款采用單一封裝的完整 RTD AFE(圖 4)。這款四通道、低噪聲、低功耗的 24 位 IC 包括可編程增益放大器 (PGA) 和基準電壓源。該器件還能為 RTD 提供激勵電流,因而不再需要單獨的精密電流源。
圖 4:AD7124-4 是完整的多通道 RTD 接口,包括電流源、信號調節和數字化功能。(圖片來源:Analog Devices)
除了 AD7124-4 內嵌的核心功能外,該器件還提供多種類型和級別的自診斷和錯誤檢測功能,有助于通過安全完整性等級 (SIL) 認證。該認證對于高可靠性和任務關鍵型應用至關重要。
AD7124-4 與相關 MCU 之間的數字接口是三線或四線串行接口,兼容 SPI、QSPI、MICROWIRE 和 DSP。不過,此類接口不適合直接連接,也不適用于長信號路徑。相反,這種長鏈路需要通過接口/格式轉換器或適配器來形成,該器件需要實施選定網絡協議,以連接到過程控制器。該接口可能會使用工業網絡,如 PROFINET 或工業以太網。
但是,使用這些專用接口有幾個缺點。例如,在傳感器設計中增加網絡專用電路會大幅增加成本,尤其是在工業網絡為專有網絡的情況下。另外還會讓傳感器的市場限制在已使用該網絡的客戶中。要讓同一個傳感器在不同網絡協議下工作,就必須重新設計。
另一個令人頭疼的復雜問題是,不同類型的網絡在診斷功能的數量和類型上存在很大差異。根據所選擇的接口格式和協議,工廠操作人員可能很難識別和維護傳感器,也很難解決現場安裝后出現的任何性能問題。
IO-Link 解決連接難題
智能工廠的設計人員需要智能、靈活、易于部署的傳感器和致動器,以便更好地進行決策,實現更易優化的制造流程。一種可行的方法是設計一種獨立于各種工業網絡的傳感器,從而降低開發成本,擴大潛在客戶群。IO-Link 技術讓傳統傳感器變得智能化,從而實現了這種方法。
通過使用 IO-Link 主站和設備收發器,工業系統設計人員可以采用強大而靈活的方式,將智能功能從可編程邏輯控制器 (PLC) 或其他系統控制器遷移到更接近工廠車間內傳感器的位置(圖 5)。
圖 5:借助傳感器 MCU 和過程控制器之間的 IO-Link 主站和設備收發器,工業數據系統變得更加強大和靈活。(圖片來源:Analog Devices)
IO-Link 是一種三線點對點通信接口,采用標準化的連接器、電纜和協議,可將傳感器(和致動器)與工業控制網絡連接起來。在 IO-Link 應用中,收發器充當物理層 (PHY) 接口,連接 MCU 或其他運行數據鏈路層協議的控制器。IO-Link 設計用于工業標準三線制傳感器和致動器基礎架構,由 IO-Link 主站和 IO-Link 設備組件組成(圖 6)。
圖 6:IO-Link 物理互連包括一個 IO-Link 主站,并支持多個 IO-Link 設備組件。(圖片來源:Analog Devices)
使用 IO-Link 的優勢在于它可以傳輸四種不同類型的數據:過程、診斷、配置和事件。這樣,一旦傳感器發生故障,就能快速識別、追蹤和處理。IO-Link 還支持遠程配置。例如,如果需要更改觸發過程警報的溫度閾值,技術人員可以遠程完成操作,而無需進入工廠車間。
IO-Link 主站(多端口控制器或網關)與 IO-Link 設備(傳感器或致動器)之間的點對點連接使用了工業系統常用的標準連接器(使用最廣泛的是 M8 和 M12 連接器),以及最長可達 20 米的非屏蔽電纜。主站可有多個端口(最常見的是四個或八個)。
主站的每個端口都連接至唯一的 IO-Link 設備,該設備可在標準 I/O (SIO) 單輸入/單輸出模式或雙向通信模式下工作。IO-Link 旨在與現有的工業架構(如現場總線或工業以太網)配合使用。它可連接到現有的 PLC 或人機接口 (HMI),從而實現快速應用(圖 7)。
圖 7:IO-Link 可與一系列現有工業架構配合使用,還可與現有 PLC 或人機界面連接。(圖片來源:Analog Devices)
鑒于工業應用和安裝的現實情況,IO-Link 主站或控制器可將被替換 IO-Link 傳感器的參數自動寫入新傳感器。這一功能讓我們能夠快速無誤地更換傳感器,并可縮短更換傳感器后重新啟動系統運行所需的時間。
系統中的 IO-Link 功能可減少維護工作,延長正常運行時間,并將傳感器手動安裝轉化為用戶“即插即用”的方式。參數設置可從控制器下載,以便設置或重新配置設備。這意味著不再需要技術人員在車間進行初始設置,并且重新配置設備時的機器停機時間也會減少。借助 IO-Link,可以進行連續診斷、改進數據記錄并增強錯誤檢測,從而進一步降低運營成本。
收發器實現物理鏈路
我們需要使用收發器才能在物理層實現 IO-Link。MAX14828ATG+ IO-Link 設備收發器 IC 和配套的 MAX14819ATM+ IO-Link 主站收發器是高度集成的 IC,非常適合構建強大的傳感器解決方案,同時還可節省空間。另外還有用于電源的板載低壓差 (LDO) 穩壓器,以及用于本地指示燈的 LED 驅動器。
MAX14828ATG+ IO-Link 收發器集成了工業傳感器中常見的高壓功能(圖 8)。該器件帶有一個超低功耗驅動器,提供有源極性反向保護功能。其還提供輔助數字輸入,以便通過 UART 接口進行固件更新。該器件包括板載 3.3 V 和 5 V 線性穩壓器,以實現低噪聲模擬/邏輯電源軌。
圖 8:MAX14828ATG+ IO-Link 收發器 IC 提供傳感器 MCU 與物理鏈路(連接器和電纜)之間的關鍵接口。(圖片來源:Analog Devices)
MAX14828ATG+ 的配置和監控可通過 SPI 接口進行,也可通過設置邏輯接口引腳進行。該器件具有多種可編程功能,允許用戶針對各種負載和應用場景來優化運行和功耗,從而實現應用靈活性和可定制性。
高電壓容差增強了瞬態保護功能,因而允許使用微型瞬態電壓抑制器 (TVS) 器件。其他保護功能包括:接口和電源引腳的 65 V 絕對最大額定電壓、可改進猝發恢復能力和噪聲性能的毛刺濾波器、熱關斷、熱插拔電源保護、所有傳感器接口輸入和輸出端的反極性保護。該收發器采用 4 × 4 mm 的 24 引腳 TQFN 封裝,或者采用 2.5 × 2.5 mm 的晶圓級封裝 (WLP)。工作溫度范圍為 -40°C 至 125°C。
MAX14819ATM+ 是一款低功耗、雙通道 IO-Link 主站收發器,設計用于與 MAX14828ATG+ 配合使用,但不僅限用于該配套 IC(圖 9)。該器件還提供傳感器/致動器電源控制器,并有兩個輔助數字輸入通道。其完全符合最新的 IO-Link 以及二進制輸入標準和測試規范,例如 IEC 61131-2、IEC 61131-9 SDCI 和 IO-Link 1.1.3。
圖 9:MAX14819ATM+ 雙通道 IO-Link 主站收發器完全符合最新的 IO-Link 標準以及其他相關標準和規范。(圖片來源:Analog Devices)
MAX14819ATM+ 帶有集成的 IO-Link 成幀器,因而無需外部 UART。但其可配置為使用外部 UART。為便于選擇相關 MCU,該主站收發器帶有可與 UART 和 FIFO 配合使用的幀處理程序。MAX14819ATM+ 還帶有自主循環定時器,從而減少了對精確控制器定時的需求。集成的通信建立序列器還可簡化喚醒管理。
與 MAX14828ATG+ 一樣,MAX14819ATM+ 也提供本地電源軌,并具有額外的保護功能。其集成了兩個低功耗傳感器電源控制器,具有先進的限流、反向電流阻斷和反極性保護功能,可實現穩健的低功耗解決方案。其他保護功能包括:所有接口引腳上的反極性和耐過壓保護、實現 TVS 靈活性的 65 V 最大絕對額定值、可改進猝發恢復能力的毛刺濾波器。MAX14819ATM+ 采用 48 引腳 TQFN 封裝,尺寸為 7 × 7 mm,擴展工作溫度范圍為 -40°C 至 +125°C。
用于 IO-Link 設計開發的評估套件
一般來說,獲得 IO-Link(特別是 MAX14828ATG+ IO-Link 收發器)的實踐經驗,是保持設計進度的重要步驟。為此,經過全面組裝和測試的 MAX14828EVKIT# 評估套件包含一個符合 IO-Link 標準的設備收發器,帶有 IO 和 SPI 接口端子(圖 10)。
圖 10:使用 MAX14828EVKIT# 評估套件,設計人員能夠快速輕松地初始化 MAX14828ATG+ IO-Link 收發器并評估其性能。(圖片來源:Analog Devices)
要運行該評估套件,必須有一臺通過 USB 電纜連接的 Windows 兼容 PC。借助相關軟件,再結合用戶提供的 24 V/500 mA 直流電源、萬用表、函數發生器和示波器,設計人員可以利用該套件進行 MAX14828ATG+ 的配置、練習和評估。相關文檔包括設置和操作說明、原理圖、完整物料清單 (BOM),以及印刷電路板布局各層的圖片。
總結
要在工業環境中使用 RTD 進行有效、準確、可靠的溫度測量,首先需要用于信號調節和數字化的高性能 AFE。要將這些數據傳輸到系統控制器,則需要合適的數據鏈路。如本文所述,在合適的物理層 IC 的支持下,基于 IO-Link 的傳感器接口可提供核心功能以及高級配置、故障檢測和診斷、管理功能,從而簡化并加快 RTD 智能工廠部署。
免責聲明:本文為轉載文章,轉載此文目的在于傳遞更多信息,版權歸原作者所有。本文所用視頻、圖片、文字如涉及作品版權問題,請聯系小編進行處理。
推薦閱讀:



