【導讀】工業4.0為遠距離實現邊緣智慧帶來了曙光,而10BASE-T1L以太網絡的數據線供電(PoDL)功能、高數據傳輸速率以及與以太網絡協議兼容,也為未來發展鋪路。本文介紹如何在自動化和工業場景中整合新的10BASE-T1L以太網絡物理層標準,將控制器和用戶接口與端點(例如多個傳感器和執行器)相連接,所有組件均使用標準以太網絡接口進行雙向通訊。
工業4.0為遠距離實現邊緣智慧帶來了曙光,而10BASE-T1L以太網絡的數據線供電(PoDL)功能、高數據傳輸速率以及與以太網絡協議兼容,也為未來發展鋪路。本文介紹如何在自動化和工業場景中整合新的10BASE-T1L以太網絡物理層標準,將控制器和用戶接口與端點(例如多個傳感器和執行器)相連接,所有組件均使用標準以太網絡接口進行雙向通訊。
10BASE-T1L是針對工業連接的物理層標準。其使用標準雙絞線電纜,數據速率高達10 Mbps,電力傳輸距離長達1000公尺。低延遲和PoDL功能有助于實現對傳感器或執行器等組件的遠程控制。本文介紹如何實現一個能夠同步控制兩個或更多步進馬達的遠程主機系統,借此展示遠距離實時通訊的能力。
系統概述
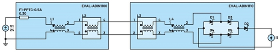
圖1是系統級應用的示意圖。在主機端,由 ADIN1100 和 ADIN1200 以太網絡PHY負責管理標準鏈路和10BASE-T1L鏈路之間的轉換,而在遠程,控制器透過 ADIN1110 以太網絡MAC-PHY與鏈路接口,只需要一個SPI周邊來交換數據和命令。準確的同步運動控制利用Trinamic TMC5160 步進馬達控制器和驅動器來實現,這些組件可產生六點斜坡用于定位,而無需在控制器上進行任何計算。選擇這些組件還能降低對微控制器所用周邊、計算能力和代碼大小的要求,進而支持使用更廣泛的商用產品。
此外,在不超過預定功耗限制的情況下,整個遠程子系統可以直接由數據線供電;因此,只有媒介轉換器板需要供應區域電源。
圖1 : 系統概覽
系統硬件
該系統由四個不同的板組成:
●EVAL-ADIN1100板具有ADIN1200 10BASE-T/100BASE-T PHY,與ADIN1100 10BASE-T1L PHY搭配使用,可以將訊息從一種物理標準轉換為另一種物理標準,其可以針對不同的工作模式進行配置。本項目使用標準模式15(媒介轉換器)。EVAL-ADIN1100板并整合微控制器,用于執行媒介轉換所需的基本配置和讀取診斷信息。但它不能與發送和接收的消息交互;該板對通訊完全透明。
●EVAL-ADIN1110是遠程組件控制器的核心。ADIN1110 10BASE-T1L MAC-PHY透過10BASE-T1L鏈路接收數據,并透過SPI接口將數據傳輸到板載Cortex-M4微控制器進行處理;該板并提供與Arduino Uno兼容的接頭,可利用這些接頭安裝擴展板以增加更多功能。
●TMC5160擴展板為一款基于Arduino擴展板外型尺寸客制的開發板。單一擴展板最多支持兩個TMC5160 SilentStepStick板,多個擴展板可以堆棧在一起以增加可控馬達的最大數量。所有驅動器共享相同的SPI時鐘和數據訊號,但芯片選擇線保持獨立。
此種配置支持兩種通訊模式:如果芯片選擇線各自置為有效,則微控制器可以與單一控制器通訊,例如配置運動參數。相反,如果同時將多條芯片選擇線置為有效,則所有選定的驅動器同時接收相同的命令。后一種模式主要用于運動同步。該板還為StepStick提供了一些額外的輸入電容,以降低馬達啟動時的電流峰值,并使正常工作期間的電流曲線更加平滑。其允許使用PoDL為最多配有兩個NEMA17馬達的整個系統供電(默認設定下,24 V時的最大傳輸功率為12 W)。該板支持使用螺絲端子來簡化與步進馬達的連接,使控制器的相位輸出更容易存取。
●兩個EVAL-ADIN11X0EBZ板用于向系統增加PoDL功能,其中一個板用于媒介轉換器,另一個用于EVAL-ADIN1110EBZ。該板是一個插件模塊,可以安裝在評估板的MDI原型接頭上,并且可以配置為透過數據線提供和接收電力。
圖2 : 裝配好的EVAL-ADIN1110、EVAL-ADIN11X0EBZ和TMC5160擴展板
軟件
為了保持代碼的輕量化并有效減少通訊開銷,沒有在數據鏈路層之上實現標準通訊協議。所有訊息都是透過預定義固定格式的以太網絡幀的有效載荷字段進行交換。數據被組織成46字節的數據段,一個數據段由2字節的固定標頭和44字節的數據字段組成。標頭包括:一個8位組件類型字段,用于確定如何處理接收的數據;以及一個8位組件ID字段,如果存在多個相同類型的組件,可以透過ID來選擇單一物理組件。
圖3 : 通訊協議格式
主機接口采用Python編寫,以確保與Windows和Linux主機兼容。以太網絡通訊透過Scapy模塊進行管理,該模塊允許在堆棧的每一層(包括以太網絡數據鏈路)建立、發送、接收和運算數據包。
協議中定義的每種組件都有一個相應的類別,其中包括用于儲存要交換的數據的屬性,以及一組可用于修改這些屬性而不必直接編輯變量的方法。例如,若要在運動控制器的速度模式下更改運動方向,可以使用已定義的方法 "setDirectionCW()" 和 "setDirectionCCW() ",而不必手動為方向標志賦值0或1。每個類別還包括一個"packSegment()"方法,該方法根據所考慮的設備組件的預定義格式,以字節數組的形式打包并返回與受控組件對應的數據段。
韌體利用ChibiOS環境以C語言編寫,其中包括實時操作系統(RTOS)、硬件抽象層(HAL)、周邊驅動程序等工具,使代碼可以在相似的微控制器之間輕松移植。項目基于三個自定義模塊:
? ADIN1110.c是驅動程序,用于支持透過SPI接口與ADIN1110交換數據和命令。其括用于從組件緩存器讀取和寫入數據的低層通訊函數,以及用于發送和接收以太網絡幀的高層級函數。其并包括用于在10BASE-T1L收發器之間建立通訊的函數。通知是否出現新幀的接腳在中斷時讀取,以盡量減少延遲。
? TMC5160.c實現了控制TMC5160運動控制器所需的全部函數,配置為以全功能運動控制器模式運行。其實現了恒速和位置控制兩種模式,允許使用六點斜坡進行平滑準確的定位。與多個運動控制器的通訊透過單條SPI總線和多條獨立的芯片選線實現。還提供了一組函數和類型定義來簡化運動同步。
? Devices.c是從T1L鏈路接收的數據與連接到控制器的物理組件之間的接口。其包括與主機接口中定義的結構體類似的結構體,并且具有在每次接收到具有效數據的新幀時更新結構體的函數。此模塊還用于確定每次更新結構體時執行哪些操作,例如哪個物理運動控制器與在特定組件地址接收到的命令相關。
圖4 : 固件流程圖
系統亮點和驗證
該項目目的在展示如何在自動化和工業場景中整合新的10BASE-T1L以太網絡物理層標準,將控制器和用戶接口與端點(例如多個傳感器和執行器)連接起來。此應用針對多個步進馬達的遠程實時控制,廣泛用于工業中的低功耗自動化任務,但也可用于輕型機器人和數字控制機床,例如桌上型3D打印機、桌面式銑床和其他類型的笛卡爾繪圖儀。
此外,還能擴展用于其他類型的執行器和遠程控制組件。相較于具有類似用途的現有接口,其主要特色包括:
? 布線簡單,只需要一根雙絞線。由于支持透過資料線供電,低功耗組件(如傳感器)可以直接借助此連接供電,進一步減少所需的布線和連接器數量,并降低整體系統的復雜性、成本和重量。使用PoDL標準的電力傳輸方式,透過數據在線迭加的直流電壓為連接到網絡的設備供電。這種耦合只需要使用被動組件就可以實現,接收端的電壓經過濾波后,可以直接為組件或DC-DC轉換器供電,不需要整流。只要適當確定用于此類耦合的組件大小,就可以實現一個高效率系統。本項目中使用評估板上安裝的標準組件,整體效率約為93%(采用24 V電源,總負載電流為200 mA)。然而此一結果還有很大的改善空間,事實上,大部分損耗是電源路徑上被動組件的電阻壓降造成的。
? 用途廣泛,既可用于最后一哩路連接,也可用于端點連接。ADI 10BASE-T1L組件針對長達1.7公里的距離進行了測試。其并支持菊煉連接,這對系統復雜性的影響很小。例如使用 ADIN2111 雙端口低復雜度交換芯片可以設計整合菊煉功能的組件,使鏈路也適用于端點網絡。
? 易于與已整合以太網絡控制器的現有設備連接,包括個人計算機和筆記本電腦。數據幀遵循以太網絡數據鏈路標準,所有與以太網絡兼容的協議都可以在其之上實現,因此只需要一個媒介轉換器作為網橋與標準以太網絡鏈路連接。例如,本項目中使用的評估板EVAL-ADIN1100可用作透明媒介轉換器的參考設計,其僅需要兩個以太網絡PHY和一個可選微控制器用于配置和偵錯。
? 高達10 Mbps的高數據速率,全雙工。此特性與菊煉拓撲(在其上可以實現基于工業以太網絡的協議)相互結合,使其可用于需要確定性傳輸延遲的實時應用。
? 根據應用的安全性和穩健性要求,收發器和媒介之間的隔離可以透過兼容性耦合或磁耦合實現。
我們對該系統進行多次量測以評估其性能。所有用于與ADIN1110收發器和TMC5160控制器通訊的周邊,都配置為使用標準硬件配置可達到的最大可能速度??紤]到微控制器具有80 MHz系統頻率,對于運動控制器和ADIN1110收發器,SPI周邊的數據速率分別設定為2.5 MHz和20 MHz。對于TMC5160,透過調整微控制器頻率配置并向IC提供外部頻率訊號,SPI頻率可進一步提高至8 MHz。
對延遲進行評估,請求數據和收到接收響應幀之間的總時間大約為4 ms(500個樣本的平均值,使用Wireshark協議分析儀計算數據請求和相應響應的時間戳之間的差值測得)。我們還進行了其他評估,以確定系統的哪些部分是導致此延遲的原因。結果顯示,主要原因是RTOS的延時函數,其預留的最小延遲為1 ms,用于設定TMC5160的讀寫操作間隔,而所需的延遲約為幾十納秒(nanoseconds),這可以透過定義基于定時器的其他延遲函數來改進,使延遲間隔可以更短。
導致延遲的第二個原因是用于接收幀的Scapy函數,調用此函數后至少需要3 ms的設定時間。在實際應用中,直接使用操作系統的網絡適配器驅動程序來開發接口,而不借助Scapy等第三方工具也能有所改善。然而,這樣做也有一些缺點,包括會失去與不同操作系統的兼容性并增加代碼復雜度。
圖5 : 電源路徑的簡化方案
透過切換GPIO并使用示波器測量高位準周期,可測得微控制器上實現回調的準確運行時間,至于實測運行時間,包括讀取和解析接收到的幀,以及向運動控制器發送命令的函數運行時間。
表1:實測運行時間
命令 | 運行時間(ms) | 累計延遲時間(ms) | 優化運行時間(ms) |
同步運動,兩個馬達 | 24.058 | 24.000 | 0.058 |
馬達數據請求 | 3.109 | 3.000 | 0.109 |
偽數據請求 | 0.080 | 0 | 0.080 |
第二組量測旨在評估使用PoDL為遠程組件供電時傳輸路徑上的功率損耗。我們用設定為不同電流的電子負載取代運動控制器擴展板進行測試,從0.1 A到0.5 A,步長為100 mA,以確定哪些組件對功率損耗有較大影響,進而確定如何改善設計以實現更高的額定電流。
表2:系統效率
電流(A) | 輸入功率(W) | 輸出功率(W) | 效率 |
0.109 | 2.61 | 2.47 | 0.95 |
0.200 | 4.70 | 4.45 | 0.93 |
0.308 | 7.37 | 6.70 | 0.91 |
0.399 | 9.54 | 8.51 | 0.89 |
0.502 | 12.00 | 10.45 | 0.87 |
圖6 : 每個無源組件的功率損耗與電流的關系
結果顯示,橋式整流器和肖特基二極管D2是造成損耗的主要因素,兩者均用于極性反接保護。兩個組件可以用基于MOSFET晶體管和理想二極管控制器的類似電路取代,以獲得更高的效率,同時也不會失去上述保護能力。在較高電流下,用于輸入和輸出電源濾波的耦合電感的直流電阻占主導地位,因此為了提高電流能力,還需使用具有更高額定電流的類似電感。
結論
工業4.0正推動著智慧自動化的發展。ADI Trinamic技術與ADIN1100、ADIN1110、10BASE-T1L收發器的搭配,有助于控制器對遠至1700公尺的傳感器和執行器實現遠程控制,而無需邊緣供電。透過可靠的遠程控制方法,可以輕松在更遠距離實時控制步進馬達,而不必犧牲任何性能或速度。這些系統解決方案將助力工業轉型,可望進一步縮短響應時間,充分提升性能。
(本文作者Alessandro Leonardi為ADI客戶經理、Giorgio Paganini為米蘭理工大學學生、Fulvio Bagarelli 為ADI技術主管)
免責聲明:本文為轉載文章,轉載此文目的在于傳遞更多信息,版權歸原作者所有。本文所用視頻、圖片、文字如涉及作品版權問題,請聯系小編進行處理。
推薦閱讀:





