【導讀】當打開或關閉 LED 時,隨著光線變亮或變暗有一個緩慢的過渡。這種類型的瞬態行為非常簡單,但這是一個電子系統改變狀態時的基本反應。使用瞬態分析可以充分理解時域中的信號轉換,以及它們與重要系統參數的關系。
一般情況下,單個三極管構成的放大電路的放大倍數是有限的,只有幾十倍,這就很難滿足我們的實際需要,在實際的應用中,一般是使用多級放大電路。
多級放大電路,其實也是由多個單個三極管構成的,把單個三極管放大電路進行級聯,就能組成多級放大電路。
那么問題來了,這些放大電路每級之間怎么進行連接?這里就涉及到一個叫“耦合方式”的專業術語了,耦合方式是指多級放大電路各級之間的連接方式。
多級放大電路常用的耦合方式主要有三種:阻容耦合、變壓器耦合、直接耦合。
1、阻容耦合放大電路
下圖所示電路就是一個阻容耦合方式連接成的一個多級放大電路,電路的第一級和第二級之間通過電容相連接。

阻容耦合方式的主要優點是,由于前后級放大電路是通過電容相連接,所以各級之間的直流通路是相互斷開的,各級的靜態工作點之間互不影響。如果電容容量足夠大,那么在一定頻率范圍內,輸入信號是可以幾乎無衰減的傳送到后一級電路的。
但是,阻容耦合方式的缺點也很顯著,因為電容有“隔直”的作用,所以直流成分不能通過電容器,其次,電容器對變化緩慢的信號也會有比較大的阻礙作用,所以當變化緩慢的信號通過電容時會造成比較大的衰減。
更重要的是,大容量的電容器很難集成到集成電路中,所以,阻容耦合電路不適合運用在集成的放大電路中。
2、變壓器耦合放大電路
變壓器能夠將信號轉換成磁能的形式進行傳送,所以所以變壓器也能作為多級放大電路的耦合元件來使用。
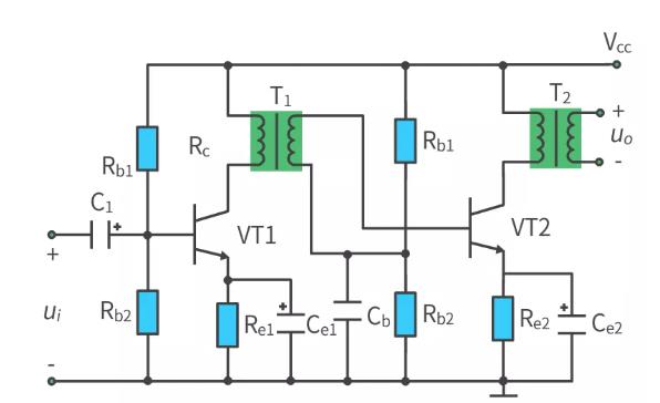
如下圖所示就是一個變壓器耦合放大電路,變壓器T1將第一級的輸出信號傳送給第二級,變壓器T2將第二級的輸出信號傳送給負載。

變壓器耦合放大電路的重要優點是具有阻抗變換作用,因而可以應用在分立元件功率放大電路中;另外,電路前后級是通過磁能來實現耦合,所以各級之間的靜態工作點相對獨立,互不影響。
阻抗變換:當負載阻抗和傳輸線特性阻抗不等,或兩段特性阻抗不同的傳輸線相連接時均會產生反射,會使損耗增加、功率容量減小、效率降低;只要在兩段所需要匹配的傳輸線之間,插入一段或多段傳輸線段,就能完成不同阻抗之間的變換,以獲得良好匹配。
變壓器耦合的缺點在于,低頻特性差,不能放大變化緩慢的信號,直流信號也無法通過變壓器;而且變壓器比較笨重,無法集成化。
3、直接耦合放大電路
為了克服前面兩種耦合方式的無法集成化,也不能傳送變化緩慢的信號的缺點,可以采用直接耦合方式,將前級的輸出端直接或者通過電阻接到后一級電路的輸入端。

直接耦合的放大電路既能傳送交流信號,又能傳送直流信號,也便于集成化,所以,實際的集成運算放大電路中,通常是直接耦合的多級放大電路。
直接耦合方式帶來的缺點是各級之間的直流通路相連,所以靜態工作點會相互影響。
為了使直接耦合的兩個放大電路能正常工作,就要解決各級都要有合適的靜態工作點的問題,如果解決不好,直接耦合會使靜態工作點的緩慢變化逐級傳遞和放大。
如下圖兩個電路就是兩種解決途徑,可以解決一些靜態工作點相互影響的問題。(原理稍復雜這里就不詳細說了)


對于一個高質量的直接耦合放大電路,要求它除了要有很高的電壓放大倍數之外,還要零點漂移也比較低。
零點漂移:如果一個直接耦合放大電路輸入端對地短路,并調整電路,使輸出電壓也為等于零,理論上來說,輸出電壓應該一直保持不變,但實際上,輸出電壓將離開零點,緩慢地發生不規則的變化,這種現象就叫做零點漂移。
直接耦合放大電路由于各級靜態工作點相互影響,所以它的分析、計算、調試會比較麻煩,會比前面兩種耦合電路要復雜。
在多級放大電路中,由于各級之間是互相串聯起來的,前一級的輸出就后一級的輸入,多級放大電路總的電壓放大倍數等于各級電壓放大倍數的乘積。

這點是我們需要知道的,多級放大電路總的電壓放大倍數是相乘,不是相加。
(來源:面包板社區)
免責聲明:本文為轉載文章,轉載此文目的在于傳遞更多信息,版權歸原作者所有。本文所用視頻、圖片、文字如涉及作品版權問題,請電話或者郵箱editor@52solution.com聯系小編進行侵刪。
推薦閱讀:




