【導讀】逆變電焊機,主要是逆變器產生的逆變式弧焊電源,又稱弧焊逆變器,是一種新型的焊接電源。
逆變電焊機,主要是逆變器產生的逆變式弧焊電源,又稱弧焊逆變器,是一種新型的焊接電源。
其工作原理是將工頻(50Hz)交流電,先經整流器整流和濾波變成直流,再通過大功率開關電子元件(晶閘管SCR、晶體管GTR、場效應管MOSFET或IGBT),逆變成幾kHz~幾十kHz的中頻交流電,同時經變壓器降至適合于焊接的幾十V電壓,再次整流并經電抗濾波輸出相當平穩的直流焊接電流。
其變換順序可簡單地表示為:
工頻交流(經整流濾波)→直流(經逆變)→中頻交流(降壓、整流、濾波)→直流。
即為:AC→DC→AC→DC
因為逆變降壓后的交流電,由于其頻率高,則感抗大,在焊接回路中有功功率就會大大降低,所以需再次進行整流。這就是目前所常用的逆變電焊機的機制。
逆變電源的特點:弧焊逆變器的基本特點是工作頻率高,由此而帶來很多優點。
因為變壓器無論是原繞組還是副繞組,其電勢E與電流的頻率f、磁通密度B、鐵芯截面積S及繞組的匝數W有如下關系:E=4.44fBSW
而繞組的端電壓U近似地等于E,即:U≈E=4.44fBSW
當U、B確定后,若提高f,則S減小,W減少,因此,變壓器的重量和體積就可以大大減小,就能使整機的重量和體積顯著減小。
還有頻率的提高及其他因素而帶來了許多優點,與傳統弧焊電源比較,其主要特點如下:
●體積小、重量輕,節省材料,攜帶、移動方便;
●高效節能,效率可達到80%~90%,比傳統焊機節電1/3以上;
●動特性好,引弧容易,電弧穩定,焊縫成形美觀,飛濺小;
●適合于與機器人結合,組成自動焊接生產系統;
●可一機多用,完成多種焊接和切割過程。
電焊機之IGBT系列焊機工作原理
一、功率開關管的比較
常用的功率開關有晶閘管、IGBT、場效應管等。其中,晶閘管(可控硅)的開關頻率最低約1000次/秒左右,一般不適用于高頻工作的開關電路。
1、效應管的特點
場效應管的突出優點在于其極高的開關頻率,其每秒鐘可開關50萬次以上,耐壓一般在500V以上,耐溫150℃(管芯),而且導通電阻,管子損耗低,是理想的開關器件,尤其適合在高頻電路中作開關器件使用。
但是場效應管的工作電流較小,高的約20A低的一般在9A左右,限制了電路中的最大電流,而且由于場效應管的封裝形式,使得其引腳的爬電距離(導電體到另一導電體間的表面距離)較小,在環境高壓下容易被擊穿,使得引腳間導電而損壞機器或危害人身安全。
2、IGBT的特點
IGBT即雙極型絕緣效應管,符號及等效電路圖見圖11.1,其開關頻率在20KHZ~30KHZ之間。但它可以通過大電流(100A以上),而且由于外封裝引腳間距大,爬電距離大,能抵御環境高壓的影響,安全可靠。

二、場效應管逆變焊機的特點
由于場效應管的突出優點,用場效應管作逆變器的開關器件時,可以把開關頻率設計得很高,以提高轉換效率和節省成本(使用高頻率變壓器以減小焊機的體積,使焊機向小型化,微型化方便使用。
但無論弧焊機還是切割機,它們的工作電流都很大。使用一個場效應管滿足不了焊機對電流的需求,一般采用多只并聯的形式來提高焊機電源的輸出電流。這樣既增加了成本,又降低了電路的穩定性和可靠性。
三、IGBT焊機的特點
IGBT焊機指的是使用IGBT作為逆變器開關器件的弧焊機。由于IGBT的開關頻率較低,電流大,焊機使用的主變壓器、濾波、儲能電容、電抗器等電子器件都較場效應管焊機有很大不同,不但體積增大,各類技術參數也改變了。
四、IGBT焊機工作原理
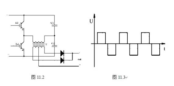
半橋逆變電路工作原理如圖11.2所示:

工作原理:
●tl時間:開關K1導通,K2截止,電流方向如圖中①,電源給主變T供電,并給電容C2充電。
●t2時間:開關K1、K2都截止,負截無電流通過(死區)。
●t3時間:開關K1截止,K2導通,電容C2向負載放電。
●t4時間:開關K1、K2均截止,又形成死區。如此反復在負載上就得到了如圖11.3的電流,實現了逆變的目的。
IGBT焊機的工作原理:
●電源供給:和場效應管作逆變開關的焊機一樣,焊機電源由市電供給,經整流、濾波后供給逆變器。
●逆變:由于IGBT的工作電流大,可采用半橋逆變的形式,以IGBT作為開關,其開通與關閉由驅動信號控制。
●驅動信號的產生:驅動信號仍然采用處理脈寬調制器輸出信號的形式。使得兩路驅動信號的相位錯開(有死區),以防止兩個開關管同時導通而產生過大電流損壞開關管。驅動信號的中點同樣下沉一定幅度,以防干擾使開關管誤導通。
●保護電路:IGBT焊機也設置了過流、過壓、過熱保護等,有些機型也有截流,以保證焊機及人身安全,其工作原理與場效應管焊機相似。
逆變與整流是兩個相反的概念,整流是把交流電變換為直流電的過程,而逆變則使把直流電改變為交流電的過程,采用逆變技術的弧焊電源稱為逆變焊機。逆變過程需要大功率電子開關器件,采用絕緣柵雙極晶體管IGBT作為開關器件的逆變焊機成為IGBT逆變焊機。
逆變焊機的工作過程如下:將三相或單相工頻交流電整流,經濾波后得到一個較平滑的直流電,由IGBT組成的逆變電路將該直流電變為幾十KHZ的交流電,經主變壓器降壓后,再經整流濾波獲得平穩的直流輸出焊接電流。
逆變電焊機優點:由于逆變工作頻率很高,所以主變壓器的鐵心截面積和線圈匝數大大減少,因此,逆變焊機可以在很大程度上節省金屬材料,減少外形尺寸及重量,大大減少電能損耗,更重要的是,逆變焊機能夠在微妙級的時間內對輸出電流進行調整,所以就能實現焊接過程所要求的理想控制過程,獲得滿意的焊接效果。
(來源:21ic電子網)
免責聲明:本文為轉載文章,轉載此文目的在于傳遞更多信息,版權歸原作者所有。本文所用視頻、圖片、文字如涉及作品版權問題,請電話或者郵箱editor@52solution.com聯系小編進行侵刪。
推薦閱讀:




