【導讀】隔離電源在初次級上加Y電容是為了給次級的共模電流提供一個回路到初級,減少共模電流對輸出的影響。有時候Y電容串接在大電解電容的正和或者是地之間,這都是可以的。有時候原副邊串兩個Y電容是為了提供更高的耐壓。

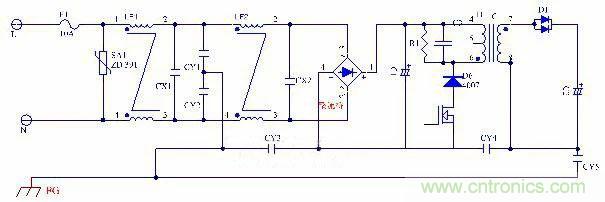
如上圖所示,安規Y電容在我們的隔離電源的應用。
隔離電源在初次級上加Y電容是為了給次級的共模電流提供一個回路到初級,減少共模電流對輸出的影響。有時候Y電容串接在大電解電容的正和或者是地之間,這都是可以的。有時候原副邊串兩個Y電容是為了提供更高的耐壓。
Y電容通常有一下4種接法:
a:輸出端蓋與共模電感形成濾波器,L和N分別對PE加Y電容。CY1、CY2。
b:儲能大電容正負端對大地PE加Y電容.CY3
c:輸出端對大地PE加Y電容 如CY5.
d:變壓器原副邊跨接,如CY4
上面的幾種接法種,對與Y電容的選擇是選Y1還是選Y2,電壓是多少對于我們很多人都不是很清楚。
首先我們看下圖Y電容的一些參數。
上圖不同等級的Y電容的的額定電壓與脈沖峰值電壓是不同的,那我們什么時候用Y1,什么時候用Y2了。這與我們測試的耐壓值有關。
一般原副邊的耐壓要求是AC3750V,那峰值電壓就是3750*1.414=5303V。
從上面的數據來看只有加強絕緣的Y1安規電容符合要求,那我們只能選擇Y1的安規電容跨接在原副邊。而輸入對大地PE一般都是AC1875V,峰值電壓是2652V,通過上面的表格我們可以選擇Y2的安規電容,同理,我們的輸出也可以選擇Y2的安規。
以上總結:在隔離開關電源中,原副邊需要用Y1型的安規電容,其他都只需要用Y2型的安規電容。
關于Y電容的容值選取
首先我們的知道Y電容的容量是按什么來算的。Y電容的選取一般是按泄漏電流來計算。
“泄漏電流的限值應用是依據國際電工委員會 (IEC)TC64技術委員會“電流對人體影響”的科研成果—— 擺脫電流閾值和感知電流閾值 。擺脫電流閾值即是人能自主擺脫帶電物體的電流,取概率為0.5%女性的最大自然擺脫的電流5mA;感知電流閾值即是對人體的肌肉無反應,能防止二次事故的人體的反應(感知)電流為0.5 mA ~ l mA”。
一般如無特殊規定,在額定負載、額定工作條件下,運行到實際穩定狀態時的泄漏電流和在潮濕試驗后的泄漏電流值不能超過:
I類工具: 0.75mA:
II類 工具 :0.25mA:
III類 工具 :0.50mA
泄漏電流的測試時L與N并聯,對PE加額度的輸入電壓。
下圖是泄漏電流的回路圖

我們知道容抗公式 Xc=1/2ΠfC,如果我們的輸入最高電壓時 Vin=AC264V 頻率60Hz,規定的泄漏電流時 I=0.75mA,那么我們的電容 c=I/(2*Π*f*vin*1.414)=5.33nF,因為我們的Y電容是有誤差范圍,Y電容的誤差范圍是 ±5%(J), ±10%(K), ±20%(M)。
一般我們選取的是 ±10%(K),剛才我們算出來輸入的CY1,CY2,CY3的總和是5.33nF。
假設我們選的容值剛好都是正誤差,C*1.1=5.33nF,那么C=4.84nF 這個值是最大值,這個值我們可以認為輸入對大地的Y電容不要大于4.7nF(這個值只是個人建議,因為4.7nF在電容中是一個標準值)就可以了。
輸入對PE的泄流電流測試回路里面,Y電容的串并聯關系是,CY1//CY2//CY3//CY4串CY5。
(來源:電源研發精英圈)
免責聲明:本文為轉載文章,轉載此文目的在于傳遞更多信息,版權歸原作者所有。本文所用視頻、圖片、文字如涉及作品版權問題,請電話或者郵箱聯系小編進行侵刪。



