導讀:在遠距離傳輸網絡中,數千個儀表都使用全雙工線纜并不可取,為了實施一款更遠距離的半雙工模式遠距傳輸網絡,我們必須安裝一個半雙工中繼器。本文詳細介紹RS-485 數據速率獨立型半雙工中繼器的設計方案。
在 RS-485 一般的技術文獻中,為了簡便起見,收發器產品說明書通常會介紹一種全雙工中繼器設計。但是,在遠距離傳輸網絡中,數千個儀表都使用全雙工線纜并不可取,因為線纜和配線都非常的昂貴。
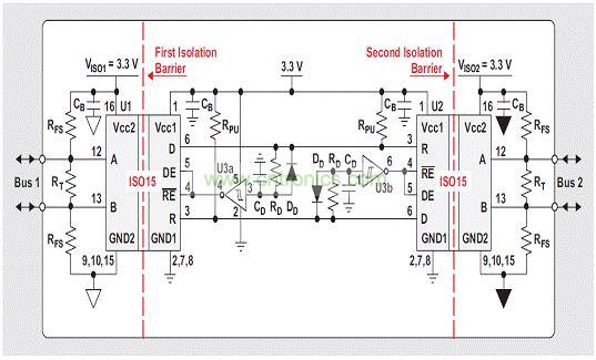
為了實施一款更遠距離的半雙工模式遠距傳輸網絡,我們必須安裝一個半雙工中繼器。圖 1 顯示了一個系統結構圖。由于半雙工中繼器連接至兩個總線段,該中繼器必須包含兩個獨立的收發器,每個收發器都經由信號隔離器連接至其各自總線,并連接至一個隔離于兩個收發器部分的控制邏輯。該控制邏輯及時關閉和開啟中繼器的驅動器和接收機部分。任意方向的發來數據信號都可對其初始化。

圖1 雙隔離半雙工中繼器總線擴展
兩種最為常用的時序控制方法是圖 3 所示單觸發電路和圖 4 所示時延反相緩沖器電路。為了確保正確的開關行為,兩種方法都要求對上電和總線閑置以后的啟動條件進行定義。通過故障保護偏壓電阻器 RFS 可以完成這項工作,其在沒有收發器有效驅動總線時,產生一個大于接收機輸入敏感度 VFS > +200 mV 的故障保護電壓 VFS。

圖2 利用一個單觸發電路實施的收發器時序控制

圖3 利用一個反相緩沖器電路實施的收發器時序控制
完整執行一遍單觸發電路的功能運行順序(此處以數字編號,請參見圖 3),清楚地說明了該中繼器的工作過程:
在總線閑置期間,由于VFS,兩個中繼器端口的接收機輸出均為高電平。因此,兩個收發器在接收模式下相互牽制。
接下來,端口 1 上發來數據包起始位的到達,驅動 RX1 輸出為低。這種轉變觸發單觸發電路,從而驅動其輸出為高,并激活驅動器 DR2。
正確計算時間常量 RD × CD,以使該單觸發電路輸出在整個數據包時間期間都保持高態。
在單觸發時間常量期間,DR2 始終驅動總線 2。XCVROUT 代表總線 2 上遠程收發器的接收機輸出狀態。請注意,DR2 被激活時,上拉電阻器 RPU 拉高未激活接收機 (RX2) 的輸出,以使 RX1 保持激活狀態。
這種解決方案的缺點是,R-C 時間常量取決于數據包長度和發送信號的數據速率。另外,單觸發電路易受噪聲瞬態的影響,容易引起偽觸發和中繼器故障。
不過,單觸發電路常用于接口橋接,例如:RS-232 到 RS-485 轉換器等。這些轉換器直接把 RS-485 網絡連接至老式 PC 或者 RS-232 控制機器的 RS-232 端口。
有一種更加穩健和不依賴于數據速率的方法可以替代單觸發電路,即通過一種具有不同充電和放電時間的反相施米特 (Schmitt) 觸發緩沖器,實現時序控制。優先原則是在邏輯低狀態期間主動驅動總線,并在邏輯高狀態期間關閉驅動器。然后,根據逐位原則開啟和關閉序列,從而使中繼器功能獨立于數據速率和數據包長度。
完整執行一遍反相器控制中繼器的功能運行順序(此處以數字編號,請參見圖4),可以清楚地說明其運行過程:
在總線閑置期間,由于 VFS,兩個中繼器端口的接收機輸出均為高。延遲電容 CD 獲得完全充電,驅動反相器輸出為低態,以使收發器維持在接收模式下。
之后,總線 1 出現一個低位,驅動RX1輸出為低電平,快速對 CD 放電,并激活驅動器 DR2。
當總線電壓變為正(VBus > 200 mV)時,RX1 輸出變為高,其驅動 DR2 輸出為高,并通過 RD 對 CD 緩慢充電。必須正確計算最小時間常量(RD × CD),以使最大電源電壓 VCC(max) 和最小正反相器輸入閾值VTH+(min) 時,延遲時間tD 超過驅動器最大低到高傳播延遲 tPLH(max),即超出 30%。例如,電容為 CD = 100 Pf 時,RD 的要求電阻值為:

[page]
根據延遲時間 (tD) 與實際數據位間隔時間的對比情況,延長驅動器激活時間,以在總線建立有效的高態信號。需在從發射模式切換至接收模式以前完成這項工作,目的是讓接收機輸出始終保持高態。由于接收機傳播延遲短于驅動器,因此接收機不可能變為低態,即使是一瞬間的低態都不可能。驅動器一旦關閉,外部故障保護電阻器便將總線 2 偏壓至 200 mV 以上,其被活躍接收機看作是一個定義高電平。
某個總線閑置,低位 VOD < 1.5 V,高位之初時延 (tD) 的 VOD > 1.5 V,此時,總線 2 的差動輸出電壓為 VOD = VFS > +200 mV。之后,其余高位 VOD = VFS > +200 mV。
此外,XCVROUT代表總線 2 上遠程收發器的接收機輸出狀態。傳統中繼器設計的數據速率通常被限制為 10 kbps,更短傳播延遲的一些現代收發器擁有高達 100 kbps 以上的數據速率。
為了簡便起見,到目前為止,中繼器討論始終都沒有涉及電隔離這一重要內容。但是,在一些遠距傳輸網絡(中繼器的主要應用領域)中,網絡節點之間的大接地電位差 (GPD) 很是常見。這些 GPD 以收發器輸入強共模電壓的形式存在,如果不實施電隔離,它們會對器件產生破壞力。當收發器總線電路隔離于其控制電路時,總線系統獨立于本地節點的接地電位。
圖1顯示了隔離于節點控制電路的總線節點驅動器和接收機部分。但是,就中繼器而言,必須使用雙隔離,因為內部控制邏輯必須隔離于總線 1 和總線 2。另外,兩個總線還必須相互隔離。圖 4 顯示了實施這種隔離的一個中繼器電路。電路使用兩個經過隔離的 RS-485 收發器,每個收發器都要求一個單獨的隔離電源 VISO,其源自于控制部分的中央 3.3V 電源(請參見圖5)。

圖4 雙隔離半雙工中繼器

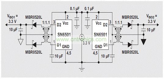
圖5 雙隔離電源設計
中繼器可用作總線擴展器或者分接頭延長器。用作總線擴展器時,中繼器構建一個總線的末端和另一個總線的開端。這樣可以在兩個端口固定安置故障保護電阻器和端接電阻器。但是,當中繼器用作分接頭延長器時,它可以放置在網絡的任何位置。這時,應去除連接總線的端口的電阻器,但是仍然保留分接頭端口的電阻器。




