- DisplayPort到DVI/HDMI信號轉換原理
- DisplayPort到DVI/HDMI信號轉換適配器方案
- 對于差分信號進行電壓轉換的電路
- 對于顯示數據通道DDC信號的緩沖電路
- 對于顯示數據通道DDC時鐘和數據信號的上拉電阻
DisplayPort為新一代影像顯示接口技術的規格之一,可將筆記型計算機和消費電子設備連接到顯示器或者平板電視,傳遞高畫質影像信號。迅速崛起的DisplayPort技術將可望承襲VGA與DVI接口的市場,成為PC領域的主流技術,與主導消費性電子領域的HDMI技術并駕齊驅。例如,蘋果公司已經在其新款筆記本和監視器產品上面全面應用mini-DisplayPort接口。
各種接口技術的并存創造了于接口間信號傳輸時信號轉換適配的需求,包括DisplayPort到DVI信號轉換適配器,DisplayPort到HDMI信號轉換適配器,DisplayPort到VGA信號轉換適配器。DisplayPort到DVI或HDMI信號轉換適配器讓配備DisplayPort的筆記本計算機與顯示器和平板電視之間擁有高度靈活性、穩定、具成本效益的DVI或HDMI訊號連結,并可完全滿足終端客戶對高質量影像的需求。
DisplayPort到DVI/HDMI信號轉換原理
由于在DisplayPort推出之際,HDMI和DVI已經存在,所以DisplayPort源設備必須與現有的HDMI和DVISink設備能夠互操作。為滿足這個要求,實際上所有的DisplayPort數據源設備都是“雙模”設備,即同時支持DisplayPort(直接連接),并通過一個便宜的線纜適配器(“dongle”)來支持DVI/HDMI。
這將允許臺式或筆記本電腦只需遷移到一個輸出連接器類型,同時仍然支持老式顯示器或數字電視連接。在DisplayPort數據源設備的半導體器件中增加HDMI功能,系統成本增加并不大。由于電氣接口是共享的,因此沒有增加額外的硬件成本。
對于DisplayPort的雙模設備,需要在DisplayPort接口部分標識一個圖標(如圖1所示),表示本設備不但只支持DisplayPort,還支持DVI1.0或者HDMI。在這個圖標中,“++”標識和DisplayPort標識表明了本設備支持雙模信號的能力。

圖1.DisplayPort雙模設備的標志
DisplayPort是VideoElectronicsStandardsAssociation(VESA)的商標
DP++:Dual-ModeDisplayPort
TMDS:Transition-MinimizedDifferentialSignaling
DVI(DigitalVisualInteRFace)是DigitalDisplayWorkingGroup(DDWG)的商標
HDMI(HighDefinitionMultimediaInterface)是HDMILicensing,LLC的商標

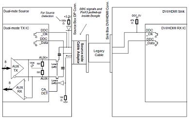
圖2.DisplayPort到DVI/HDMI適配器
線纜適配器設置在DisplayPort數據源端,如圖2所示。DisplayPort數據源端的線纜適配器(下簡稱源端適配器)的內部結構和工作原理如圖3所示。

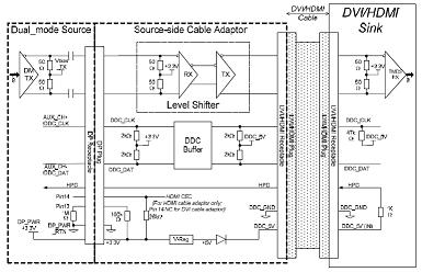
圖3.源端適配器的內部結構和工作原理
[page]
源端適配器應該包含以下電氣特性:
1).對于差分信號進行電壓轉換的電路;
2).對于顯示數據通道DDC信號的緩沖電路;
3).對于顯示數據通道DDC時鐘和數據信號的上拉電阻;
4).對于DisplayPort接口的13腳信號的上拉電阻,用于線纜適配器檢測;
5).對于DisplayPort接口的14腳信號的上拉電阻,用于HDMI線纜適配器檢測(僅用于HDMI適配器);
6).升壓轉換器從源端DP_PWR3.3V電壓來產生DDC_5V(如果Vbias_RX不是3.3V,需要產生Vbias_RX所需要的電壓);
7).1個DisplayPort1.1連接器;
8).1個DVI1.0或HDMI(A類或C類)插座連接器;
說明1:電壓轉換器的終端偏置電壓Vbias_Rx并不一定是+3.3V。如果Vbias_Rx不是+3.3V,適配器必須自己生成Vbias_Rx所需要的電壓。
說明2:在接口14管腳上的26kΩ上拉電阻只是針對HDMI信號的適配器才需要的。對于DVI信號適配器,接口14管腳需要懸空。支持HDMI模式的雙模源端設備在14管腳上設置有超過5MΩ的下拉電阻,用于識別適配器中的上拉電阻。需要說明的是,作為CEC協議的一部分,HDMI設備可能會將14管腳電壓拉低。
當一個源端適配器被雙模源端設備檢測到后,雙模設備會自動重配置DisplayPort接口的管腳定義,以適應DVI/HDMI信號模式,管腳的映射關系如表1所示。
表1.雙模設備中DisplayPort和DVI/HDMI的映射關系

對于一個雙模源端設備而言,監視接口13管腳上的電壓值是可選的。通常情況下,雙模源端設備會先嘗試進行AUXCH讀操作。如果讀操作失敗,該雙模源端設備會進行DDC讀寫操作,用于檢測適配器是否連接。
對于DDC信號,雙模源端設備必須隔離AUXCH信號線上的耦合電容和DDC信號線。圖4給出了信號隔離的方法。

圖4.DDC和AUXCH信號連接
對于DP_PWR電壓,雙模源端設備必須將該電壓控制在+3.3V+/-10%范圍內。適配器將通過DP_PWR電壓對應生成DDC_5V電壓信號,如圖3所示。
DisplayPort到DVI/HDMI信號轉換適配器方案
意法半導體公司針對DisplayPort接口,推出了支持DVI與HDMI的電壓轉換產品STHDLS101。應用STHDLS101芯片的適配器將DisplayPort雙模設備的輸入信號轉換成為TMDS信號輸出。它內置的電平轉換器支持DVI1.0和HDMI1.3的信號電平標準。STHDLS101支持的最大數據速率達到每通道2.7Gbps,足夠支持顯示分辨率1080P(12-比特每通道),兼容HDMI1.3標準。[page]

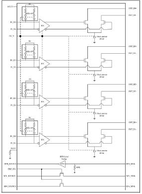
圖5.STHDLS101芯片的功能框圖

圖6.STHDLS101芯片的應用框圖

圖7.STHDLS101芯片的內部框圖
STHDLS101的主要功能特性:
■將高速,低擺幅,四通道差分輸入信號轉換至高清多媒體(HDMI)信號
■數據速率:每通道2.7Gbps
■內置50歐姆輸入匹配電阻
■使能/去使能控制TMDS信號輸出以進入低功耗狀態
■TMDS輸出信號斜率控制以降低EMI干擾
■透明的工作模式:無需配置和重新定時
■通道間信號偏差小于250ps
■通道內信號偏差小于10ps
■為顯示數據通道(DDC)端口提供5V至3.3V的雙向電平轉換
■為HDMI/DVI接口上熱拔插端口(HPD)提供5V至3.3V電平轉換
■集成有HPD_SINK和OE_N信號線的下拉電阻
■3.3V電壓供電
■大于±6千伏的靜電保護能力(HBM)





