【導讀】如何評估IGBT模塊的損耗與結溫?英飛凌官網在線仿真工具IPOSIM,是IGBT模塊在選型階段的重要參考。這篇文章將針對IPOSIM仿真中的散熱器熱阻參數Rthha,給大家做一些清晰和深入的解析。
● IPOSIM中Rthha定義:折算到每個Switch(開關)的散熱器熱阻
● 折算思路:對于常規模塊,先確定散熱器的總熱阻,再根據散熱器包含的Switch數量,折算出熱阻Rthha。對于PIM模塊,其散熱器熱阻需要額外計算。
一、兩電平仿真中的Rthha的定義與設置
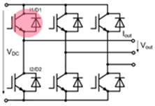
在兩電平逆變拓撲中,每個Switch基本單元為:T1+D1

兩電平舉例說明:3XFF600R12KE4 per Inverter

(FF600R12KE4)
62mm封裝的半橋模塊如上,三個半橋模塊置于散熱器,組成完整的三相逆變拓撲。假設每個模塊200W損耗,散熱器的溫升30℃,則散熱器總熱阻為30℃/(200W*3)=0.05K/W。
散熱器總共包含了6個Switch基本單元,因此IPOSIM中Rthha為:0.05*6=0.30K/W。
二、三電平仿真中的Rthha的定義與設置
三電平的拓撲相對復雜一些,以常見的三種拓撲NPC1、NPC2和ANPC為例,分別進行說明:

在NPC1拓撲中,每個Switch基本單元為:T1+D1+T2+D2+D5

在NPC2拓撲中,每個Switch基本單元為:T1+D1+T2+D2

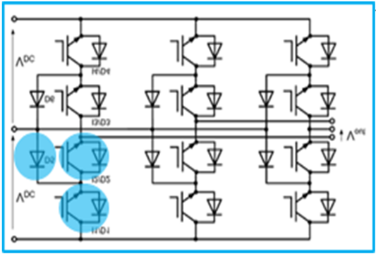
在ANPC拓撲中,每個Switch基本單元為:T1+D1+T2+D2+T5+D5
三電平NPC1舉例說明:
3XF3L150R07W2E3_B11 per Inverter

(F3L150R07W2E3_B11)
在中小功率的三電平應用里,1個模塊就能裝下三電平的1個甚至3個橋臂。如Easy2B封裝的三電平模塊F3L150R07W2E3_B11,模塊內為1個NPC1橋臂,3個模塊置于散熱器上,組成完整的三電平的三相逆變拓撲。假設每個Easy2B模塊損耗200W, 散熱器的溫升30℃,則散熱器總熱阻為:30℃/(200W*3)=0.05K/W。
散熱器總共包含了6個Switch基本單元,因此IPOSIM中Rthha為:0.05*6=0.30K/W。
三電平ANPC舉例說明:
3XFF600R12ME4_B72 per phase

(FF600R12ME4_B72)
在大功率的三電平應用里,往往需要多個模塊才能組成1個三電平橋臂,如EconoDual3™封裝的半橋模塊FF600R12ME4_B72,3個模塊組成1個ANPC或NPC1的橋臂,同樣3個模塊置于散熱器上,只是三電平拓撲的某一相。假設3個模塊損耗一共1200W,散熱器溫升50℃,則散熱器總熱阻為50℃/1200W=0.042K/W。
散熱器只包含了2個Switch基本單元,因此IPOSIM中Rthha為:0.042*2=0.084K/W。
三、變頻器PIM模塊仿真中的Rthha的定義與設置
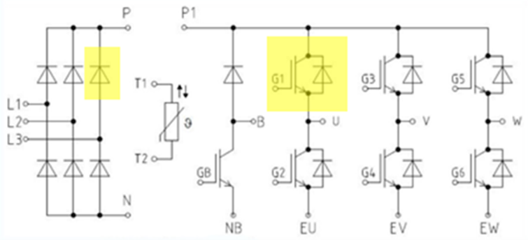
在中小功率的變頻器應用里,常常會用到PIM模塊(包含整流、制動和逆變),如英飛凌最新IGBT7系列EasyPIM模塊FP25R12W2T7_B11。

如下圖所示,是基于有限元熱仿真的散熱器表面溫度分布:環境溫度50℃,散熱器表面最高溫度82.3℃,其中每個整流二極管RD的損耗為3W,每個IGBT的損耗為10W,每個FWD的損耗為4W。

考慮到模塊內整流部分和逆變部分的相互影響,我們可分別計算逆變(Inv)和整流(Rec)部分的Switch對應的散熱器熱阻Rthha,其中:
PIM模塊逆變部分的散熱器熱阻Rthha(Inv)=(82.3℃-50℃)/(10W+4W)=2.30K/W
PS:如果按散熱器總熱阻X6去折算逆變部分的熱阻,會存在低估的情況:
散熱器總熱阻=(82.3℃-50℃)/(6*10W+6*4W+6*3W)=0.317K/W,
即0.317*6=1.90K/W,
比上述的熱阻值2.30K/W偏低約18%。
散熱器(總)熱阻在不同工況下的變化
散熱器的熱阻并非定值,而是會隨熱源的分布變化而變化。
在一些大功率三電平的應用場合,一方面,各個模塊之間的損耗不同;同時,模塊間損耗差異還會隨著工況不同而變化,因此,需要格外關注此時散熱器總熱阻的變化情況。如下,分別以常見白模塊和黑模塊三電平NPC1拓撲為例,進行簡單的分析。
案例一
基于EconoDual™3白模塊NPC1三電平,在某種水冷條件下,不同工況時的散熱器總熱阻:



案例二
基于PrimePACK™3黑模塊NPC1三電平,在某種水冷條件下,不同工況時的散熱器總熱阻:



因此,需考慮最惡劣工況下的熱阻,或者在不同工況仿真時,采取不同的散熱器熱阻應對,以獲得更準確的仿真結果。
綜上所述,文章總結了在IPOSIM中Rthha參數,在兩電平和三電平應用中的定義與設置,以及一些常見的問題,期望對大家如何正確選取Rthha進行準確的IPOSIM仿真有所幫助。
紙上得來終覺淺,絕知此事要躬行。
趕緊打開IPOSIM試試吧。
免責聲明:本文為轉載文章,轉載此文目的在于傳遞更多信息,版權歸原作者所有。本文所用視頻、圖片、文字如涉及作品版權問題,請聯系小編進行處理。
推薦閱讀:





