【導讀】本次實驗的目的是研究將MOS場效應晶體管(NMOS和PMOS)連接為二極管時的正向/反向電流與電壓特性。
材料:
● ADALM2000主動學習模塊
● 無焊面包板
● 一個100 Ω電阻
● 一個ZVN2110A NMOS晶體管
● 一個ZVP2110A PMOS晶體管
NMOS說明
增強型NMOS晶體管柵源的電流與電壓特性可以使用ADALM2000實驗室硬件和以下連接來測量。使用面包板,將波形發生器W1連接到電阻R1的一端。將示波器輸入2+也連接到這里。將M1的柵極和漏極連接到R1的另一端,如圖所示。M1的源極連接至負電源Vn(–5 V)。將示波器輸入2-和示波器輸入1+連接到M1的柵極-漏極節點。示波器輸入1–最好接地,以降低噪聲影響。構建電路時,確保關閉電源Vn。確保所有連接都正確之后,接通電源。

圖1.NMOS二極管連接圖。
硬件設置
波形發生器配置為100 Hz三角波,峰峰值幅度為10 V,偏移為0 V。示波器的差分通道2(2+、2-)用于測量電阻(和晶體管)中的電流。連接示波器通道1 (1+)的單端輸入,以測量晶體管兩端的電壓。流過晶體管的電流是2+和2-之間的電壓差除以電阻值(100 Ω)的結果。

圖2.NMOS二極管面包板電路。
程序步驟
將捕獲的數據加載到Excel表格中,計算電流。計算并繪制電流與晶體管兩端電壓(VGS)的曲線。應沒有反向流動電流。在正向導通區域,電壓-電流應呈二次函數關系。計算并繪制電流與VGS的平方根曲線。比較兩條曲線的形狀并評論。VGS的平方根曲線。比較兩條曲線的形狀并評論。

圖3.NMOS二極管XY曲線。
PMOS說明
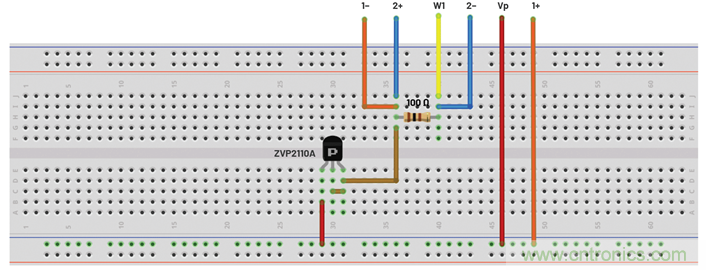
使用PMOS器件,重復實驗。連接方法類似,如圖4所示。您可能注意到,在本示例中,示波器輸入的極性發生反向。所以,示波器屏幕的電壓和電流方向與NMOS示例中類似。M1的源極連接至正電源Vp (+5 V)。將示波器輸入2+和示波器輸入1–連接到M1的柵極-漏極節點。構建電路時,確保關閉電源(Vp)。確保所有連接都正確之后,接通電源。

圖4.PMOS二極管連接圖。
硬件設置
波形發生器配置為100 Hz三角波,峰峰值幅度為10 V,偏移為0 V。示波器的差分通道2(2+、2-)用于測量電阻(和晶體管)中的電流。連接示波器通道1 (1–)的單端輸入以測量晶體管兩端的電壓。流過晶體管的電流是2+和2-之間的電壓差除以電阻值(100 Ω)的結果。

圖5.PMOS二極管面包板電路。
程序步驟
將捕獲的數據加載到Excel表格中,計算電流。計算并繪制電流與VGS的曲線。應沒有反向流動電流。在正向導通區域,電壓和電流應呈二次函數關系。計算并繪制電流(ID)與VGS的平方根曲線。比較兩條曲線的形狀并評論。

圖6.PMOS二極管XY曲線。
問題
● 通過繪制ID和VGS的測量數據曲線,找到并報告VTH和K (W/L)的值。比較NMOS和PMOS的VTH和K (W/L)值,有什么區別?
推薦閱讀:






