【導讀】真無線耳機常常使用3個(或更多)引腳與其充電盒連接,用于傳輸數據和電源。額外的引腳則需要更大的空間,同時也會導致可靠性隱患。此外,耳機電池充電期間常采用固定電壓,該方法會引起有害發熱。本設計方案中,我們詳細考察了這些方法的缺點,然后提出一種采用兩片IC解決這些問題的混合方法。
概述
在東方文化中,大耳朵象征著好運和財富。遺憾的是,世界上大部分人都沒有與生俱來的好運和財富——每個人耳朵的形狀與大小都不盡相同。真無線耳機(圖1)制造商當然不能指望每位用戶都長著一對能夠自如佩戴耳機的大耳朵,相反,他們需要攻克一項巨大的挑戰:耳機能夠適應各種大小和形狀的雙耳,同時讓用戶感到佩戴舒適。

圖1(a). 真無線耳機。圖1(b). 真無線耳機及其充電盒
尺寸約束不是他們唯一的挑戰。從本質上講,真無線耳機必然是可重復充電的。然而,如果充電效率不高,耳機會快速發熱,達到高溫,從而限制了其充電速度,并且使其佩戴不舒適。本設計方案中,我們討論無線耳機電池充電的管理方式,以及將這些微小外殼內的占位面積最小化所面臨的挑戰。我們提出一種利用IC來節省空間的途徑,該IC采用創新的方法來管理耳機與其充電盒之間的電源和數據傳輸。最后,我們介紹一款DC-DC轉換器IC,該IC能夠自適應優化電池充電條件,從而最大程度減小以熱形式浪費的功率,有助于縮短充電時間。
耳機充電接口
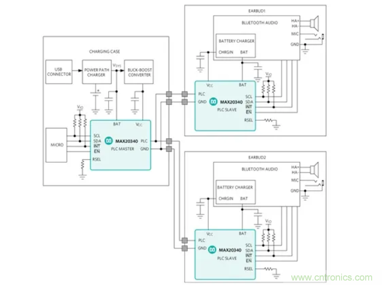
真無線耳機被放入充電盒時,其中的耳機開始充電。圖2所示為該配置方案的簡化框圖。

圖2. 耳機和充電盒簡化圖
耳機制造商常常使用3個(或更多)引腳接口來管理電池充電過程。兩個引腳用于充電,其他引腳提供充電盒和耳機之間的通信(或數據)通道。該通道用于在充電盒和耳機中跟蹤電池的狀態,意味著用戶和系統都能夠持續獲得充電過程狀態的相關信息。該通信接口也可用于設備固件升級以及/或者工廠調試。有些耳機型號使用專用的(pogo)引腳來檢測耳機是否被放入充電盒。雖然有些制造商使用霍爾效應傳感器,以避免使用專用pogo引腳,但這要求充電盒中具有額外附加元件。
為了在微小的耳機內部容納附加引腳,無論出于什么目的,都為制造商帶來了挑戰,不僅限于空間,而且關乎可靠性,因為每個引腳在制造過程中都會引入潛在故障點。理想情況下,應只使用兩個引腳將耳機連接到充電盒。實現以上目的的一種途徑是使用兩個傳輸電源的引腳和一路獨立的Bluetooth®通道實現與充電盒之間的數據通信。然而,這要求在充電盒內擁有額外的藍牙收發器,會占用甚至更大的空間和功耗。
將數據和電源傳輸組合在一起
對于耳機與其充電盒通信,一種更高效的方法是將數據和電源傳輸組合到單個通道,有效地將數據信號疊加到電源上。這被稱為“電力線通信”(類似于電源插座被用于擴展有線網絡通信)。MAX20340實現了這種技術的創新,提供雙向直流電力線通信接口,適用于空間受限的便攜式消費類電子設備。利用這種方法,引腳數量可減少到2個,堪稱完美的方案。圖3所示為MAX20340直流電力線通信管理IC被集成到耳機及其充電盒的方式,支持速率高達166.7kbps的雙向數據傳輸。主機IC位于充電盒內,每個耳機內各有可尋址的從機IC。

圖3. 利用MAX20340實現耳機和充電盒之間的數據和電源傳輸
接口僅使用兩個引腳,有效減少故障點數量,從而提高可靠性。MAX20340擁有其他諸多優勢。器件的最大充電電流為1.2A,電池充電更快速。器件具有自動從機檢測功能,意味著既不需要霍爾效應傳感器,也不需要pogo引腳,充電盒即可識別耳機是否已放入。器件包括高ESD保護,無需附加TVS二極管。IC采用9焊球、0.4mm焊距、1.358mm x 1.358mm晶圓級封裝(WLP)。
減少發熱
為防止發熱,耳機電池充電應盡量高效。通過分析這一過程,會發現不為人知的功耗源。電池盒中的鋰離子電池(典型為3.7V)通常利用DC-DC轉換器IC被升壓到5V,然后被耳機中的線性充電器用于為電池充電。然而,即使耳機電池電壓在充電期間升高,但始終保持低于5V。這種過高電壓會造成功率被以熱量的形式浪費掉。為防止浪費,在充電過程中,線性充電器的輸入(由升壓轉換器提供)與電池電壓之間的電壓差,應隨著電池電壓升高而改變,從而持續實現最小化。
圖4所示的升/降壓轉換器能夠實現這一目的,該IC采用稱為動態電壓調節(DVS)的技術

圖4. MAX20343升/降壓DC-DC轉換器,帶DVS
圖5所示為MAX20343如何與MAX20340配合使用,以降低散熱。MAX20340間歇地查詢耳機電池電壓,并將該信息提供給充電盒側的微控制器。然后微控制器調節MAX20343的輸出電壓,使其與耳機電池電壓加上線性充電器所需的附加裕量相匹配。這樣的優勢是最大程度降低充電盒側電池的能源浪費,降低耳機內的散熱。散熱降低就意味著耳機能夠以較快的速率進行充電。MAX20343可選擇16焊球、1.77mm x 2.01mm、0.4mm焊距、WLP封裝,或12引腳、2.50mm x 2.50mm、0.5mm焊距FC2QFN封裝。

圖5. 使用MAX20340和MAX20343進行充電
總結
真無線耳機體積微小,帶來了諸多設計挑戰。我們已經看到,除電源傳輸介質外,真無線系統需要一種途徑來實現耳機和充電盒之間的雙向數據通信。許多型號的耳機使用額外引腳來提供數據通道,同時也通過專用的pogo引腳使充電盒能夠識別耳機是否已放入。然而,額外引腳會占用有限的空間,增加附加故障點。這會導致制造過程中的可靠性問題。我們也討論了耳機充電過程中的能源浪費形式。我們介紹了能夠克服這些挑戰的兩款IC。MAX20340將電源和數據傳輸組合到一個通道,意味著只需兩個引腳即可實現耳機與其充電盒的連接。MAX20343通過提高電池充電過程的效率,減少發熱。無論是配合使用還是獨立使用,這些IC都是類似應用的理想選擇,例如助聽器、游戲手柄、手持無線電對講機、銷售終端。
推薦閱讀:


