【導讀】人體血糖值的偏高或偏低都有可能導致嚴重的健康威脅,因此監測血糖水平是重中之重。目前全球已有1.5億人口罹患糖尿病,所以個人便攜型血糖監測儀(BGM)的需求巨大。
圖1所示的動態血糖監測儀(CGM),可幫助糖尿病患者實時檢查血糖讀數,也可在超長時間段內監測血糖值。CGM能夠持續監測血糖水平,然后在用戶血糖值達到危險值時提示用戶。這款監測儀通常包含圖2所示的傳感器單元和圖3所示的聚合器單元。

圖1:動態血糖監測儀(CGM)
此傳感器單元使用紐扣電池或硬幣電池,在一定時間段內與人體連接(例如,8到10天)。聚合器單元是由電池供電的手持單元,可以利用如近場通信等無線射頻(RF)技術來讀取血糖數據。聚合器單元的電池管理子系統由電池充電器、電池電量計和保護器構成。3.7 V鋰離子單電池就可運行一般的聚合器單元。其可通過電源適配器的USB或DC輸入進行充電。

圖 2:CGM傳感器單元

圖 3:CGM聚合器單元的示意框圖
電池電量計可以預測并估算電池在不同負載狀態下的剩余容量、充電狀態、電量耗盡時間和運行狀況,從而幫助解決電池管理中的難題。利用智能電池電量計,用戶可以延長運行時間(如圖4所示)和電池循環壽命。德州儀器(TI)的Impedance Track™測量算法實現了準確度高于99%的電池容量預測,使其具有卓越的模擬測量性能和電池特征建模功能。

圖4:采用TI電量計實現超長運行時間
這款血糖監測儀提供多種單節電池測量選項,不僅外形小巧,經濟高效,而且功耗超低。電量計可以搭載在電池組內或系統PCB上,后者更多見于便攜型醫療應用。
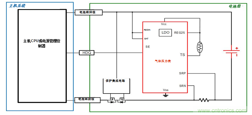
圖5和圖6分別展示了典型的系統側和組側電量計配置。系統PCB上的電量計,如BQ27426,只需要最低的用戶配置,并且在正常工作時電流消耗也很小。對于更高級別的集成,某些電量計具有集成式檢測電阻,如BQ27421-G1。
另一方面,如果電量計搭載在電池組內,則可以通過基于閃存的固件和256位集成式安全哈希算法(如BQ27Z561-R1)提供具有高準確性的解決方案。BQ2970等保護集成電路可提供電壓、電流和反向充電器保護。

圖 5:典型的主機/系統側電量計配置

圖 6:典型的電池組側電量計配置
電池電量計提高了電源管理的先進性和智能水平。不具有準確電量計的系統只能在固定電壓下關閉。許多設備關閉時系統電壓為3.5 V,以便保護用于最壞情況的備用容量(保留電能用于關機),但如圖4所示,只通過微控制器和模數轉換器測量電池電壓,進而生成低電池電量警告并不是測量剩余電量的可靠方法。這是由于大多數應用都具有可變負載。電池電量計將計算剩余電量并改變關機電壓,以滿足任何條件下所需的備用容量要求,從而增加運行時長。
除保有備用容量的優勢外,由于應用產生的高瞬態脈沖負載,一些電池電量計還能夠不報告0%的電荷狀態,從而使電池電壓降至終端電壓以下。當電池仍然具有高電量時,這個特性很有優勢,但是高瞬態負載會造成提前達到終止電壓。
電池是復雜的電化學系統,受電池老化、溫度和阻抗的影響。算法、緊湊設備和高級設備集成都是改進系統性能的關鍵特性。您在動態血糖監測儀等醫用電池供電應用方面面臨的最大挑戰是什么?請在文末告訴我們您的觀點。
推薦閱讀:





