- 燃料電池的工作原理
- 燃料電池的分類
- 燃料氫的來源
- 利用質子交換膜和催化層的技術
這一切都對微電子產品的供電系統提出了新的挑戰。正當汽車用的大功率清潔燃料電池開發遇到成本高,難度大而進展緩慢時,卻引發了人們開發研制靈巧的燃料電池(SmartFuelCell)的嘗試,由于大膽地采用了新材料,新工藝,研究工作取得了突破性的進展,并獲得了試制品的成功,一種基于氫氣的燃料電池脫穎而出。
現在它已從早期的能量密度50~80W•h/kg提高到1000W•h/kg,比當前流行的鋰離子電池能量密度150~300W•h/kg高出了許多。1OZ(盎司,=28.35g)燃料電池所釋放出的能量是900mA•h的鋰離子電池的2倍以上。理論計算表明,燃料電池所能提供的能量是同樣重量鋰離子電池所能提供能量的3倍,最大極限值是30倍。因此,激發了開發商加快開發和研究燃料電池的步伐。
雖然目前還存在燃料電池的成本、體積、標準化和安全認證等問題,但開發商們普遍認為在未來的3~5年,這些問題完全可以得到解決,并批量投入生產。現在市場上已經出現了一種腰包式燃料電池為手機中的鋰離子電池進行實時充電,這種微型燃料電池的添加盒售價只有1美元左右,可支持20h的通話時間,燃料電池的OEM充電器大約在15美元左右,這種靈巧的燃料電池開發成功,反過來又促進汽車動力系統用的燃料電池和住宅分散供電系統的發展,總之燃料電池正處在蓬勃發展之中,值得關注。
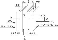
燃料電池的工作原理
燃料電池是用一種特定的燃料,通過一種質子交換膜(PEMProtonExchangeMembrane)和催化層(CLCatalystLayer)而產生電流的一種裝置,這種電池只要外界源源不斷地供應燃料(例如氫氣或甲醇),就可以提供持續電能。
它的工作原理,是利用一種叫質子交換膜的技術,使氫氣在覆蓋有催化劑的質子交換膜作用下,在陽極將氫氣催化分解成為質子,這些質子通過質子交換膜到達陰極,在氫氣的分解過程中釋放出電子,電子通過負載被引出到陰極,這樣就產生了電能。
在陽極經過質子交換膜和催化劑的作用,其化學過程為:
H2→2H++2e
在陰極質子與氧和電子相結合產生水:
H2+ O2→H2O
也就是說燃料電池內部的氫與空氣中的氧進行化學反應,生成水的過程,同時產生了電流,也可以理解為是電解水的逆反應。
燃料電池在陽極除供應氫氣外,同時還收集氫質子(H+),釋放電子;在陰極通過負載捕獲電子產生電能。質子交換膜的功能只是允許質子H+通過,并與陰極中的氧結合產生水。這種水在反應過程中的溫度作用下,以水蒸氣的形式散發在空氣中(對汽車用的大功率燃料電池就要設置水的回收裝置)。注意,用氫作燃料電池所生成的是純凈水可以飲用,而用甲醇作燃料生成的水溶液中可能產生甲醛之類有毒物質不能飲用。page]

圖1燃料電池工作原理示意圖
根據上述燃料電池的工作原理,只要不斷地補充燃料,燃料電池就能不間斷地運行,提供電能。目前已有公司開發出筆桿形的小管裝載燃料的燃料電池(類似于打火機形式),不過裝載燃料的小管須經常更換,就容易使電極中的催化劑鉑(PtPLatinum)和釕(RuRuthenium)的粒子凝聚,性能發生老化,以致減少燃料電池的壽命,目前正在改進中。
燃料電池的分類
由于人們是從不同角度來研究和開發燃料電池的,所以其種類也繁多,但目前主要有3種。
1質子交換膜技術
質子交換膜技術(或者稱聚合物電解液膜技術)——簡稱PEMFC(ProtonExchangeMembreneFuelCell)。由于它能提供比傳統鋰離子電池大約高出5~10倍的能量密度,比甲醇燃料電池也有更高的能量密度,所以,人們都看好質子交換膜技術的氫燃料電池,雖然它還存在著儲存及安全等問題,但人們正在克服它,最終有望在3~5年實現可存儲在像打火機大小的容器中,充一次氫氣發電可供手機使用幾天,它將是未來便攜式電子產品供電系統的首選。
2直接甲醇燃料電池
直接甲醇燃料電池——簡稱DMFC(DirectMethanolFuelCell)。它是以甲醇為燃料,通過與氧結合產生電流的,優點是直接使用甲醇,省去了氫的生產與存儲,因為,在汽車上早已使用甲醇溶液作為擋風玻璃的刮洗液了,故不存在安全問題。但甲醇存在泄漏問題,雖然用水稀釋可以解決,但是電解效率卻大大降低,目前正在解決滲漏問題。
3直接乙醇燃料電池
直接乙醇燃料電池——簡稱DEFC(DirectEthanolFuelCell)。為避免甲醇的滲漏問題,而采用乙醇,它也是由兩個電極、燃料及電解液組成的。
總之,3種燃料電池技術各有千秋,都在為第三代(3G)移動電話的電源供電系統而努力工作著。
燃料氫的來源
我國有六七千條江河,雖然這種天然的流水不太深,流量不太大,但它們都能驅動發電機工作,只要設計一種水力直流發電機,把它放入流動的河流中,在水力的驅動下發電,利用這種直流電通過電解設備去電解水,就可以得到氫和氧,然后經過氫的檢測、提純、壓縮、存儲等技術處理,就可獲得99.999%的純凈氫。整個過程是一種持久的綠色新能源系統工程,生產的全過程中只須開發一種低壓大電流水力發電機組,而高效電解水設備,氫氣的回收檢測,提純裝置,壓縮存儲設備等,在市場上均有成品出售。
電解水產生氫的設備一般在200L/kW•h,如果是一臺50kW的水力直流發電機,一天24h可產生氫240kL,所以水是未來的燃料,未來的能源。圖2為燃料電池用的氫的提取與存儲的方框圖。

燃料電池的出現與發展,將會給便攜式電子設備帶來一場深刻的革命,并且還會波及到汽車業,住宅,以及社會各方面的集中供電系統。在21世紀中它將會把人類由集中供電帶進一種分散供電的新時代。
因為太陽能供電雖然能替代部分能源,但它與天氣有關,受氣候的制約;核能利用又存在安全問題;唯有燃料電池供電,它沒有二氧化碳的排放,可減輕溫室效應使全球氣候變暖問題,它解決了火力發電使全球環境污染的問題,它是一個純正的綠色清潔能源。所以,我們要加速實現燃料電池的商品化進程,中國人應該在這場能源革命中有所作為,跟上全球技術發展的步伐。



