【導讀】節能標準和客戶需求正在推動更高效率和更小尺寸的電源解決方案,對標準ACDC電源進行功率因數校正 (PFC) 的要求日益普遍,通過減少諧波含量引起的電力線損耗,從而降低對交流電網基礎設施的壓力。而設計緊湊高效的 PFC 電源是一個復雜的開發挑戰。
節能標準和客戶需求正在推動更高效率和更小尺寸的電源解決方案,對標準ACDC電源進行功率因數校正 (PFC) 的要求日益普遍,通過減少諧波含量引起的電力線損耗,從而降低對交流電網基礎設施的壓力。而設計緊湊高效的 PFC 電源是一個復雜的開發挑戰。
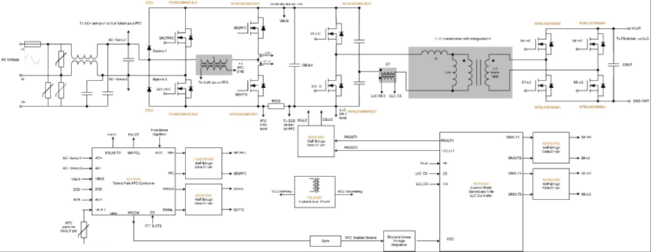
本文將討論3kW PFC單相交流輸入電源的設計,該電源具有超過40 W/in3的功率密度,滿載效率為98.4%。表1總結了其關鍵性能特征,圖1顯示了該電源的框圖。借助采用SiC器件的高頻PFC快橋、先進的圖騰柱無橋PFC控制器,以及工作頻率高達150kHz的高頻LLC級,在輸出級上通過高效率全橋同步整流,實現高功率密度。
圖1.采用SiC MOSFET的3kW圖騰柱PFC和次級端穩壓LLC電源
3kW電源綜述——PFC級
圖1的左側顯示了圖騰柱無橋PFC級。在300 W超高密度電源的論文中,已對圖騰柱PFC概念進行了詳細說明,但為了方便起見,本文稍后將會再次介紹。該圖騰柱PFC控制器為NCP1681,其可以在連續導通模式 (CCM) 和臨界導通模式(CrM)下運行。3kW 的高功率輸出需要使用CCM 模式,以確保有效利用電感,若使用 DCM 會導致需要一個大電感且電流峰值大幅增加。
電流互感器CT1和CT2用于準確檢測電流。圖騰柱無橋PFC使用一個快速橋臂和一個慢速橋臂。慢速橋臂使用安森美 FCH023N065S3L4 超結 MOSFET,由 FAN7191 隔離結半橋柵極驅動器驅動。快速橋臂使用安森美M1 650 V SiC MOSFET (NTHL045N065SC1),由更快速的NCP51561隔離結半橋柵極驅動器驅動。
啟動時,采用由FSL538 AC-DC穩壓器驅動的輔助電源,為初級端和次級端提供電源。PFC開始啟動直到電壓達到穩定值,在圖騰柱 PFC控制器NCP1681引腳上置位PFCOK信號,通過光耦合器為次級端控制器上電。
圖騰柱PFC控制器NCP1681具有以下功能:
圖騰柱PFC控制器必須從在正交流相位期間使用低壓側 MOSFET 開關作為升壓開關,改變為在負交流相位期間使用高壓側 MOSFET 開關作為升壓開關
圖騰柱PFC控制器可以開關高壓側 MOSFET 以在正交流相位期間打開Boost升壓電路同步整流,并開關低壓側 MOSFET 以在正交流相位期間打開同步整流,從而提高效率。在輕負載時,開關MOSFET 的額外損耗超過低導通損耗帶來的好處,因此同步整流被停用。
圖騰柱 PFC 控制器可以開關低速器件,通過設置圖騰柱電路的極性可提高效率。
圖騰柱 無橋PFC 控制器NCP1681能自動處理其他有關較佳死區時間和過零性能等復雜問題,詳情請參見 NCP1681 數據表[1]。
圖1顯示 NCP1681 有六個輸入端。兩個連接(AC+ 和 AC-)用于確定交流線路的相位,一個連接用于測量 PFC 控制所需的總線電壓。通過 CS 引腳和 ZCD 引腳執行 PFC 中的電流監控。該 ZCD 電流測量有助于確定臨界導通模式下(頻率箝位) t2 周期何時結束,也可用于過流保護。漏極電壓振鈴監控位于 AUX 引腳上,用于確定漏極電壓振鈴中的最小值,從而在頻率箝位臨界導通模式下實現效率優化。
除控制功能外,這些引腳上檢測到的電壓電平和波形還用于保護和其他控制目的。例如,低壓/高壓和掉電保護使用 AC+ 和 AC- 引腳上測得的電壓;欠壓、軟過壓、快速過壓保護和動態響應使用 FB 輸入端測得的電壓。
VCC 連接來自 DC-DC 轉換器級。一旦 LLC 控制器高壓啟動電路提供的能量足以啟動 PFC,它就會開始工作。成功啟動后,LLC 變壓器輔助繞組和調節器為兩個控制器供電。圖騰柱控制器附近的電路板上有一個熱敏電阻,可在控制器中集成的過熱保護功能之外,提供額外的過熱保護。
此設計使用圖騰柱 PFC 控制器的跳過 (SKIP) 或待機模式。極性指示信號顯示器件檢測到的是交流正半周期還是負半周期。饋入 LLC 信號的 PFC OK 信號指示大電解電容上的正確電壓范圍。
3kW電源綜述——LLC級
圖 2 顯示用于 3 kW 高密度電源中的 LLC 級。S1 和 S2 構成一個半橋。諧振橋由三個元件構成:電感Lr、電容Cr以及一個變壓器,其匝數比為n,大磁化電感為Lm。輸出變壓器連接到全橋配置中的四個MOSFET、輸出電容和負載。
圖 2.具有中心抽頭半橋輸出級的半橋 LLC 諧振轉換器
此拓撲結構在正確運行時支持 S1 和 S2 的零電壓開關。圖 9 顯示了 S1 (QUP) 兩端的電壓和流經 S1 (QUP) 電流的仿真波形。當漏極電流為負時,S1(QUP) 導通,因此反向時會有傳導電流(當器件導通硅MOSFET 或 SiC MOSFET時,體二極管將導通)。與大約 400 V 的 VBUS 電壓相比,電壓轉換中只有幾伏電壓,這顯著降低開關損耗。
圖 3.LLC 波形
LLC 轉換器的增益頻率環路在 300 W 超高密度電源白皮書[2] 中有更詳細的描述。
NCP4390 控制器[3]控制應用中顯示的六個 MOSFET。初級端 MOSFET 由電隔離雙半橋驅動器NCP51561直接驅動。隔離結半橋驅動器 NCP81705 驅動次級端 MOSFET,其隔離電壓額定值低于初級端 PFC 器件,但工作開關頻率更高。我們注意到,設計中使用了四種不同的半橋驅動器,旨在滿足特定的驅動要求:
低速隔離驅動 600 V;
高速隔離 600 V;
高速電隔離驅動 5 kV;
極高速隔離結驅動 180 V。
NCP4390 是一款高效電流模式控制器。在開關周期內進行電流檢測并整合(詳情請參閱 [3]),因此嚴格來說,它是一個充電模式控制器,更容易控制 LLC 的動態響應。它還顯著改善了負載調節性能——該控制可以補償負載突變,無需等待電壓變化和通過諧振電路做出頻率響應。
3kW電源性能總結
有關電源性能的更多詳細信息,請參閱我們的電源研討會演示文稿 [4]。整體設計符合最小外形尺寸,并在寬功率范圍內具有出色的能效。
圖 4. 3 kW 電源性能總結
功率因數校正——連續導通模式 (CCM) / 多模式 (CrM-CCM)
本小節重述了 300 W 超高密度電源白皮書中的內容,詳述以 SiC 解決方案取代 GaN 解決方案。
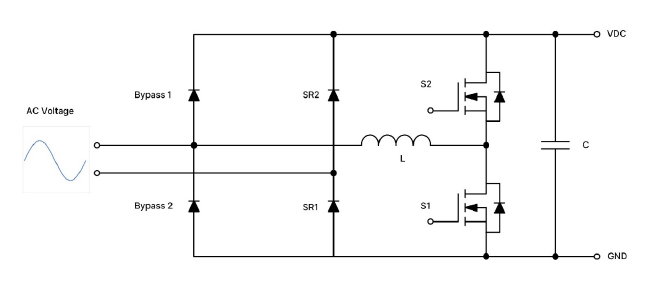
圖 5.橋式整流器后接單相 PFC 級
圖 5 所示電路包括 4 個橋式整流二極管和 1 個升壓二極管。本文介紹的 300 W 電源具有高效率的三個原因之一是采用了圖騰柱拓撲,該結構去除了橋式整流器,并使用快速開關 MOSFET 取代升壓二極管。圖騰柱拓撲去除了整流器,具體說明如下——考慮下面圖 6a 中的電路。電感、電容、MOSFET S1 和標記為 S2 的二極管構成了一個標準升壓電路,將以正弦正半波工作。旁路二極管可防止在啟動或特定異常情況下發生電感飽和。標記為 SR1 的附加二極管可在輸入電壓處于負相時保護電路并阻止運行——這就是標準升壓電路的附加部分。
圖 6b 中的電路顯示了正弦負半波所需的升壓電路。電感、電容、MOSFET S2 和標記為 S1的二極管構成標準升壓電路的反相版本,并在升壓電路導通狀態路徑中額外配備了一個二極管 SR2。
圖 6.正相和負相升壓電路
圖 7 顯示了圖 6 中的電路與圖騰柱無橋 PFC 電路標準圖的組合。電路中有兩個二極管(SR1 和 SR2),可以用 MOSFET 代替,以獲得更高的效率。這些二極管在圖騰柱工作期間導通,但僅在 50/60 Hz 時用作開關。旁路二極管僅在啟動時導通,因此使用 MOSFET 代替它們沒有任何好處。
圖 7.采用二極管的圖騰柱 PFC 電路
圖 8 顯示了采用高速 SiC MOSFET 和低速超級結 MOSFET 的圖騰柱 PFC 拓撲。在正半波期間,SR1 在整個周期內導通,并為圖 5a 所示的同步升壓電路提供接地路徑。S1 在異步升壓中充當升壓開關,S2 在異步升壓中充當二極管。同樣,在負半波期間,SR2 在整個周期內導通,并為圖 5b 所示的電路提供接地路徑。在異步升壓中,S2 充當升壓開關,S1 則充當二極管。
圖 8.采用 SiC 和 SJ MOSFET 的圖騰柱 PFC 電路
元件 SR1 和 SR2 在低頻下開關工作;因此它們可以是低速器件。電源使用超級結 MOSFET 實現此功能,并需要附加電容。如果不加電容,過零轉換太快,會導致潛在的 EMI 問題。如果電容太大,則 THD 性能會變差。NCP1681 控制器具有特殊的過零序列脈沖,可優化過零性能。
元件 S1 和 S2 使用 SiC MOSFET 實現,使用SiC 是3kW電源實現高功率密度的關鍵因素。
參考文獻
[1] NCP1681:圖騰柱連續導通模式 (CCM) / 多模式 (CrM-CCM) 功率因數校正控制器,數據手冊 www.onsemi.cn
[2] 白皮書:300 W GaN HEMT 圖騰柱 PFC 和 LLC 超高密度電源,2022 年 10 月 www.onsemi.cn
[3] NCP4390:具有同步整流器控制的諧振控制器,增強型輕負載,數據手冊 www.onsemi.cn
[4] 白皮書:采用 SiC MOSFET 的 3 kW 圖騰柱 PFC 和次級側穩壓 LLC 電源,2022 年 10 月 www.onsemi.cn
免責聲明:本文為轉載文章,轉載此文目的在于傳遞更多信息,版權歸原作者所有。本文所用視頻、圖片、文字如涉及作品版權問題,請聯系小編進行處理。
推薦閱讀:



