【導讀】您可利用可調節 LDO 創建任意輸出電壓。不過,對于 TPS7A8300、TPS7A7100、TPS7A7200 以及 TPS7A7300 等 ANY-OUT 可編程輸出電壓器件而言,情況并非如此,其范圍和分辨率都是有限的。對于這四款器件,您可使用它們的通用反饋架構提高分辨率。
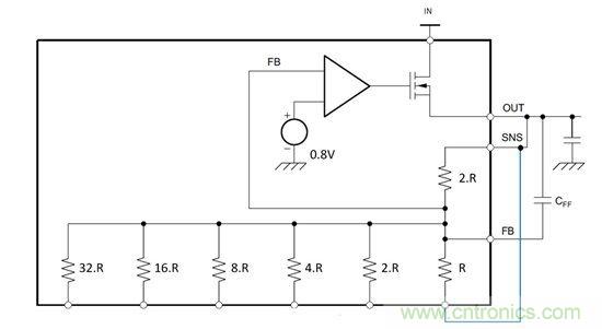
下圖是通用反饋架構:

圖 1:ANY-OUT 架構
我以 TPS7A83 的值為例。注意,參考電壓基本上由放大器周圍的增益放大。反饋電阻器在這里設置為 2.R,增益電阻器可以選擇。此外,增益電阻器還可進行二進制加權。如果將阻值為 R 的增益電阻器連接至接地,那參考電壓的增益就將為 1+(2.R)/R=3,輸出將調節為 0.8V ×3= 2.4V。
由于增益電阻器可進行二進制加權,因此每個連接至接地的增益電阻器都會有
的貢獻。當有多個電阻連接至接地時,可通過疊加來確定輸出電壓。
最小分辨率由最大增益電阻器提供。在 TPS7A83 應用中,最小分辨率為
。
請注意,到目前為止,并沒有任何新信息,因為所有這些信息都直接來自產品說明書。查看 TPS7A83 說明書中的表 2,您可看到連接至接地的電阻器不同組合對應的輸出電壓。
我們來進行進一步探討,看看如何針對該問題進行擴展。
開始提到的四款器件還有一個特征,即能將傳感及反饋引腳引出。我們先來看看如何使用傳感引腳提高輸出電壓分辨率。
提高輸出電壓分辨率有兩種設置方法,首先是使用片上組件幫助盡可能實現最精細的分辨率,另一種方法是通過添加一個外部電阻器來提高分辨率。
圖 2 是第一種電路配置。將 2.R 反饋電阻器與最小增益電阻器并聯,將創建一款阻值為
的新反饋電阻器。該電阻器值與最大增益電阻器 32.R 相結合,將為 TPS7A83xx 提供 20.83mV 的分辨率。

圖 2:第 1 種分辨率提高的電路
該配置的輸出電壓范圍從最初的 [0.8V +3.95V] 縮小為 [0.8V +1.445V]。注意,內部電阻器網絡設置的 TPS7A8300 的 ±1% 誤差精度可轉換為 ±8mV 的最小電壓誤差精度。這仍然至少比 ANY-OUT 可編程電壓分辨率好 2 倍。
該配置還有另外一種變量,即將 2.R 反饋電阻與 2.R 增益電阻并聯實現的 25mV 最小分辨率是可編程電壓。不過,這樣做的不便之處在于 ANY-OUT 的可編程范圍被分成了兩部分。對于 25mV 的分辨率而言,該范圍是 [0.8 1.175V] 和 [1.6V 1.975V]。
第二種電路配置可充分發揮提供反饋引腳的優勢,能夠幫助您連接其它增益設置電阻。添加一個 64.R 電阻器后,分辨率將提高至 25mV。一款 128.R 電阻器可將分辨率提高至 12.5mV,由于 TPS7A8300 的器件精確度問題,我認為該值也是可編程極限。
現在,查看電阻器值以及內外部電阻器間的熱梯度匹配情況,便可同時獲得最初電壓范圍與更高分辨率。

圖 3:第 2 種分辨率提高的電路
有了這兩種不同的方法,您即可提高可編程分辨率,也可最大限度減少所需外部組件的數量。
推薦閱讀:




