【導讀】電動汽車逆變器用于控制汽車主電機為汽車運行提供動力,IGBT功率模塊是電動汽車逆變器的核心功率器件,其驅動電路是發揮IGBT性能的關鍵電路。驅動電路的設計與工業通用變頻器、風能太陽能逆變器的驅動電路有更為苛刻的技術要求,其中的電源電路受到空間尺寸小、工作溫度高等限制,面臨諸多挑戰。
本文設計一種驅動供電電源,并通過實際測試證明其可用性。常見的驅動電源采用反激電路和單原邊多副邊的變壓器進行設計。由于反激電源在開關關斷期間才向負載提供能量輸出的固有特性,使得其電流輸出特性和瞬態控制特性相對來說都比較差。在100kW量級的IGBT模塊空間布局中,單個變壓器集中生產4到6個互相隔離的正負電源的設計存在諸多不弊端:電源過于集中,爬電距離和電氣間隙難以保證,板上電源供電距離過長等等。本設計采用常見的非專用芯片進行電路設計,前級SEPIC電路實現閉環,后級半橋電路實現隔離有效解決了上述問題。該電路成功應用于國際領先的新能源汽車逆變器設計中。應用表明,該設計具有較好的靈活性、高可靠性和瞬態響應能力。
1.電動汽車逆變器驅動電源的要求分析
電動汽車逆變器驅動電源一般為6個互相隔離的+15V/-5V電源。該電源的功率、電氣隔離能力、峰值電流能力、工作溫度等等都有嚴格的要求。以英飛凌的汽車級IGBT模塊FS800R07A2E3_B31為目標進行電源指標的具體計算,該模塊支持高達150kW的逆變器系統設計。
1.1 驅動功率計算
該驅動電源的輸入功率計算公式為:
P=f_sw×Q_g×△V_g /η (1)
其中f_sw開關頻率取10kHz,Q_g根據數據手冊取8.6nC,△V_g為門極驅動電壓取23V。考慮到功率較小,效率取85%。此外注意到數據手冊中的8.6nC是按照電壓+/-15V計算,需考慮折算,最后計算結果為1.8W。考慮設計裕量1.1倍,記為2W。
1.2 驅動電流計算
平均驅動電流計算公式為:
I_av=f_sw×Q_g (2)
可以計算得到平均電流為86mA。
峰值電流計算公式為:
I_peak=△V_g /(R_gext+R_gint) (3)
R_gext為外部門極電阻,按數據手冊取開通1.8歐關斷0.75歐。R_gint為內部門極電阻,按數據手冊取0.5歐,得到開通峰值電流10A,關斷峰值電流18.4A。實際使用中,開通電阻和關斷電阻需要進行開關速度與短路保護能力等性能的折衷,良好的設計值在2.2~5.1歐范圍,因此實際開關峰值電流在4~10A范圍。
2.驅動電源電路設計
2.1 電源拓撲設計
該電源的輸入是新能源乘用車常規的12V電源,該電源通常波動范圍是8~16V,而驅動電源的輸出需要相對穩定。需要設計多組寬壓輸入、定壓輸出的隔離電源。本設計把電源分成兩級:前級電源實現寬壓輸入、定壓輸出功能,后級實現隔離功能,結構見圖1.

圖1:電源拓撲示意圖
該結構的好處是:
一、前級電源無需解決隔離問題,可以采用常規的SEPIC或buck-boost非隔離拓撲,而且前級電源的輸出是無需隔離的低壓定壓,在布局布線中無需考慮各組電源間的爬電距離和電氣間隙問題。因此該部分前級可以作為低壓弱電電路獨立實現,無需占用驅動板面積。
二、后級電源無需解決反饋問題,采用開環控制,避免了隔離信號反饋的麻煩。因為乘用車設備的工況惡劣,工作溫度變化范圍非常大,傳統的線性光耦等器件受溫漂影響精度大幅降低,溫漂補償器件又成本很高,這種方式有效避免這一弊端。
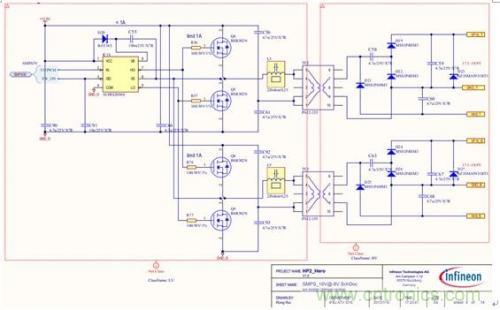
2.2 后級半橋開關電源設計
前級電源屬于典型定壓設計,無需給出設計原理,本文重點介紹后級半橋電路。具體原理圖見圖2和圖3。圖2為采用汽車級定時器電路設計的50%占空比信號發生器,用于給半橋開關電源提供控制信號,其中R49可以用來調整開關頻率,一般可以設定在70kHz到300kHz之間,頻率選擇主要根據電路板實際空間尺寸和變壓器的伏秒積進行折衷選取。
從變壓器計算伏秒積的公式為:
ET=V*D/f_sw (4)
V為加在變壓器上的電壓,D是占空比,f_sw是開關頻率。本設計選擇了一顆ET值達44Vusec的變壓器,因此開關頻率設置較低,為120kHz。

圖2: 50%占空比信號發生電路
圖3為半橋開關電源電路。此電路采用一顆IR的汽車級半橋芯片IRS2004S作為驅動,并聯兩個由Infineon BSR302N組成的并聯半橋電路。采用匝比為1:1.25的通用變壓器,經過倍壓整流得到+15V電壓,經過普通整流得到-8V電壓。每個變壓器用于給一個IGBT驅動供電。在變壓器原邊串聯入汽車級EMC磁珠,可以有效抑制開關產生的電壓尖峰,器件具體信息見附錄表1。IGBT門極是一種容性負載,每次開關都伴隨著較高瞬態電流,即前文計算的峰值驅動電流,因此需要一種紋波電流能力強的長壽命電容,每路電源采用4.7uF X7R汽車級多層陶瓷電容,實現瞬態電壓支撐。X7R多層陶瓷電容具有封裝小,ESR低,允許紋波電流大,溫度降低容量衰減少等優點。

圖3:半橋開關電源電路原理圖
3.測試結果
實際測試條件為,后級輸入定電壓16.5V,輸入電流0.67A,IGBT開關頻率10kHz,信號為SVPWM,開關電源工作頻率120kHz,室溫條件。經簡單計算可知,每路功耗1.84W,與理論計算相符合。
選取高占空比和低占空比兩個工況,觀察相關信號的波形,見圖4和圖5。其中橙色的1通道顯示低壓側驅動輸入信號,粉色2通道顯示-8V電源輸出端的波形,藍色3通道顯示+15V電源輸出端波形,綠色4通道顯示門極輸出波形。
在IGBT開通時刻,由于電源電容電荷迅速通過門極電阻轉移到門極,時間一般只有1~3us,產生+15V電源上的電壓跌落,但是很快就可以恢復到平臺電壓。同理,在IGBT關斷時刻,也會使-8V電源產生電壓跌落。這種跌落是不會引起IGBT開通或關斷的不良反應,因此是可以接受的。對比圖4和圖5也能夠發現,占空比大小不會影響電壓跌落的幅值和持續的時間,這是因為IGBT的門極是容性負載。
圖4和圖5中還能看到,在IGBT關斷時刻使開通電壓波形產生了一個的尖峰,由于此時開通電壓電源處于瞬時空載狀態,不會對驅動控制產生影響。整體上看,原邊的低壓弱電信號和副邊的低壓強電信號都沒有受到開關電源自身開關頻率上的干擾。

圖4:高占空比波形圖

圖5:低占空比波形圖
4.結論
設計驗證表明,前級SEPIC非隔離穩壓,后級半橋隔離開環的拓撲結構,優于傳統的反激式單原邊多副邊的集中式電源,特別適合作為100kW量級的新能源乘用車逆變器的驅動電源,設計沒有采用往往不符合汽車標準的電源類專用集成芯片,而是采用具有AEC認證的汽車級通用分立器件,滿足了乘用車電子設計的苛刻要求。




