【導讀】本文針對程控可調大功率電源設計方案做出了詳細的分析和講解,尤其是對穩壓電路的設計部分做出了詳細的介紹。在電路設計中,調節電路的設計尤為重要。本文就來對方案中的調節電路設計作出詳細的分析和講解。
調節電路設計
在這一程控可調的大功率電源電路系統設計中,為了實現電源輸出電壓的自主調節效果,同時也為了能夠進一步提升輸出電壓的調節精度,在本方案中,我們選擇采用程序控制調節電源的輸出電壓。具體的程控電壓調節電路是通過兩部分電路來實現的。下面我們進行分別說明。
在本方案中,我們所設計的調節電路第一部分,是程控調節數字電位計電阻值電路。在這一電路系統中,數字電位計AD5293選擇單電源+12V供電,邏輯電平選擇+3.3V。AD5293兼容SPI串行接口,因此選擇STM32F1O3VET6的SPI總線來控制調節AD5293的阻值變化。具體電路如圖1所示。調節電路的第二部分為程控電壓調節電路(穩壓電路部分),具體設計情況如下圖圖2所示。圖1和圖2電路中的網絡標號w 與B分別相連構成了基本的程控電壓調節電路。控制芯片STM32F1O3VET6發送控制指令改變數字電位計AD5293的電阻,串聯在穩壓調節電路中的電位計反饋分壓改變輸出電壓。

抗負載干擾電路
在這一大功率電源設計方案中,調節電路的正常運行同樣離不開抗負載干擾電路的輔助。下面我們來看一下,在本方案中,是如何進行抗負載干擾電路的設計與實際調試的。本方案所設計的電壓調節電路在輸出串聯阻性負載時,從上到下,輸出電壓分別為1.92V、2.52V、3.01V和3.46V。輸出電壓的測量值與期望值之差在0.01V左右,電路的控制效果良好。
然而,在實際的工作調試中,仍然出現了負載干擾問題。實驗過程中我們使用BOSCH牌經濟型燃油泵電機情況下,因其負載特性復雜,干擾了LM2596ADJ的開關控制效果,擴流后電源輸出呈現出明顯的延遲后的開關電源調節過程,此時油泵電機出現大幅度轉速波動。經濟型油泵電機負載對控制電路產生了不良影響,導致電源電路輸出的電壓中含有不同程度的波動。此時開關電源的鋸齒波電壓頻率高達數萬Hz,甚至是數十MHz。
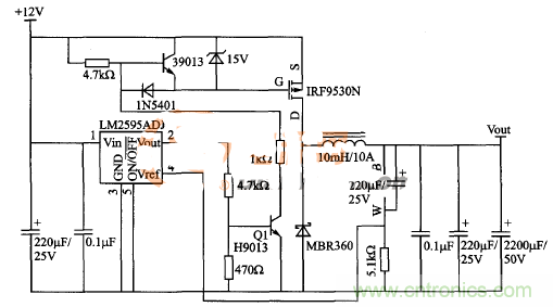
鑒于上述情況,為了有效抑制輸出電壓的波動到LM2596控制電路反饋的噪聲,我們選擇在反饋回路中的數字電位計兩端并聯220μF/25v的電容,用示波器測量輸出端的電壓波形,并在電壓輸出端并聯2200μF/50 V 的電容,同樣用示波器測量輸出端電壓波形。具體硬件電路如圖3所示。

圖3 抗電機負載干擾電源電路
在加入了圖3所示的抗電機負載干擾電源電路之后,我們再繼續進行實際測試。經測試后得出結論,電路在沒有設計抗干擾電路時,輸出電壓的波動很大,而在數字電位計兩端并聯電容后,輸出電壓的波動有了一定的改善,雖然輸出電壓波形中還存在不小的雜波,但是這些雜波并不會影響電機的運行。
為了進一步提升這一大功率電源主電路系統中的抗干擾能力,我們再次分別在數字電位計和輸出端并聯濾波電容后的電源電路的輸出電壓波形,相比上述兩種情況又有了明顯的改善,輸出電壓波形中雜波幅值較小,電機的運行非常平穩,而且噪聲非常小,實現了電源電路的功能。
相關閱讀:
詳解:高效、安全的LED恒流驅動大功率電源設計
如何完成大功率電源模塊的并聯均流?
大功率電源模塊散熱性能為什么會出現較大的差異?



