中心議題:
- TVS應用的三大特點及注意事項
- TVS的典型應用電路介紹
- TVS在熱插拔電路中的應用實例
- TVS在汽車電源線保護中的應用
- TVS應用效能最佳化措施
相關性閱讀:
【Class1】常用過壓、過流、過溫保護器件之選型技巧
http://www.tzzsdz.com/art/artinfo/id/80015099
【Class2】保險絲的應用方案及常見問題解答
http://www.tzzsdz.com/art/artinfo/id/80015226
瞬態電壓抑制器(TVS)具有響應時間快、瞬態功率大、漏電流低、擊穿電壓偏差小、箝位電壓較易控制、無損壞極限、體積小等優點。目前已廣泛應用于計算機系統、通訊設備、交/直流電源、汽車、家用電器、儀器儀表等各個領域。本文將結合TVS應用的特點及使用注意事項,介紹TVS的幾種典型應用電路,并通過TVS在熱插拔電路保護和汽車電源線保護中應用的實例,來詳細探討如何正確應用TVS和使TVS的應用效能最佳。
在實際的應用電路中,處理瞬時脈沖對器件損害的最好辦法,就是將瞬時電流從敏感器件引開。為達到這一目的,將TVS在線路板上與被保護線路并聯。這樣,當瞬時電壓超過電路正常工作電壓后,TNS將發生雪崩擊穿,從而提供給瞬時電流一個超低阻抗的通路,其結果是瞬時電流通過TVS被引開,從而避開被保護器件,并且在電壓恢復正常值之前使被保護回路一直保持截止電壓。在此之后,當瞬時脈沖結束以后,TVS二極管再自動恢復至高阻狀態,整個回路進入正常電壓狀態。
1 TVS應用的三大特點
1)將TVS二極管加在信號及電源線上,能防止微處理器或單片機因瞬間的脈沖,如靜電放電效應、交流電源之浪涌及開關電源的噪音所導致的失靈。
2)靜電放電效應能釋放超過10000V、60A以上的脈沖,并能持續10ms;而一般的TTL器件,遇到超過30ms的10V脈沖時,便會導至損壞。利用TVS二極管,可有效吸收會造成器件損壞的脈沖,并能消除由總線之間開關所引起的干擾(Crosstalk)。
3)將TVS二極管放置在信號線及接地間,能避免數據及控制總線受到不必要的噪音影響。
2 TVS管在使用中應注意的事項
對瞬變電壓的吸收功率(峰值)與瞬變電壓脈沖寬度間的關系。手冊給的只是特定脈寬下的吸收功率(峰值),而實際線路中的脈沖寬度則變化莫測,事前要有估計。對寬脈沖應降額使用。
對小電流負載的保護,可有意識地在線路中增加限流電阻,只要限流電阻的阻值適當,不會影響線路的正常工作,但限流電阻對干擾所產生的電流卻會大大減小。這就有可能選用峰值功率較小的TVS管來對小電流負載線路進行保護。
對重復出現的瞬變電壓的抑制,尤其值得注意的是TVS管的穩態平均功率是否在安全范圍之內。
3 TVS的典型應用電路
3.1 TVS在交流電路中的應用
圖1所示是一個雙向TVS在交流電路中的應用電路。應用TVS可以有效地抑制電網帶來的過載脈沖,從而起到保護整流橋及負載中所有元器件的作用。圖1中的TVS箝位電壓應不大于電路的最大允許電壓。

圖1 雙向TVS在交流電路中的應用電路
3.2 用TVS保護直流穩壓電源
圖2是一個直流穩壓電源,在其穩壓輸出端加上TVS,可以保護使用該電源的儀器設備,同時還可以吸收電路中晶體管的集電極到發射極間的峰值電壓,從而保護晶體管。建議在每個穩壓源的輸出端增加一個TVS管,這樣可以大幅度地提高整機的可靠性。

圖2 TVS保護直流穩壓電源
[page]
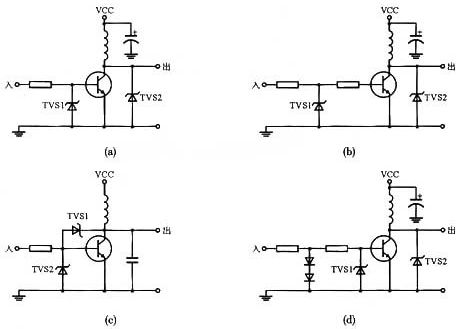
3.3 用TVS保護晶體管電路
各種瞬變電壓能使晶體管的EB結或CE結擊穿而損壞,特別是晶體管集電極有感性(線圈、變壓器、電動機)負載時,通常會產生高壓反電勢,因而可能使晶體管損壞。在實際應用中,建議采用TVS作為保護器件。圖3所示為TVS保護晶體管的四種電路實例。

圖3 TVS保護晶體管電路
3.4 用TVS保護集成運放
集成運放對外界電應力非常敏感。因此,在使用運放的過程中,如果因操作失誤或采取了不正常的工作條件,往往會出現過大的電壓或電流,特別是浪涌和靜電脈沖,從而很容易使運放受損或失效。圖4所示是用TVS在運放差模輸入端防止過壓損傷的保護電路。

圖4 TVS在運放差模輸入端防止過壓損傷的保護電路
推薦閱讀:TVS的典型應用電路
http://www.tzzsdz.com/art/artinfo/id/80006676?page=2
4 TVS的應用實例
4.1 TVS用于熱插拔電路保護
在熱插拔應用中,TVS主要用作需要被中斷的差模電流的接地分流路徑。熱插拔系統常被用在分布式電源系統中提供可靠的系統保護和電氣管理,典型服務器系統的線卡接口和熱插拔電路原理圖如圖5所示。

圖5 典型服務器系統的線卡接口和熱插拔電路原理圖
從本質上講,當檢測到故障和電流中斷期間的電流轉換率可能達到100A/μs或以上時,圖5中的通路MOSFET Q1將迅速被熱插拔控制器關閉。不過,輸入功率路徑的電源軌總線結構難免出現寄生電感(與電源母線的長度和固有環路面積有關)。儲存在該電感的能量將轉移到電路中的其他元件,以致產生過壓動態行為。為了防止下游元件被損壞,在分流保護配置中從VIN至GND處連接了響應速度快的單向TVS(瞬態電壓抑制)硅二極管,如圖5所示。
[page]
應用于熱插拔電路中的TVS選擇可按照以下步驟進行:
1)用切斷電壓VR選擇單向TVS,該電壓等于或大于直流或連續峰值工作母線電壓水平。14V或15V TVS適合低阻抗12VDC±10%的服務器系統輸入總線。
2)根據熱插拔控制器斷路器閾值電壓、響應時間和所選分流電阻器來確定峰值脈沖電流水平IP。
3)利用公式
(式中,VC:鉗位電壓;IP:峰值脈沖電流;VC(max):最大鉗位電壓;VBR:擊穿電壓;IPP:采用10/1000 ms波形的VC(max)條件下的最大峰值脈沖電流。)由第2步和相關數據表參數給定的IP水平來計算電路鉗位電壓VC。VC是否足夠低?如果不是,另一種方法是使用一個較大的TVS,以獲得較陡峭的下降。請注意,VC的電壓溫度系數與VBR類似(例如在75℃的工作環境條件下,0.1%/℃意味著該系數增加了5%)。
4)計算出VC和IP的乘積,以獲得由TVS維持的實際峰值功率水平。
5)利用公式
(式中,L為電路中的寄生電感)和已知的輸入寄生電感來確定三角脈沖波形的脈沖持續時間td(即衰減到零的時間)。
6)使用類似圖6(a)曲線的第5步脈沖持續時間降額PPP。如前所述,三角脈沖電流波形可以實現比雙指數參考波形曲線高33%的脈沖功率。
7)使用類似圖6(b)曲線的環境溫度降額PPP。同時應該考慮相鄰元件的相互熱效應。
8)第7步的凈降額PPP是否實現了由第4步計算的實際TVS峰值功率的足夠設計余量(至少50%)?如果沒有,選擇一個較大的TVS并重復1-8步驟。

圖6 (a)峰值脈沖功率與脈沖持續時間,(b)熱降額特性
推薦閱讀:熱插拔電路的TVS鉗位
http://www.tzzsdz.com/art/artinfo/id/80013402
4.2 TVS用于汽車電源線的初級保護和次級保護
電子控制單元、傳感器和信息娛樂系統等汽車電子設備連接在一根電源線上,如圖7所示。這些電子產品的電源是電池和交流發電機,這兩種電源的輸出電壓都不穩定,容易受溫度、工作狀態和其他條件影響。此外,使用燃油噴射系統、閥、電機、電氣和水解控制器等電磁線圈負載的汽車系統,會把ESD、尖峰噪聲和其他類型的瞬態和浪涌電壓引入到電源和信號線上。因此,汽車設計中必須保護電子設備(例如控制單元、傳感器和信息娛樂系統)免受電源線上出現的有害浪涌電壓、瞬態電壓、ESD和噪聲的損害。瞬態電壓抑制器(TVS)是汽車電子保護的理想方案,下面主要介紹TVS在汽車電源線中的初級保護和次級保護應用。

圖7 典型的汽車電源線
4.2.1 汽車電源線初級保護(甩負荷)
用于汽車電子初級保護的甩負荷TVS有兩類:外延型和非外延型。在反偏模式下,這兩組產品具有相似的擊穿工作特性。不同之處在于,外延型TVS在正向模式下具有低正向壓降(VF)特性,非外延型TVS在相同條件下VF相對較高。
在反向電源輸入模式中,電源線電壓與TVS VF的電壓相同,這種反偏模式會引起電子線路故障,外延型TVS的低正向壓降能夠很好地解決這個問題,如圖8所示。

圖8 TVS用于汽車電源線初級保護
[page]
4.2.2 汽車電源線的次級保護
汽車系統中保護電路的初級對象是高浪涌電壓,但是被鉗位的電壓仍然很高。因此,在24V動力總成中的次級保護特別重要,比如卡車和貨車中的動力總成。其主要原因是因為大多數穩壓器和DC-DC轉換器IC的最大輸入電壓是45V~60V。對于此類應用,建議使用圖9中的次級保護。在電源線上增加電阻R可以減小瞬態電流,這樣就可以使用更小額定功率的TVS作為次級保護。

圖9 次級保護
推薦閱讀:TVS用于汽車電源線的初級保護和次級保護
http://www.tzzsdz.com/art/artinfo/id/80015045
5 TVS二極管效能最佳化
如何使TVS在電路中應用的效能最佳?印制電路板的布線及電路元件的選擇很重要,通過合理放置TVS的位置、接地選擇、寄生電感和回路區的處理,以及突崩式TVS與二極管陣列、單向與雙向突崩式TVS二極管、外部與內部晶片保護電路的比較,科學合理地進行PCB的布線和TVS元件的選擇,使TVS的效能最佳化。
詳細閱讀:TVS二極管效能最佳化
http://www.tzzsdz.com/art/artinfo/id/80004872
6 結語
本文詳細介紹了TVS的應用特點、典型應用及應用實例,并從印制電路板的布線和TVS元件的選擇兩個方面探討了如何使TVS的效能最佳化的措施,對電路保護設計工程師合理高效應用TVS進行電路保護設計非常有參考價值。




