中心議題:
- 電流型電火花加工電源的工作過程分析
- 電流型電火花加工電源的諧波電感和工作頻率確定
本文分析了電流型電火花加工電源工作頻率和所帶電子負載開關頻率的配合問題,詳細推導了在滿足精度加工條件下,濾波電感和電源工作頻率要滿足的約束關系。最后具體確定了開關頻率和電感值。
1 引言
電流型電火花加工電源后級為一電子負載,它在工作時對前級變換器的輸出電流進行連續不斷的斬波,在整個負載范圍內(即對應不同的消電離時間和脈沖寬度組合),可以看作是頻率可以調節的電子負載,后級的斬波頻率為250kHz(對應消電離時間和脈沖寬度均為2μs)至1.56kHz(對應于消電離時間480μs和脈沖寬度160μs),負載工作頻段極寬,而前級交錯并聯雙管正激變換器的頻率是固定不變的,針對這一情況,自然要提出幾點質疑:
1)前后級工作頻率配合上是否合理;
2)前級變換器能否即時對后級電子負載進行能量補充,即前級是否具有足夠快的響應速度;
3)針對前級變換器所帶的這種電子負載,應該如何對其主要參數進行設計。
為了解決這些問題,有必要從前后級的工作原理特點入手深入研究。
2 工作過程分析
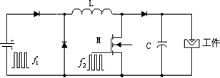
圖1為前、后級變換器的主電路圖。其中電容C的值很小,它的作用是高壓引弧放電。具體工作過程是這樣的:當開關S關斷時,由于工件還處于開路狀態,所以電感L中的大電流給C充電,致使工件兩端電壓線性急劇上升,直至高壓擊穿正常放電,此后,電流流經工件進行加工,一直延續到S開通時結束。假設前級變換器的開關頻率為f1,后級電子負載開關S的開關頻率為f2,那么f1和f2有以下4種情況。

圖1 前后級等效電路
1)f1》f2,即前級的工作頻率遠高于后級,這種情況對應于后級大脈寬切割。其前后級的主要工作波形如圖2所示。

圖2 f1》f2時的主要工作波形
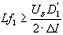
在t0時刻以前,S管開通,前級輸出短路,理想情況下,變壓器副邊輸出極窄的方波(Uo),當t0時刻S關斷時,電流iL經S換流至二極管D,給負載輸出電流。由于t0之前,前級變換器的占空比極小,突加負載后,由儲能電感給負載提供部分電流,隨著時間的延長,iL減小,受電流環的控制,前級變換器占空比增加,使iL回升至原值,故iL有一個波動過程。另外,如果電流環設計沒有達到最優時,那么電流在調節過程中的超調量將很大,調節時間很長,致使加工電流不穩定,影響加工效率和精度。但從S的一個開關周期看來,由于f1》f2,S的一個周期中,前級變換器將要經歷多個周期,即當S關斷時,前級變換器有足夠多的周期可以調節iL,使得iL穩定。假設iL的允許波動范圍為ILmin~ILmax,并假設f1在S關斷后經過n個周期,進入穩定狀態,從能量的角度來看,即要保證在這n個周期中,當前級變換器無輸出時,電感的儲能要滿足負載能量需求,這可用式(1)表示。

則上式可以簡化為
![]()
從式(2)可以看出,要滿足穩定加工,Lf1乘積必須滿足一定的約束條件。
[page]
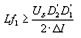
2)f1《f2,即前級工作頻率遠低于后級工作頻率,對應于后級小脈寬切割。這一情況恰好與前一種情況相反,即前級變換器在一個周期內,后級變換器已經經歷了f2/f1個周期,如圖3所示,在0時刻,前級變換器輸出能量,電感儲能,假設負載也在此時同時放電切割,由于變壓器輸出能量大于負載吸收能量,故電感電流上升,在t1時刻開通S,前級輸出短路,零功率輸出,電感電流繼續上升儲能,到t2時刻關斷S,負載又開始放電,重復上述過程,直到tn時刻,變壓器無輸出,電感開始釋放能量向負載供電,在前級變換器開始下一周期之前,負載吸收的能量全部來自儲能電感。通過分析可以看到,當后級負載經歷f2/f1個周期時,前級變換器僅為一個周期,在這個過程中,前級變換器對負載的突變是無法調整的,這種情況下,前級占空比的大小由負載的平均功率決定,不受負載突變的影響,換句話說,只要負載特性不變,則前級占空比恒定。為保證前級有足夠能量供給負載,必須在一個周期(T1=1/f1)內都能滿足式(3)要求。
![]()
式中:D′2=1-D2,D2為S的占空比。
則有:
![]()

圖3 f1《f2時的主要工作波形
若不滿足式(4),則輸出電流iL的波動將變大,影響加工效率和精度。從式(4)中可以看出,Lf1的取值與D′2也有關系。
3)f1=f2,適當的消電離寬度和脈寬組合能夠使得前后級變換器的頻率相等。由于前后級工作時鐘的任意性,考慮到最惡劣情況,假設在前級續流時,后級S關斷,放電加工。波形如圖4所示。和以上分析方法相同,保證后級在一個周期內所需的能量全部由電感儲能提供,如果電感儲能過少,將導致前級輸出電流下降較大,使之在下一工作周期中調節占空比,直至占空比增加到一個適當值,這樣,輸出電流波動大,對加工精度不利,因此,要求儲能電感要滿足式(5)能量約束關系。
![]()
即:
![]()
圖4 f1=f2時的主要工作波形
4)f2與f1接近
(1)f1>f2 類似于f1》f2,不同之處在于前級占空比頻繁調節,電流波動大,加工效率和精度差。
(2)f1<f2 類似于f1《f2,加工情況同(1)。
對于f2與f1接近,但f1≠f2的情況,在能量關系上也必須滿足以上分析結果。
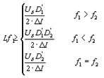
綜上所述,為使得級變換器輸出電流平穩,并且能夠及時對負載進行能量補充,則對Lf1乘積有一定要求,即Lf1要滿足不等式(7)。

為求出Lf1的確切值,必須對上述約束關系中的各個參數進行代換。這里取平均值Uδ=25V;D′1=1-D1,在0~1之間變化,故取D′1max≈1;,取ΔI=0.02IL=0.02×20=0.4A;D′2=1-D2,由于在實際應用中,一般要求消電離時間≥脈沖寬度,故取0.5≤D2<1,即0<D′2≤0.5,這里取D′2max=0.5。將上述各參數代入約束關系可得式(8)
(Lf2)min≥31.25(8)
理論上,Lf1的值取無窮大最好。在滿足式(8)的條件下,f1減小,則L增大,即當降低前級變換器的工作頻率時,就要求加大濾波電感的電感量,這會導致電源體積變大;相反,f1越高,L可以越小,即可以通過提高電源工作頻率來減小儲能電感的電感量,達到減小電源體積的目的。但是,在實際應用中,f1不可能無限制增大,因為當f1很大時,電源寄生參數的影響明顯增大,開關損耗也加大。因此,這就要求對L和f1的選取進行折衷,取一最優值,并且當f1足夠大時,應采用軟開關技術。這里不妨取f1=200kHz,對應于交錯并聯雙管正激變換器各路頻率為100kHz,此時可以計算出濾波電感L=156μH,取L=160μH。
3 結語
通過以上分析可知,在電流型電火花加工電源中,由于其負載是一個開關型負載,所以濾波電感和電源開關工作頻率的設計不同于以往阻性或感性負載的情況,其電感量和開關頻率的乘積必須滿足一定的約束條件。在滿足約束條件的情況下,適當提高電源工作頻率,可以減小濾波電感,從而達到減小電源整機重量和體積的目的。同時,當電源頻率較高時,從提高電源效率角度考慮,建議采用軟開關技術。



