中心議題:
- 開關電源漏極鉗位保護電路的設計要點及實例
- 開關電源散熱器的設計
本文首先闡述開關電源漏極鉗位保護電路的設計要點及步驟,并給出一種典型鉗位保護電路的設計實例;然后對開關電源散熱器的設計做深入分析,并從中得出了結論。
0 引言
開關電源漏極鉗位保護電路的作用是當功率開關管(MOSFET)關斷時,對由高頻變壓器漏感所形成的尖峰電壓進行鉗位和吸收,以防止MOSFET因過電壓而損壞。散熱器的作用則是將單片開關電源內部產生的熱量及時散發掉,避免因散熱不良導致管芯溫度超過最高結溫,使開關電源無法正常工作,甚至損壞芯片。
下面分別闡述漏極鉗位保護電路和散熱器的設計要點、設計方法及注意事項。
1 設計開關電源漏極鉗位保護電路的要點及實例
下面以最典型的一種漏極鉗位保護電路為例,詳細闡述其設計要點及設計實例。
1)設計實例
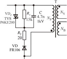
采用由瞬態電壓抑制器TVS(P6KE200,亦稱鉗位二極管)、阻容吸收元件(鉗位電容C和鉗位電阻R 1)、阻尼電阻(R 2)和阻塞二極管(快恢復二極管FR106)構成的VDZ、R、C、VD型漏極鉗位保護電路,如圖1所示。選擇TOPswitch-HX系列TOP258P芯片,開關頻率f=132kHz,u=85~265V,兩路輸出分別為UO1(+12V、2A)、UO2(+5V、2.2A)。P O=35W,漏極峰值電流I P=I LIMIT=1.65A.實測高頻變壓器的一次側漏感L 0=20μH。

圖1 最典型的一種漏極鉗位保護電路
2)設計要點及步驟
(1)選擇鉗位二極管。
采用P6KE200型瞬態電壓抑制器(TVS),鉗位電壓UB=200V。
(2)確定鉗位電壓的最大值UQ(max)。
令一次側感應電壓(亦稱二次側反射電壓)為UOR ,要求:
1.5U OR≤U Q(max)≤200V
實際可取U Q(max)=U B=200V.
(3)計算最大允許漏極電壓U D(max)
為安全起見,U D ( max)至少應比漏-源極擊穿電壓7 00V留出5 0V的余量。這其中還考慮到P6KE200具有0.108%/℃的溫度系數,當環境溫度T A=25℃時,U B=200V;當T A=100℃時,UB=200V×[(1+0.108)%/℃]×100℃=221.6V,可升高21.6V。
![]()
(4)計算鉗位電路的紋波電壓。
URI=0.1U Q(max)=0.1U B=0.1×200V=20V
[page]
(5)確定鉗位電壓的最小值U Q(min)
UQ(min) =UQ(max) -URI=U B-0.1U B=90%U B=180V
(6)計算鉗位電路的平均電壓。

(7)計算在一次側漏感上存儲的能量E L0

(8)計算被鉗位電路吸收的能量EQ
當1.5W≤P O≤50W時,E Q=0.8E L0=0.8×27.2μJ=21.8μJ
注意:當P O>50W時,E Q=E L0=27.2μJ.當P O<1.5W時,不要求使用鉗位電路。
(9)計算鉗位電阻R1

式中,U Q的量綱為[L]2[M][T]-3[I] -1 ,f的量綱為[T] -1 ,R 1的量綱為[L]2[M] [T]-3[I]-2
(10)計算鉗位電容C

式中,E Q的量綱為[L]2[M][T] -2 ,U Q的量綱為[L]2[M][T] -3 [I] -1 ,C 的量綱為[L][M]2[T] -3[I] -2
(11)選擇鉗位電容和鉗位電阻。
令由R1、C確定的時間常數為τ:

將U Q(max) =U B、U Q(min) =90%U B、
=0.95UB和f=132kHz一并代入上式,化簡后得到:
τ=R1C =9.47/f=9.47T (μs)
這表明R 1、C 的時間常數與開關周期有關,在數值上它就等于開關周期的9.47倍。當f=132kHz時,開關周期T =7.5μs,τ=9.47×7.5μs=71.0μs.
實取鉗位電阻R1=1 5 kΩ,鉗位電容C =4.7nF.此時τ=70.5μs.
當鉗位保護電路工作時,R 1上的功耗為:

考慮到鉗位保護電路僅在功率開關管關斷所對應的半個周期內工作,R 1的實際功耗大約為1.2W(假定占空比為50%),因此可選用額定功率為2W的電阻。
令一次側直流高壓為U I(max)。鉗位電容的耐壓值U C>1.5U Q(max) +U I(max)=1.5×200V+265V×=674V.實際耐壓值取1kV.
[page]
(12)選擇阻塞二極管VD
要求反向耐壓U BR≥1.5U Q(max) =300V
采用快恢復二極管FR106(1A/800V,正向峰值電流可達30A)。要求其正向峰值電流遠大于IP(這里為30A>1.65A)。
說明:這里采用快恢復二極管而不使用超快恢復二極管,目的是配合阻尼電阻R 2,將部分漏感能量傳輸到二次側,以提高電源效率。
(13)計算阻尼電阻R 2.
有時為了提高開關電源的效率,還在阻塞二極管上面串聯一只低阻值的阻尼電阻R 2.在R 2與漏極分布電容的共同作用下,可使漏感所產生尖峰電壓的起始部分保留下來并產生衰減振蕩,而不被RC電路吸收掉。通常將這種衰減振蕩的電壓稱作振鈴電壓,由于振鈴電壓就疊加在感應電壓U OR上,因此可被高頻變壓器傳輸到二次側。
阻尼電阻應滿足以下條件:

即:

實取20Ω/2W的電阻。
2 開關電源散熱器的設計要點
下面對開關電源散熱器的設計要點作進一步分析。以TOPSwitch-GX(TOP242~TOP250)系列單片開關電源為例,當MOSFET導通時漏-源極導通電流(I DS(ON) )與漏-源極導通電壓(U DS(ON) )的歸一化曲線如圖2所示。

圖2 當MOSFET導通時漏-源極導通電流I DS(ON)與漏-源極導通電壓U DS(ON)的歸一化曲線
說明:
(1)定義R DS(ON) =U D(ON) /I DS(ON) 。
(2)圖2是以TOP249Y為參考,此時k=1.00.
(3)求漏-源極導通電流時應乘以k,求漏-源極通態電阻時應除以k.
[page]
(4)k值所代表的就是TOPSwitch-GX系列中不同型號芯片的通態電阻比值,它也是極限電流比值。例如TOP249Y的R DS(ON) =2.15Ω(典型值),TOP250Y的R DS(ON) =1.85Ω(典型值),2.15Ω/1.85Ω=1.162,而對TOP250Y而言,比例系數k=1.17,二者基本相符。TOP249Y、TOP250Y的I LIMIT分別為5.40A、6.30A(典型值),6.30A/5.40A=1.167≈1.17.
(5)在相同的輸出功率下I DS(ON)可視為恒定值,而芯片的功耗隨所選TOPSwitch-GX型號的增大而減小,隨型號的減小而增大。因此選擇較大的型號TOP250Y,其功耗要比TOP249Y更低。
當MOSFET關斷時漏極功耗P D與漏-源極關斷電壓U DS(OFF)的歸一化曲線如圖3所示。

圖3 當MOSFET關斷時漏極功耗PD與漏-源極關斷電壓UDS(OFF)的歸一化曲線
說明:因MOSFET在關斷損耗時的很小(只有幾百毫瓦),故一般可忽略不計。
設計要求:選擇TO-220-7C封裝的TOP249Y型單片開關電源集成電路,設計70W(19V、3.6A)通用開關電源。已知TOP249Y的極限結溫為150℃,最高工作結溫T JM=125℃,最高環境溫度T AM=40℃。試確定鋁散熱器的參數。
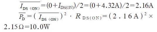
設計方法:考慮到最不利的情況,芯片結溫T J可按100℃計算。從TOP249Y的數據手冊中查到它在T J=100℃時的R DS(ON) =2.15Ω(典型值),極限電流I LIMIT=5.40A(典型值)。由于芯片總是降額使用的,實際可取I DS(ON) =0.8I LIMIT=4.32A.考慮到I DS(ON)在一個開關周期內是近似按照線性規律從零增加到最大值的(參見圖2),因此應對其取平均值,即:

分析與結論:
(1)選用TOP250Y可輸出更大的功率。若與TOP249Y輸出同樣的70W功率,因
不變,僅RDS (ON )減小了,故:
![]()
這表明,在同樣的輸出功率下,TOP250Y的損耗更小。
(2)利用特性曲線可驗證設計結果。從圖2中的虛線(TJ=100℃)上查出
=2.16A時所對應的UDS(ON)=4.5V.若根據U DS(ON)值計算,則:
![]()
比前面算出的10.0W略低一點。這是由于該特性曲線呈非線性的緣故,致使后者的數值偏低些。
(3)若考慮到還有關斷損耗,從圖3中可查出PD=510mW=0.51W(UDS(OFF)=600V)。假定占空比為50%,在計算平均功耗時應將關斷損耗除以2。因此PD=9.72W+0.51W/2=9.975W,該結果就與10.0W非常接近。
3 結束語
設計漏極鉗位保護電路的主要任務包括電路選擇、元器件選擇和參數計算。其關鍵技術是首先根據一次側漏感上存儲的能量E L0,來推算出鉗位電路所吸收的能量E Q,進而計算出鉗位電容和鉗位電阻的參數值。本文所介紹的散熱器設計方法是根據開關電源芯片廠家提供的數據手冊及原始圖表,通過計算芯片的平均功耗來完成設計的。但需注意,在相同的輸出功率下(即I DS(ON)不變),選擇輸出功率較大的開關電源芯片可降低功耗,提高電源效率。




