中心議題:
- 開光電源電磁干擾(EMI)產生的機理
- 開關電源電磁干擾(EMI)的抑制措施
解決方案:
- 應用軟開關技術控制干擾源
1 前言
開關電源具有體積小、重量輕、效率高等特點,廣泛用于通信、自動控制、家用電器、計算機等電子設備中。但是,其缺點是開關電源在高頻條件下工作,產生非常強的電磁干擾(Electromagnetic Interference,EMI),經傳導和輻射會污染周圍電磁環境,對電子設備造成影響。本文從開關電源的電路結構、器件進行分析,探討了電磁干擾產生的機理及其抑制方法。
2 開關電源電磁干擾(EMI)產生的機理
開關電源的電磁干擾,按耦合途徑來分,可分為傳導干擾和輻射干擾。按噪聲干擾源可分為兩大類:一類是外部噪聲,例如通過電網傳輸過來的共模和差模干擾、外部電磁輻射對開關電源控制電路的干擾等;另一類是開關電源自身產生的電磁干擾,如開關管、整流管的電流尖峰產生的諧波及電磁輻射干擾。其中外部噪聲產生的影響可以通過電源濾波器進行衰減,本文不做討論,僅討論開關電源自身產生的電磁噪聲。
常規交流輸入的開關電源主要結構可以分為四大部分,其框圖如圖1所示。

圖1 通常市電作為輸入的開關電源結構框圖
其中輸入與整流濾波部分、高頻逆變部分、輸出整流與濾波部分是產生電磁干擾的主要來源。以下將通過對各部分電壓、電流波形的分析,闡明電磁噪聲產生的原因。
2.1 工頻整流器引起的電磁噪聲
一般開關電源為容式濾波,在輸入與整流濾波部分電磁噪聲主要是由整流過程中造成的電流尖峰、電壓波動所引起的。正弦波電源經過電源濾波器進行差模、共模信號衰減后,由整流橋整流、電解電容濾波,得到的電壓作為高頻逆變部分的輸入電壓。由于濾波電容的存在,使整流器不象純整流那樣一組開通半個周期,而是只在正弦電壓高于電容電壓時才導通,造成電流波形非常陡峭,同時電壓波形變得平緩。電流、電壓的波形如圖2所示。

圖2 整流器通過的電流波形及電容上的電壓波形
根據Fourier級數,圖中的電流、電壓波形可分解為直流分量和一系列頻率為基波頻率整數倍的正弦交流分量之和。通過電磁場理論以及試驗結果表明,諧波(特別是高次諧波)會產生傳導干擾和輻射干擾。通過開關電源的輸入輸出線傳播出去而形成的干擾稱之為傳導干擾,在空間產生電場、磁場向外輻射產生的干擾稱之為輻射干擾。
[page]
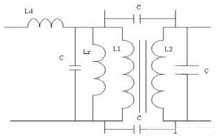
2.2 變壓器與開關管引起的電磁噪聲
逆變部分是開關穩壓電源的核心,用以實現變壓、變頻以及完成輸出電壓的調整,主要有開關管和高頻變壓器組成。電磁噪聲主要是由于變壓器的漏感、分布電容以及開關管的開通、關斷造成。開關電源中的高頻變壓器用作隔離和變壓,變壓器在理論分析時,通常認為是理想變壓器,但是在實際應用中變壓器存在漏感,而且在高頻的情況下,還要考慮變壓器層間的分布電容。高頻變壓器的等效電路模型如圖3所示。

圖3 高頻變壓器的等效電路模型
從圖中可以看到變壓器層間的分布電容使開關電源中的高頻噪聲很容易在初次級之間傳遞。而且如果電容濾波容量不足或高頻特性不好,電容上的高頻阻抗會使高頻電流以差模方式通過變壓器的寄生電容傳到交流電源中。
開關電源的體積、重量減小的根本原因是使功率半導體器件工作在高頻開關狀態,但導致的結果是產生了非常嚴重的電磁干擾。其原因是在工作過程中產生高的di/dt和dv/dt,以及變壓器漏感,電路寄生電感與開關管寄生電容之間的高頻震蕩。開關電源中的電壓波形大多為接近矩形的周期波,比如開關管的驅動波形、MOSFET漏源電壓波形等。頻率高,一般在kHz以上,上升、下降時間短,dv/dt大,而且通過傅里葉展開以后,包含的諧波頻率非常高,很容易污染周圍的電磁環境。
開關管(比如MOSFET )在開通關斷時,也會造成很強的電磁干擾。由于變壓器初級線圈漏感,電路寄生電感的存在,致使一部分能量沒有從一次側傳輸到二次側,漏感中儲存能量,關斷瞬間電流發生突變,di/dt非常高,產生反電動勢。由電磁場理論可知:E=-Ldi/dt。
其值與電流的變化成正比,與電感成正比。因此漏感會產生非常高的反電動勢疊加在關斷電壓上,形成關斷電壓尖峰,產生傳導性電磁干擾。漏感與開關管之間的寄生電容還會發生震蕩,影響電路中的電磁環境,產生噪聲。開關管開通時,寄生電容瞬間放電,產生尖峰電流,初級線圈也會造成浪涌電流的產生,影響電磁環境。
2.3 輸出整流二極管反向恢復造成的電磁噪聲
二極管承受反向電壓時,PN結內積累的電荷將釋放并形成一個反向電流,反向恢復電流脈沖的幅度、脈沖寬度和形狀與二極管本身的特性及電路參數有關,而且恢復到零點的時間與結電容等因素有關。高頻整流二極管由于反向恢復電流脈沖的幅度和di/dt都很大,它們在引線電感和與其相連接的電路中都會產生很高的感應電壓,從而造成很強寬頻的瞬態電磁噪聲。二極管反向恢復過程電壓、電流波形如圖4所示。

圖4 二極管反向恢復過程電壓、電流波形
在高頻開關電源、高頻DC/DC諧振變換器以及功率因數校正電路等重復開關頻率較高的變流器電路中,都要用到快恢復二極管。它們的反向恢復時間通常在納秒量級,因此通過引線電感造成的瞬態電磁噪聲是不可忽視的。特別是在反激式開關電源中,二極管反向恢復電流尖峰還有可能從次級傳到初級,在開關開通時,形成一個電流尖峰,不僅容易燒毀開關管,還造成電磁噪聲。
[page]
3 開關電源電磁干擾(EMI)的抑制措施
形成電磁干擾的三要素是干擾源、傳播途徑和受擾設備。因而,抑制電磁干擾也應該從這三方面著手。首先應該抑制干擾源,直接消除干擾原因;其次是消除干擾源和受擾設備之間的藕合和輻射,切斷電磁干擾的傳播途徑;第三是提高受擾設備的抗擾能力,降低其對噪聲的敏感度。目前抑制干擾的幾種措施基本上都是用切斷電磁干擾源和受擾設備之間的藕合通道,常用的方法是屏蔽、接地和濾波。在實踐中證明這些都是行之有效的方法。本文通過介紹一種可行性技術從電路上改進,直接控制干擾源。
軟開關技術的應用大大提高了電源的效率,在節能方面做出了巨大的貢獻。但在一些電路拓撲結構中,軟開關技術的應用還大大降低了電磁干擾,準諧振反激式變換器就是最好的一個實例,電路結構如圖5所示。

圖5 準諧振反激式變換器主電路結構
相對于一般的反激式變換器,準諧振只在原來電路基礎上加了一個無源器件電容器,不會在電路中產生多余的電磁噪聲。通過改變控制方式,利用變壓器初級電感與電容器之間發生諧振,在開關管電壓波形出現波谷處開通;關斷時利用電容器進行緩沖,可以大大降低開關管上的關斷電壓尖峰和開通電流尖峰,從而降低電磁干擾。利用安森美的NCP1207制作的準諧振反激式開關電源,其開關管上的電壓波形如圖6所示:

圖6 380V DC輸入80W滿載輸出時開關管漏-源極電壓波形
從圖中可以看出開關管在開通時,電壓非常低,有利于降低電流尖峰,關斷時,電壓尖峰小,從而電磁干擾降低。
4 結論
隨著開關電源的不斷高頻化,其電磁干擾問題越發顯得重要。在開發和設計開關電源中,如何有效抑制開關電源的電磁干擾,同時提高開關電源本身對電磁干擾的抗干擾能力(即EMC)是一個重要課題。因此,抑制開關電源電磁干擾還有大量的工作要做,需要全體工程技術人員不懈的努力。





