中心議題:
- 紡織行業對控制系統提出的要求
- 變頻器控制方式的對比
- 變頻調速在棉紡行業中的應用
摘要:介紹了變頻調速控制方式在清梳聯電氣控制中的工藝適應性、技術特點,簡單介紹了變頻調速幾種控制方式的優勢,根據目前清梳聯所采用的控制說明了變頻調速在工藝調整、節能降耗等方面的具體應用。
1、紡織行業對控制系統提出的要求
我國紡織行業國際化進程正在加快,但是和國際水平還有一定的差距,隨著自動化程度的提高,棉紗質量競爭檔次的不斷提高已對棉紡設備提出了更多的要求:提高產量的同時保證穩定性、提高和穩定紗線質量、節能降耗、適用多品種小批量生產等等。清梳聯系統作為前紡環節,質量指標的提升對最終的紗線質量有很大的影響,成本的不斷增加使得很多紡織廠對成本、效能、電氣控制的精準性和穩定性,以及工藝的適用性也提出了更高的要求。變頻控制、伺服控制等控制方法的出現為我們解決了這些問題的方法,伺服控制系統雖然控制精準,但是成本過高。相對伺服控制來講變頻控制性價比比較高,這也是變頻控制在棉紡行業普遍應用的原因。
2 、變頻器控制方式的對比
2.1 V/F(恒壓頻比)控制以及特點
V/F控制顧名思義,V/F控制就是保證輸出電壓跟頻率成正比的控制。異步電動機的轉矩是電機的磁通與轉子內流過電流之間相互作用而產生的,在額定頻率下,如果電壓一定而只降低頻率,那么磁通就過大,磁回路飽和,嚴重時將燒毀電機。因此,頻率與電壓要成比例地改變,即改變頻率的同時控制變頻器輸出電壓,使電動機的磁通保持一定,避免弱磁和磁飽和現象的產生。這種控制方式多用于風機、泵類節能型變頻器。V/F控制電路結構簡單、成本較低、機械特性硬度較好,能夠滿足一般傳動的平滑調速要求,已在產業的各個領域得到廣泛應用。缺點是低頻率時無法滿足電機額定轉矩的輸出并且V/F控制是使變頻器按照事先安排好的補償程度工作,不能隨負載的變化而改變。
2.2 VC(矢量)控制以及特點
矢量控制是通過測量和控制異步電動機定子電流矢量,根據磁場定向原理分別對異步電動機的勵磁電流和轉矩電流進行控制,從而達到控制異步電動機轉矩的目的。具體是將異步電動機的定子電流矢量分解為產生磁場的電流分量 (勵磁電流) 和產生轉矩的電流分量 (轉矩電流) 分別加以控制,并同時控制兩分量間的幅值和相位,即控制定子電流矢量,所以稱這種控制方式稱為矢量控制方式。由于矢量控制可以使得變頻器根據頻率和負載情況實時的改變輸出頻率和電壓,因此其動態性能相對完善。可以對轉矩進行精確控制;系統響應快;調速范圍廣;加減速性能好等特點。在對轉矩控制要求高的場合,以其優越的控制性能受到用戶的贊賞。其中矢量控制分為:無速度傳感器的矢量控制和矢量控制(閉環)兩種。
2.2.1 無速度傳感器的矢量控制
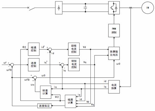
由于矢量變頻器可以分別對電動機的磁通和轉距電流進行檢測、控制,自動改變電壓和頻率,使指令值和檢測實際值達到一致,從而實現了矢量控制。雖然它是開環控制系統,但是大大提升了靜態精度和動態品質,轉速精度可達5%。轉速響應也較快。在設備要求不是十分高的情況下,采用該方案是非常合適的,它可達到控制結構簡單,可靠性又高的實效。圖1為無速度傳感器矢量控制的系統框圖:

圖1[page]
2.2.2矢量控制(閉環)
在前者控制方式下增加了反饋環節,矢量閉環變頻調速是一種最為理想的控制方式,他類同于伺服、直流閉環調速,但性價比又大大優于兩者。該方案具有以下優點:可以從零轉速起進行速度控制,即甚低速亦能運行,調速范圍可達100:1或1000:1;動態響應快,轉速精度高;加速度特性好,抗負載突變能力強。其缺點是:價格較貴,安裝速度傳感器必須與電機同軸,且增加了反饋環節,這些都給安裝維護增加了一定技術難度。因此對于轉速精度要求不是特別高,負載變化不是十分劇烈的場合,建議選用開環矢量變頻調速系統為好。圖2為矢量控制變頻調速系統控制框圖

圖2
3、變頻調速在棉紡行業中的應用
3.1 工藝調整方面的應用
1、錫林電機功率較大,啟動電流非常大,變頻調速實現了錫林電機軟起動、無大電流沖擊,延長電機、設備使用壽命;
2、道夫電機,大壓輥電機(三羅拉部分)變頻的使用,極大的方便了工藝的調整:如產量、工藝牽伸比、不同品種的適用性;
3、由于人工費用的增加,越來越多的棉卷型梳棉機改造成棉箱形式,梳棉機后部給棉的控制提出了更高的要求,低速生頭時給棉電機在低頻狀態運行,轉矩的不足導致給棉羅拉的“打盹”現象以及從慢速生頭到快速運行時產生的意外牽伸及變速箱齒輪磨損產生的“打頓”使棉條重不勻及CV%嚴重超標,往往使成紗等級大幅下降甚至成為不合格品。變頻調速的應用使這些問題迎刃而解。
4、紡織市場向高產化,高質化發展,矢量變頻控制在寬幅梳棉機的應用既滿足了梳棉機低速運行時轉矩的要求,由于加減速性能良好,避免了提速時的意外牽伸對棉條造成的影響,同時在高速時也具有良好的動態性能。
3.2 節能降耗
1、變頻器的應用取消了減速箱,慣性飛輪,帶電刷的電磁離合器及雙速電機后,以前維修工最頭痛、最繁忙的變速箱漏油問題、齒輪磨損調換問題、離合器失靈損壞問題。由于多品種的原因,相應的會有很多的工藝輪,部分工藝輪的減少在某種程度上為企業減少了成本。
2、風機、空調變頻調速節能相當可觀
由流體力學可知,風量Q與轉速一次方成正比,壓力h與轉速的平方成正比;

式中: —風機的額定風(流)量; —風機的額定壓力; —風機的額定功率; —風機的額定轉速
由式中可知,若風機功率一定,當要求調節風量下降時,轉速可成比例下降,此時風機的輸出功率是成立方關系下降。風機在棉紡設備中應用量大、面廣,其傳動絕大部分為大功率交流電機,包括濾塵風機以及單機風機,耗電量在棉紡設備中是大戶。濾塵風機一般通過更換皮帶輪的大小來調節風量,單機風機通過調節風門的辦法調節風量。這種調節方式雖然簡單,但它是以增加管網損失,耗費大量能源為代價的。如采用變頻調速就可以從根本上防止電能浪費,單從公式(3.3)來算,其節約的電費就可想而知了。空調是棉紡廠離不開的首選設備,變頻空調的使用使溫度波動小,避免了空調的頻繁開停,延長了壓縮機的壽命,具有高效、節能的特點。同時避免了頻繁啟動對電機和電網的損害。并保證了車間溫濕度達到標準要求,為確保紗線質量提供了前提條件。
4、結語
通過控制方式的優點和先進性,以及在清梳聯中的應用,驗證了變頻調速在清梳聯工藝調整、節能降耗等方面的優勢。
參考文獻:
[1] 李良仁.變頻調速技術與應用.電子工業出版社,2009
[2] 袁馳.變頻調速技術在棉紡廠自動換氣調溫系統中的應用[J].機床與液壓.2004年05期
[3] 李琦. 變頻器的調速及在紡織企業中的應用.黑龍江紡織.2000年04期
[4] 褚曉江,周蓮秀. 幾種交流調速的比較及變頻調速在我廠的應用. 江西能源. 1995年04期




