中心議題:
- LED照明用恒流電源方案比較與選擇
- LED照明用恒流電源電路與程序設計
- LED照明用恒流電源方案理論分析與計算
- LED照明用恒流電源測試方案與測試結果
解決方案:
- 控制電路與控制程序設計
- 保護電路設計
- 功率因數校正電路設計
- 自動調光電路設計
一、方案比較與選擇
1 電路拓撲結構方案
方案一:采用反激式拓撲結構的功率因數校正電路,優點是將功率因數校正與電源變換器合二為一,可以大大減少電路的損耗,提高電路的整體效率,缺點是應用在反激式電路的有源功率因數校正控制芯片種類較少,且電路比較復雜,很難設計與單片機合適的接口電路,不容易使用單片機進行控制。
方案二:將功率因數校正電路與主控電路分開,采用Boost 型的功率因數校正電路后接電源變換器的方案,優點是電路結構簡單,并不涉及單片機對功率因數校正電路的控制,只需使功率因數校正部分輸出一個穩定的電壓即可,缺點是會一定程度上降低設計的整體效率。
鑒于本題要求步進調壓的功能,需要單片機對PWM控制芯片有一個良好而穩定的控制,故選擇方案二。
2 電源變換器方案
方案一:采用半橋變換電路,優點是高頻變壓器利用率高,傳輸功率大,電路效率很高,缺點是電路較復雜,且有直通危險。
方案二:采用單端反激變換電路,優點是電路結構簡單,缺點是高頻變壓器利用率低,需要留有氣隙,電路效率不高。
鑒于本題要求最大負載只有10 個1W 的led,傳輸功率較小,故采用方案二,即反激式電路拓撲結構。
3 閉環反饋控制方案
方案一:采用軟件閉環反饋控制,即使用單片機進行各參數的采樣,然后直接由單片機對PWM控制芯片進行控制,調節占空比。優點是電路結構簡單,缺點是反饋回路會受到采樣精度、采樣速度、單片機運算速度等因素的影響,使反饋系統變得不穩定。
方案二:采用硬件閉環反饋控制,即使用硬件電路構建反饋電路,由PWM控制芯片自身根據反饋信號調節占空比,而單片機對PWM控制芯片只是進行輔助調整。優點是反饋速度快,調節精度高,缺點是易受外部干擾。
4 有源功率因數校正方案
方案一:采用UC3854作為有源功率因數校正電路的主控芯片。優點是功率因數校正系數可達99.5%,缺點是外圍電路非常復雜且調試困難,方案二:采用MC33260作為有源功率有源功率因數校正電路的主控芯片。優點是外圍電路簡單,缺點是功率因數校正率與UC3854相比略低。
220VAC經工頻變壓器降壓為36VAC,經開機沖擊電流抑制電路輸入到功率因數校正電路中,再經高頻隔離變壓器給串聯在一起的LED燈供電,在LED燈處分別進行電壓、電流采樣,返回給PWM控制芯片和單片機,由單片機給定基準電壓來控制PWM控制芯片,進而達到控制LED燈恒流可調的目的。系統總體結構框圖如圖1所示。

圖1 系統總體框圖[page]
二、電路與程序設計
1 電源變換器主回路與器件選擇
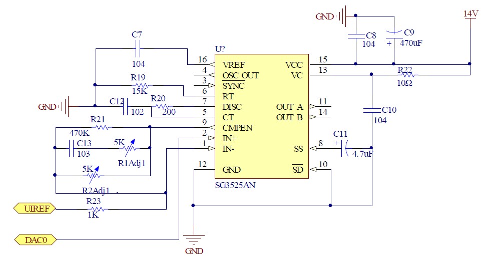
PWM 控制芯片采用SG3525。SG3525 的主要特點是:輸出級采用推挽輸出,雙通道輸出,占空比0 - 50%可調。每一通道的驅動電流最大值可達200mA,灌拉電流峰值可達500mA。
SG3525 的1、2 引腳分別為內部誤差放大器的反相輸入端和同相輸入端,反相輸入端接收反饋的電壓信號,同相輸入端為給定的電壓基準,一般接在16 引腳電壓基準的分壓上,由于題目要求恒流輸出時電流步進可調,故同相輸入端接單片機DAC 模塊產生的參考電壓。
負載的電流采樣由串聯在LED 負載與地之間的采樣電阻完成,經一級跟隨、一級同相放大之后分別給單片機和PWM控制芯片;電壓采樣由負載和電流采樣電阻上的電壓分壓完成,經一級跟隨分別給單片機和PWM 控制芯片。為完成恒壓與恒流模式的切換,分別在電壓采樣回路與電流采樣回路與PWM 控制芯片間各加入一個N 溝道MOSFET 作為電子開關,完成切換。為保證反饋的穩定性在MOSFET 后再加一級跟隨后將反饋信號傳遞給PWM 控制芯片。

圖2 PWM 控制模塊
2 控制電路與控制程序設計
由于本設計的控制部分并不需要很大的計算量,對計算速度的要求也不是很高,但需要ADC 與DAC 模塊進行電壓與電流的采樣和對PWM 控制芯片的控制,因此選用C8051F020單片機作為核心處理芯片,它擁有高速8051 微控制器內核,8 個12 位ADC和2 個12 位DAC,完全可以滿足設計的需求。
由于本LED 恒流電源工作時絕大部分時間處于穩定狀態,且對反應速度沒有過快要求,因此并不需要對電壓、電流信號進行同時的采樣,而可以分別采樣,模式切換和基準電壓的調整也不需在中斷服務中完成,只有步進調整電流的按鍵程序需要在中斷服務中完成。
3 保護電路設計
過壓保護電路并不是單獨設計的,而是整合在電流控制電路中,由恒流控制回路與恒壓控制回路的切換完成,當單片機檢測到負載上的電壓高于36V 時,單片機控制將恒流控制回路切換為恒壓控制回路,將負載的電壓控制在略高于36V,當再次檢測到負載電流降低到設定的電流以下時,重新將恒壓模式切換為恒流模式,達到過壓保護的目的。

圖3 控制程序流程圖[page]
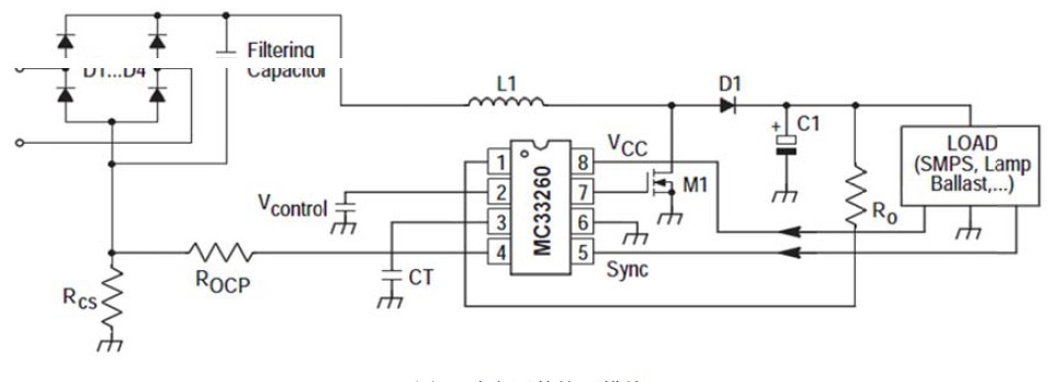
4 功率因數校正電路設計
選用小功率功率因數校正芯片MC33260,它工作在電流臨界模式。MC33260應用簡單可靠。通過電流檢測和電壓反饋,通過PI調節來保持電壓恒定。通過對開關管的PWM控制來得到所需要電壓。可實現0.998的功率因數校正和輸出穩定直流電壓的功能。

圖4 功率因數校正模塊
5 自動調光電路設計,開機沖擊電路與EMI抑制電路設計
自動調壓電路采用光敏電阻作為感光元件,利用比較強將光的強弱轉換為高低電平信號,使用單片機內置的ADC將這個電壓信號采回單片機,當光照強度較高時,單片機控制切換為恒流模式,設置的負載電流值為100mA,使LED的亮度隨光照強度的增大而減少。
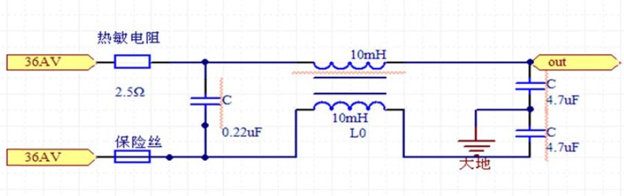
開機沖擊電路采用熱敏電阻串聯在電源輸入端,溫度較低時電阻很大,隨著電阻發熱溫度升高,電阻逐漸變小,達到抑制開關沖擊電流過大的目的。
EMI抑制電路是利用電感和電容的特性,使平率為50Hz左右的交流電可以順利通過濾波器,但高于50Hz以上的高頻干擾雜波被濾波器濾除,這就使開關電源產生的高頻諧波被濾掉而不會污染電網。

圖5 開機沖擊電流和EMI抑制模塊
三、理論分析與計算
1 恒流控制方法和參數計算
將一個電阻值較小的采樣電阻串聯在LED負載與低之間,設流過LED的電流為I,則采樣電阻兩端的電壓:
![]()
其中R0為采樣電阻的電阻值,取R0=Ω。一級跟隨之后電壓不變,后為一級同相放大電路,放大倍數為:

后為一級跟隨,電壓不變,因此返回PWM控制芯片的電壓為:
![]()
單片機通過DAC給PWM控制芯片一個參考的基準電壓UREF,經過PWM控制芯片的調節占空比來調節副邊繞組的電壓進而實現調節負載電流。經過閉環負反饋的調節作用,使U0=UREF,此時流過負載的電流值為:

只要時單片機DAC模塊的輸出電壓根據上面的式子調整,就會使負載工作在某一個需要的恒定電流值上。
2 隔離變壓器的設計計算
功率因數校正電路輸出的電壓為55V,要求負載為10只串聯的LED燈,實測正常工作時的電壓為34V左右,可得變壓器的變比約為:

由于PWM控制芯片輸出占空比范圍為0%~50%,因此實際取原邊45匝,副邊56匝,變比為1.24。
[page]
3 提高效率的方法
選擇合適的主回路拓撲,使用盡可能少的元器件,降低開關頻率;主電路選擇導通損耗小的開關器件;測量及控制電路在設計時盡可能使用工作電壓低的元器件;控制電路盡可能使用數字方法實現等都可以有效地提高系統的效率。
4 濾波參數計算
反激式電壓變換器需要輸出的為直流量,因此盡量應濾掉所有諧波,使用 LC 無源低通濾波電路即可滿足要求,反激式變換器的開關頻率為32kHz,設計濾波器的截止頻率應低于32KHz,即:

由于該系統為恒流系統,應取較大的L 值,并適當減小C 的值,據此設定L、C 值。選用470μF 的電解電容,根據計算得出電感值約為0.78mH,采用自制的工字型濾波電感。
四、測試方案與測試結果
1 測試儀器與設備
(1)工頻變壓器
(2)四位半數字萬用表DT9203
(3)安捷倫示波器DSO5012A
2 測試數據
(1)輸出電流跟蹤測試:

表1 輸出電流顯示跟蹤測試
(2)電壓調整率測試(設定電流為150mA):

表2 電壓調整率測試
從32V~40V 時電流變化范圍是149mA~150mA 調整率為0.6%,電壓調整率Su≤1%,達到要求。
[page]
(3)負載調整率測試
輸入電壓為36.23V,設定電流為300mA,負載從5 個LED 到10 個LED 時輸出電流波動范圍是209mA~300mA。調整率為0.4%。負載調整率SL≤1%達到要求。

表3 負載調整率測試
(4)效率測試
U2=36V、負載為10個LED、I0=300mA。

表4 效率η參數測試
(5)功率因數測試
測得功率因數為0.998,達到要求。

圖6 功率因數校正波形


