- 電容感應式觸摸按鍵方案在電磁爐中的應用
- 采用44pin的STM8S105S4制作按鍵顯示板
- 解決電磁爐工作環境中的干擾問題
1 引言
相較于機械式按鍵和電阻式觸摸按鍵,電容式觸摸按鍵不僅耐用,造價低廉,機構簡單易于安裝,防水防污,而且還能提供如滾輪、滑動條的功能。但是電容式觸摸按鍵也存在很多的問題,因為沒有機械構造,所有的檢測都是電量的微小變化,所以對各種干擾敏感得多。ST針對家電應用特別是電磁爐應用,推出了一個基于STM8系列8位通用微控制器平臺的電容式觸摸感應方案,無需增加專用觸摸芯片,僅用簡單的外圍電路即可實現電容式觸摸感應功能,方便客戶二次開發。
2 方案介紹
ST的電容式觸摸按鍵方案通過一個電阻和感應電極的電容CX構成的阻容網絡的充電/放電時間來檢測人體觸摸所帶來的電容變化。如圖1所示,當人手按下時相當于感應電極上并聯了一個電容CT,增加了感應電極上的電容,感應電極進行充放電的時間會增加,從而檢測到按鍵的狀態。而感應電極可以直接在PCB板上繪制成按鍵、滾輪或滑動條的應用樣式,也可以做成彈簧件插在PCB板上,即使隔著絕緣層(玻璃、樹脂)也不會對其檢測性能有所影響。

圖1 STM8S電容式觸摸按鍵的工作原理
電磁爐是采用磁場感應電流的加熱原理對食物進行加熱。加熱時,通過面板下方的線圈產生強磁場,磁力線穿過導磁體做的鍋的底部時,鍋具切割交變磁力線而在鍋具底部產生渦流使鍋底迅速發熱,達到加熱食物的目的。在本解決方案中采用44pin的STM8S105S4做按鍵顯示板的主控芯片,控制13個按鍵的掃描、24個LED及一個4位數碼管的顯示、I2C與主板的通訊,并留有一個SWIM接口方便工程師調試之用(如圖2)。
STM8S105S4采用的是ST高級STM8內核,具備3級流水線的哈佛結構,3.0~5.5V工作電壓,內部16MHz RC可提供MCU 16MHz工作頻率,提供低功耗模式和外設時鐘關閉功能,共有34個I/O可用。STM8S105S4 具有2KB的RAM和16KB的FLASH,還有可達30萬次擦寫次數的1KB EEPROM數據存儲器。
[page]

圖2 電磁爐按鍵板原理
3 電磁爐工作環境中的干擾
1.電磁干擾
電磁爐在加熱鍋的同時,也對電路板上感應電極正向或反向的電流,從而會縮短或增長按鍵充放電時間,會對按鍵的檢測造成很大影響,甚至產生誤動作,常見的方法采用硬件屏蔽和過零點檢測來消除電磁輻射對按鍵的影響。
硬件屏蔽
在STM8S的解決方案中,ST提供了感應電極和走線的設計規范和如圖3所示的Driven Shield功能(在Shield線上提供與按鍵管腳相同的驅動信號,電極與Shield之間的寄生電容就不會被充放電),能有效地減少感應電極走線的寄生電容對按鍵靈敏度的影響。

圖3 Driven Shield
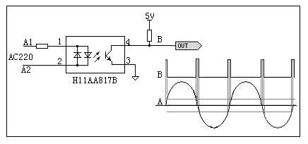
1)硬件過零點檢測
過零點檢測可采用硬件實現,在硬件設計中,可以增加如圖4 或圖5過零點的硬件檢測電路,通過在B端輸出為高電平時進行按鍵狀態的判斷,以期在電磁輻射最小的時候對觸摸按鍵進行檢測。
[page]

圖4 硬件過零點檢測電路1

圖4 硬件過零點檢測電路1

圖5 硬件過零點檢測電路2
2)軟件過零點檢測
硬件過零點檢測增加硬件電路設計的復雜性,增加方案成本,在我們的解決方案中,針對電磁爐的工作環境,我們采用軟件進行過零點檢測,從而降低成本,有效解決電磁爐主功率電路對觸摸按鍵的干擾
2.電網干擾
因為國內電網質量不一,在一些質量差的地區,容易影響電磁爐觸摸按鍵的正常工作。如果不能做電源隔離,就會看到一下圖6的差別(藍色表示無按鍵,紅色表示鍵被按下),而這些圖還只是在電磁爐沒有開功率的情況下的,當電磁爐工作時產生的電磁輻射將會使看到的信號更加雜亂無章。在實驗中發現,采用與外界電網隔離或使用軟件濾波,按鍵效果都能得到明顯改善。
[page]

圖6 質量好的電網 質量差的電網1 質量差的電網 2
3.濺水,濺油的影響
在電磁爐的使用當中,常常會出現水或油濺到觸摸面板上,它可能導致按鍵誤觸發,本解決方案采用特殊軟件算法可靠地將覆水濺油與手指按下的狀態區分開。
4.環境自適應能力
電磁爐在工作的時候,會產生大量的熱量與濕氣,面板溫度/濕度,電路板溫度/濕度都是會在一個很寬的范圍浮動,而隨著使用時間的推移,包括玻璃面板、PCB板都會出現不同程序的老化,從而影響按鍵檢測的準確度。在ST的解決方案中,實現了自動校準功能,實時地提供環境檢測,實現環境自適應的機制。
總結
ST提供的解決方案包含了觸摸面板自校準、軟件濾波、軟件過零點檢測及環境自適應等功能,盡可能地使用軟件算法去屏蔽各種復雜環境的干擾,具有低成本及工作可靠等特點。當然在其他產品的應用中,也會有一些與電磁爐環境不同的要求,這里只是介紹了其中一些有代表性的干擾,但只要掌握了電容式觸摸的工作原理,還是有很多種方法來處理各種應用情況。



