- AC LED燈具的優點
- AC LED光源的工作原理
- AC LED的典型應用技術
- 細LED晶粒特殊排列組合
- 充液LED固態照明設計
LED光源作為綠色、節能、省電、長壽命的第四代照明燈具而異軍突起、廣受關注、如火如荼地迅速發展。目前的LED光源是低電壓(VF=2→3.6V)、大電流(IF=200→1500mA)工作的半導體器件,必須提供合適的直流流才能正常發光。
直流(DC)驅動LED光源發光的技術已經越來越成熟,由于我們日常照明使用的電源是高壓交流(AC 100~220V),所以必須使用降壓的技術來獲得較低的電壓,常用的是變壓器或開關電源降壓,然后將交流(AC)變換成直流(DC),再變換成直流恒流源,才能促使LED光源發光。因此直流驅動LED光源的系統應用方案必然是:變壓器+整流(或開關電源)+恒流源(圖1)。
LED燈具里必然要有一定的空間來安置這個模塊,但是對于E27標準螺口的燈具來說空間十分有限,很難安置。無論是經由變壓器+整流或是開關電源降壓,系統都會有一定量的損耗,DC LED在交流、直流之間轉換時約15%~30%的電力被損耗,系統效率很難做到90%以上。如果能用交流(AC)直接驅動LED光源發光,系統應用方案將大大簡化,系統效率將很輕松地達到90%以上。

圖1 直流驅動LED光源的系統應用方案
韓國公司早在2005年已發明可以用交流直接驅動使其發光的AC LED,其次是美國 III-N Technology,3N技術開發MOCVD生長技術基礎上的氮化鎵襯底,可以增進照明和傳感器的應用,并降低成本和提高生產效率。對大大小小的硅發光二極管提供6英寸生產技術。3N發明的單芯片交流發光二極管(AC LED) ,建立了全面的專利組合,以保護和改善技術,牢固地確立其專有的立場,是首屈一指的大規模商業化生產的交流發光二極管產品。
中國臺灣省“工業技術研究院”2008年也完成可產業化生產并有實際應用系統方案的AC LED產品,可直接插電于60Hz或更高頻率的AC 110V 交流壓使其交流發光,應用于指示燈、霓虹燈、低瓦數照明燈,能有效解決現有 LED 無法直接在交流源下使用,造成產品應用成本較高的缺點。臺灣工研院的On Chip AC LED(片上AC LED)因此獲得素有美國產業創新奧斯卡獎之稱的2008年R&D 100 Award大獎。現在全世界只有美國、韓國與中國臺灣有此技術,臺灣工研院開發出白光、藍光及綠光AC LED的制程技術,不僅與國際同步,也是全球領先者之一。
AC LED燈具的優點
與白熾燈、鹵素燈、熒光日光燈、熒光節能燈、直流LED燈相比,AC LED燈具有更節能省電、更長壽、更有能效的高性價比。AC LED發光省去了成本不菲的AC/DC轉換器和恒流源。交流LED與現有的照明燈具性能比較如表1所示。
表1 交流LED與現有的照明燈具性能比較

[page]
AC LED光源超細晶粒采用特殊交錯的矩陣排列
AC LED光源的重大技術突破是超細LED晶粒在封裝時的特殊排列組合技術,同時利用LED PN結的二極管特性兼作整流,半導體制程在其中扮演著相當重要的角色。AC LED通過半導體制程整合成一堆微小晶粒,采用交錯的矩陣式排列工藝,并加入橋式電路至芯片設計,使AC電流可雙向導通,實現發光。晶粒的排列如圖2所示,左圖是AC LED晶粒采用交錯的矩陣式排列示意圖,右小圖是實際AC LED晶粒排列照片,AC LED晶粒在接上交流后通體發光,因此只需要二根引線導入交流源即能發光工作。

圖2 AC LED晶粒排列照片與示意圖
AC LED光源的工作原理
AC LED光源的工作原理如圖3,將一堆LED微小晶粒采用交錯的矩陣式排列工藝均分為五串,AC LED晶粒串組成類似一個整流橋,整流橋的兩端分別聯接交流源,另兩端聯接一串LED晶粒,交流的正半周沿藍色通路流動,3串LED晶粒發光,負半周沿綠色通路流動,又有3串LED晶粒發光,四個橋臂上的LED晶粒輪番發光,相對橋臂上的LED晶粒同時發光,中間一串LED晶粒因共用而一直在發光。
在60Hz的交流中會以每秒60次的頻率輪替點亮。整流橋取得的直流是脈動直流,LED的發光也是閃動的,LED有斷電余輝續光的特性,余輝可保持幾十微秒,因人眼對流動光點記憶是有惰性的,結果人眼對LED光源的發光+余輝的工作模式解讀是連續在發光。LED有一半時間在工作,有一半時間在休息,因而發熱得以減少40%~20%。因此AC LED的使用壽命較DC LED長。

圖3 AC LED光源的工作原理
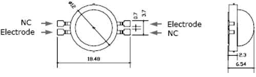
AC LED成熟的產品如首爾用于AC110V的AX3201、AX3211和用于220V的AX3221、AX3231。用于AC110V功率在3.3W~4W,工作電流40mA;用于AC220V功率在3.3W-4W,工作電流20mA(圖4)。LED晶粒直接邦定在銅鋁基板上。引腳如圖5所示。

圖4 首爾半導體的AC LED
圖5 AC LED引腳圖
[page]
AC LED的典型應用技術
AC LED的典型應用電原理圖如圖6所示十分簡單,在AC LED兩端分別串入正溫度系數熱敏電阻PTC,和限流電阻R1、R2、R3,接上110V或220V交流即可進入照明工作。
LED在大批量生產時,其阻抗有一定的離散性,AC LED也如此,為便于下游廠家的大批量應用,LED光源生產廠商在出廠時對批量生產的產品按阻抗分檔,客戶在使用時可按LED光源廠家提供的VF分檔表查用相應阻值的限流電阻,如表2所示是AX3221/AX3231的VF分檔與限流電阻表。

圖6 AC LED的典型應用電原理圖

表2 AX3221/AX3231的VF分檔與限流電阻表
AC LED的發展
AC LED在家用電力上的方便性,不需要像DC LED一樣另外得幫燈具裝上一個交流轉直流的轉換器,不但節省了這顆轉換器的成本,也避免LED光源本身還沒壞,但轉換器卻先壞掉的窘境。交直流轉換器可說是一種隨著時間會老化、壞掉的電子元器件,其壽命比LED光源本身更短,故目前很多LED燈具壞掉,并不是LED光源壽命已盡,而是LED燈具使用的交直流轉換器先壞掉了。AC LED還有一個特性,就是因為其工藝采用交錯的矩陣式排列,是輪流點亮的,在60Hz的交流中會以每秒60次的頻率輪替點亮,也讓AC LED的使用壽命較DC LED長。
不過,AC LED現階段有兩個缺點,其一是發光效率并沒有DC LED高,這是因為DC LED發展目前是主流,AC LED剛剛起步,AC LED的發光效率是可以追上,甚至超過DC LED的。其二是AC LED有觸電的風險。故AC LED如果要應用在LED照明燈具上,應避免金屬鰭片的裸露,而應是間接地把熱帶走,這也就是發展新的充液LED固態照明燈具的設計核心概念。
AC LED剛剛步入成長期,目前在發光亮度、功率等方面還不夠理想,但AC LED的應用簡便、無需變壓轉換器和恒流源,以及低成本、高效率已顯現強大的生命力。AC LED的技術在飛躍發展,要不了幾年,高亮度、大功率、低成本的產品將大量面世。


